时间:2023-03-20 09:39
人气:
作者:admin
01.
热管理系统概述

热管理系统的细节功能包括哪些呢?简单点理解主要是制冷和加热,小鹏P7上热管理系统的主要功能主要包括:
1.空调热舒适性系统,主要是空调制热、制冷、除湿、前挡除雾、车内温度以及空气循环的智能调节等。
2.电池加热冷却系统,应用1个四通换向阀, 2个三通比例阀, 实现电池和电机回路的串并联, 从而实现余热回收和电池中温散热功能。
高温时, 依靠电池换热器, 靠制冷剂给电池强制冷却。中温时, 依靠四通换向阀将电池回路与电驱回路串联, 通过前端低温散热器散热, 可以节省电动压缩机功耗。低温时依靠三通比例阀将低温散热器短路, 电池和电机回路串联, 回收电机余热给电池保温。超低温时依靠三通比例阀,通过水水换热器将电池回路加热, 实现给电池快速升温。
3.电驱冷却系统,依靠电动水泵, 通过低温散热器, 依次给电机控制器、电机进行散热。
4.XPU、大屏主机散热,通过温度及温升速率判断开启电机水泵, 从电机回路分流一部分流量到XPU、大屏主机水冷板进行冷却, 通过散热器或旁通进行散热。
5.补水排气系统,通过膨胀水壶与电池、电机、暖风回路连接, 分别为三个回路补水, 电池和电驱路共用一个分水箱排气、暖风回路用一个分水箱排气。
6.空气质量管理系统,依靠PM2.5传感器时时监测,并且在中控大屏显示,然后智能开启空调过滤空气;另外依靠等离子发生器进行杀菌除尘和净化空气;依靠AQS传感器进行尾气防护。
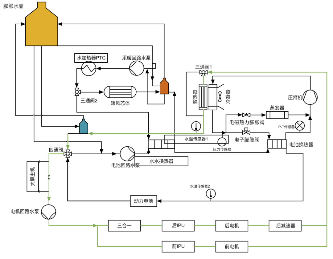
整个热管理系统的水路是相连通的,通过三通和四通水阀,实现串联和并联模式,整个热管理系统的框图如下图所示。

▲图1小鹏P7的热管理系统整体框图
02.
热管理系统部件控制策略
图1中展示了热管理系统中包含的部件,那这些单独部件的控制策略是如何呢?
1.电机回路水泵
该水泵的功率为60W,采用PWM控制,其运行策略如下:
电驱系统有散热请求时水泵开启。
热管理回路串联, 进行热回收时水泵开启, 此时转速和电池水泵转速相同 。
电池有LTR冷却请求时水泵开启。
当XPU或大屏开启时, 水泵也开启
2.电池回路水泵
电池回路水泵与电机回路水泵一样,该水泵的功率为60W,采用PWM控制,其运行策略如下:
当电池有加热或制冷请求时水泵开启。
当电池内部温差较大, 需要热平衡时水泵开启。
3.暖风回路水泵
该水泵功率为20W,采用100HzPWM定频控制,其主要控制策略:
当有空调加热请求时水泵开启。
当有电池加热请求时水泵开启。
当同时有空调加热请求和电池加热请求时水泵开启。
当打开左右双温区时, 水泵开启。
在除雾模式下, 如PTC需开启, 则水泵开启。
4.采暖加热PTC
PTC是Positive Temperature Coefficient的缩写, 意思是正温度系数电阻, 简称PTC热敏电阻, 其电阻值随着温度的升高呈阶跃性的增高。
这种方式的特点是功率受水温影响较小。工作电压范围350V~450V,采用LIN网络通信, 空调控制器只需要发功率请求信号给加热器, 加热器就会按照指定功率请求进行工作。采暖加热器PTC加热的最高水温为65℃。采暖水加热器控制逻辑:当空调或电池包有加热请求时, PTC开启, 并结合外界环境和车内空调制热需求确定采暖水加热器的加热的功率。
03.
热管理功能的具体控制策略
在热管理第一部分的时候,列举的小鹏P7整个热管理系统的功能描述,那这些功能是怎么通过各个部件协调实现的呢?
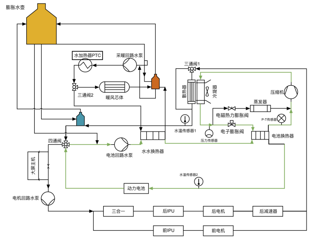
1.电机冷却控制原理
电机冷却控制是由VCU来控制的,VCU通过判断电机回路中某一器件温度过高则进入电机冷却, 调节电机回路水泵转速、电子风扇转速, HVAC调整三通比例水阀1位置到散热器。其开启温度值:当电机温度高于75℃, IPU高于45℃, DCDC高于60℃, OBC高于50℃时开启电机冷却系统。三通阀通散热器。
整个冷却回路为:电机回路水泵→电机系统→三通比例水阀1→散热器/旁通→四通换向水阀→电机回路水泵。

▲图2电机冷却控制原理
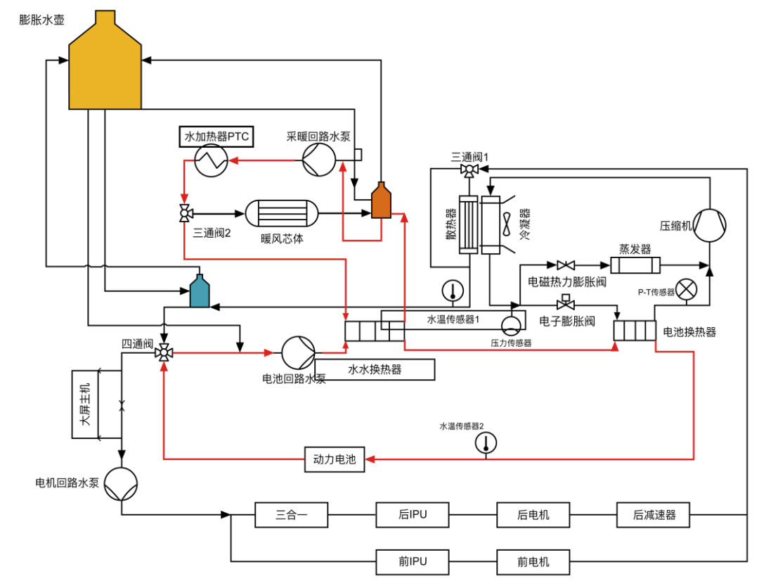
2.电池冷却控制原理
电池冷却又分为两种,其中一种为充电场景下,在该模式下BMS判断电池冷却需求, VCU判断是否满足电池冷却的条件, HVAC综合环境温度、电池回路水温、电机回路水温, 判断使用压缩机冷却, 从而驱动水阀、压缩机, 发出水泵、风扇请求。
该冷却回路为:压缩机→冷凝器→电子膨胀阀→电池换热器→压缩机。
另外一种是行车场景下,VCU判断是否满足电池冷却的条件, HVAC综合环境温度、电池回路水温、电机回路水温, 判断使用压缩机冷却, 从而驱动水阀、压缩机, 发出水泵、风扇请求。
该冷却回路为:电池回路水泵→动力电池→水水换热器→电池换热器。

▲图3 电池冷却控制原理
3.充电模式下的电池加热控制原理
BMS根据电池状态判断是否有加热需求-VCU根据整车状态发送高压系统状态-HVAC计算电池需求水温, 开启PTC、水泵进行加热。
冷却回路包括两条,其一为:电池回路水泵→水水换热器→电池换热器→动力电池→四通换向水阀→电池回路水泵。其二为采暖回路水泵→水加热PTC→三通比例水阀2→ 水水换热器→采暖回路水泵。

▲图4充电模式下电池加热控制原理
4.电池热平衡控制原理
在电池电芯最高温度和最低温度之间差值过大,或者电池回路水温与电池最高、最低温度差值过大,从而出现冷热冲击,这时需要开启电池水泵进行电池热平衡。该冷却回路为:电池回路水泵→动力电池→水水换热器→电池换热器→电池回路水泵。

▲图5电池热平衡控制原理
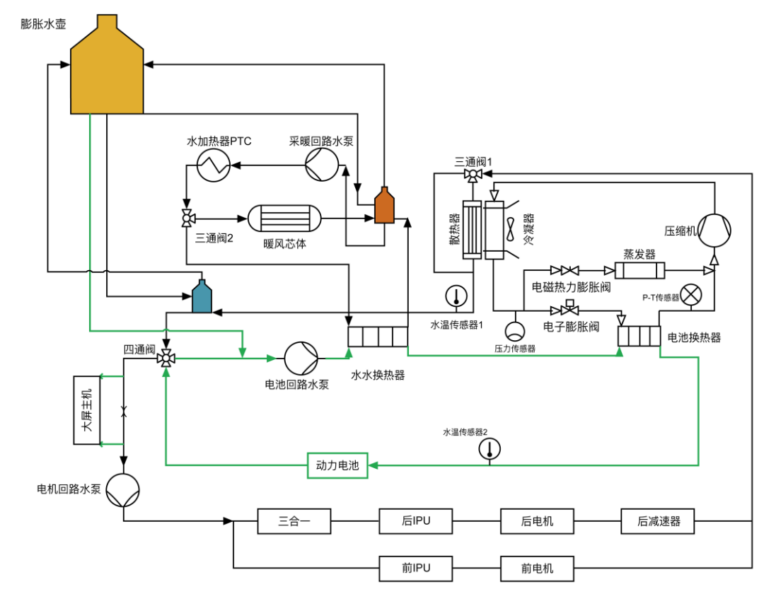
5.电池LTR冷却和电机余热回收控制原理
这里包括三部分,分别为电池LTR冷却,电池预冷,电机余热回收。
其中电池LTR冷却是在环境温度25℃以下, 电池温度较高时,切换四通换向水阀位置, 将电池回路和电机回路串联, 利用散热器给电池散热, 达到节能的目的。
而电池预冷则是电池温度即将达到冷却需求温度时, 利用散热器预先对电池进行冷却。
电机余热回收则是电池温度较低、电机回路水温高于电池回路水温一定值时, 将电池和电机回路串联, 利用电机回路温度给电池加热, 使电池处于适宜的工作温度, 达到节能的目的。
冷却回路为四通换向水阀→电机回路水泵→电机系统→三通比例水阀1→散热器/旁通 → 四通换向水阀→电池回路水泵→水水换热器→电池换热器→动力电池→四通换向水阀。

▲图6电池LTR以及电机余热回收控制原理
审核编辑 :李倩
上一篇:从传统到实验空气动力学