时间:2023-03-20 10:47
人气:
作者:admin
车载充电机为电动汽车的动力电池组提供了从基础设施电网充电的关键功能。
当将电动汽车通过合适的充电线连接到支持2级电动汽车供电设备时,OBC就会处理充电。
车主还可使用特殊的电缆和适配器连接到墙插进行1级充电而将其作为应急电源。
但这样提供的功率有限,因此所需的充电时间更长。
OBC用于将电网的交流电转换为直流电,但如果输入的是直流电,就不需要这种转换。
当将直流快速充电桩连接到车辆时,就会绕过OBC直接连接到动力电池。 OBC在纯电动汽车、插电式混合动力汽车和燃料电池汽车中都有所使用。 这三种汽车统称为新能源汽车,但对系统级充电功能的要求各不相同。 OBC接受交流电输入并将其转换为直流电输出的核心功能,为动力电池组充电提供了适当的电压和电流。 一般而言,这种功能由于只提供从电网到汽车的输电,因此是单向的。 OBC单元会根据整个电池的健康状况和电荷状态,改变电压和电流。
OBC的设计约束包括交流输入、输出功率、电池组电压、冷却方法、空间约束以及设计是单向供电还是双向供电。
在许多情况下,这类模块在功能安全上必须支持汽车安全完整性等级ASIL的B级或C级。
01
考虑到OBC的整体硬件功能模块,设计人员应解决以下问题。
对交流电源输入进行交流整流和功率因数校正PFC
初级侧DC/DC
次级侧整流(无源或有源)
如果是双向的,还要进行次级侧DC/DC控制
电压与电流和温度诊断
用于通信和诊断的车载网络
与电动汽车供电设备的通信
交流电源、12V电池和高压电池之间的隔离
交流整流和PFC有助于最大程度降低无功功率,同时最大程度提高实际输电,并在AC/DC转换模式下运行。
在OBC大功率系统中如果没有PFC,输电效率就不高,热负载就会增加。
OBC的功率因数规格在整个工作范围内通常能达到PF≥0.9,而在典型工作范围内则能达到PF≥0.98。
迪龙新能源2KW-40KW功率范围的OBC产品功率因数规格都达到了PF≥0.99。
高PF值能最大程度增加充电能力,同时也能绿色电网电流和减少实际功率需求。
02
OBC中的PFC控制器用于执行以下功能。
使输入电流与输入电压保持一致
减少从交流电源吸收的峰值电流
尽可能减少线路/电网电流总谐波失真
确保输入电流尽可能接近正弦波形
虽然在一般应用中可以使用无源PFC,但由于OBC需要满足更高的功率水平、散热要求和功率因数等目标。
因此这类系统的实际实现需要使用有源PFC。
03
OBC常见的有源PFC方案包括。
传统升压
传统升压(2通道交错式)
无桥升压
图腾柱
维也纳整流器
3臂或4臂电桥(3相图腾柱)
随着OBC输出功率的增加,推荐使用可减少电源路径中二极管数量的PFC拓扑,或使用几乎没有反向恢复特性的SiC肖特基二极管。
设计人员还可转用SiC MOSFET,这样就可以使PFC级在更高的频率下开关。
同时处理更高的系统电压,从而增加效率和能量密度。
04
电源路径的下一个模块是初级侧DC/DC转换器。
该电路用于将来自PFC的高压直流电转换为适当的直流电压而用于充电,输出电压和电流将根据电池组的状态而变化。
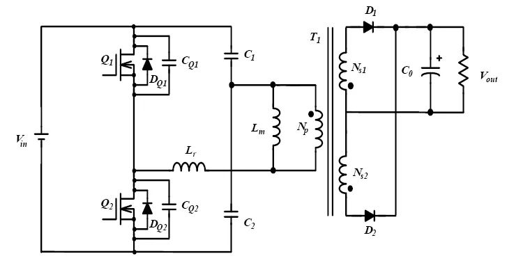
在单向设计中,这一DC/DC的典型实现是LLC,但也会有移相全桥版本。
对于双向设计,实现方式则是CLLC或双有源桥。

LLC谐振电路
而随着双向功能的发展,使用这些架构的方案也有望增多。
SiC MOSFET由于可实现更高的电压和更低的开关损耗,因此成为了这种情况的理想选择。
次级侧则可以使用二极管进行无源整流或使用功率开关进行同步整流,支持CLLC的全桥设计。
05
OBC的额定输出功率往往与车辆中所使用的电池组的大小相关。
OBC对于纯电动汽车中较大的电池要能提供较大的输出功率。
而对于插电式混合动力汽车中较小的电池则应提供较小的输出功率。
有助于改善充电时间的方案包括增加OBC的功率输出、提高OBC的效率以及增加电池组和相关OBC的系统电压。
所有这些方案都有助于减少充电时间,从而改善最终用户的体验。
06
OBC设计要考虑以下关键因素。
电动汽车电池组的能量密度正在增加
消费者需要更快的充电时间
OBC正在向更高的功率水平迁移
OBC必须满足400V和更广泛采用的800V电池系统的需求
为了进一步缩短充电时间,对于较小能量密度的电池组,OBC模块的输出功率将开始增加。
另一个可能性则是增加对直流快速充电的支持,从而帮助电动汽车在几分钟内充满电。
对于更大的电池组,其趋势则是转向11kW和22kW的OBC,同时继续支持快速充电桩和更高的电压。
支持使用OBC的电动汽车架构在2021年约占电动汽车总销量的46%。
到2026年则将占电动汽车总销量的57%,OBC五年的复合增长率预计为25.6%,2026年的数量估计为2140万台。
07
随着需要OBC车辆的大规模增长,OBC生产厂家迪龙新能源也迎来了新一轮的发展机遇。
迪龙新能源从2008年进入新能源汽车车载电源领域以来,就一直专注于OBC、车载DC/DC转换器的研发、生产与销售。
凭借强大的研发能力和可靠的产品质量,公司OBC等车载电源产品已从中国销往韩国、日本、欧美、东南亚等数十个国家和地区,成为了全球知名OBC供应商。
其OBC产品,整机采用了国际先进LLC谐振技术、全数字控制技术等,满载效率高达95%,工作可靠、稳定性高。
产品输出功率涵盖2KW-40KW,满足乘用车、商用车、客车、专用车等各类新能源汽车的应用需求,以及满足船载、舰载的应用需求。
交流输入采用有源功率因数校正PFC,功率因数≥0.99,有效实现了绿色电网。
并且具有AC220V(85V-265V)&AC380V(147V-457V)宽电压输入范围,满足国内外充电标准需求。
迪龙新能源OBC产品可以通过高速CAN网络与汽车电池管理系统、车辆监控系统进行通信。
上传OBC的工作状态、工作参数和故障告警信息,接受控制命令开始充电或停止充电。
并且具备过热保护、电池反接保护、空载保护、短路保护、过压欠压保护、过流保护、充满电自动关机…等完备的安全防护功能。
散热方式有自冷、风冷和液冷设计,采用密封式防水防尘结构,等级高达IP67。
温升比自然冷却低,整机工作稳定可靠,满足各种恶劣环境需求,无故障运行时间更长。
更重要的是,迪龙新能源OBC对动力电池采用智能充电,充电过程中判断电池的相对容量和识别环境温度。
根据电池状态采用恒压、恒流、恒功率自动转换法充电,有效节省了充电时间,延长电池使用寿命。
正因为,迪龙新能源OBC产品具有如此显著独特的优势和特点,才受到了国内外广大客户的认可和青睐。
被广泛应用到了全球数十个国家的新能源汽车上,取得了骄人的成绩。
编辑:黄飞