时间:2018-01-03 08:34
人气:
作者:admin
高性能、低功耗是当前电子技术发展的方向,对于汽车中的各种ECU来说如何实现低功耗呢?
一、ECU也耗油
据不完全统计,我国汽车保有量在20000万辆以上,由此带来的能源消耗以及环境污染问题越发严峻。目前,世界各国都在从减小发动机排量、提高发动机技术、发展新能源汽车等各个方面入手以降低燃油消耗。发动机是汽车中主要的耗油部件,但众多的ECU也是隐藏的“油耗大户”。
图1 汽车拥堵
二、CAN总线简介
ECU通信交互使用的是CAN总线,它是一种应用于串行通讯协议的总线,是目前世界上最广泛的现场总线之一。当前CAN总线已广泛应用于汽车电子、轨道交通、新能源等领域。多节点、大数据容量、节能是当前CAN总线的发展方向。
图2 CAN总线应用行业
在CAN总线方向,ISO制定的国际标准有以下6部分。其中ISO11898-1、ISO11898-2、ISO11898-3都为广大工程师熟知,本文我们重点认识与ISO11898-6选择性唤醒相关的低功耗策略。
ISO11898-1:数据链路层和物理层信号
ISO11898-2:高速接入单元
ISO11898-3:低速容错接入单元
ISO11898-4:时间触发通讯
ISO11898-5:低功耗的高速接入单元
ISO11898-6:选择性唤醒的高速接入单元
图3 节能模式
三、为什么要低功耗
有读者可能想问,一个ECU单元能消耗多少电量呢?值得为了功耗在它身上大费周折吗?首先,汽油不是免费的。对于传统车来说,车载电子单元的耗电全部来自燃油。有实验数据表明,100 W ≈ 0.1 升 / 100 km。此外,1 升柴油/100 km = 26,5 g CO2/km、1 升汽油 /100 km = 23,2 g CO2/km,由此可见ECU工作引起的燃油损耗、空气污染问题不容小觑。
图4 能源节约
四、如何做到低功耗
降低ECU功耗可以从两方面入手,一方面精心选择低功耗电子器件,另一方面适时关闭功能单元。对于第一方面,比较好理解,我们可以从MCU的选择、供电电压选择、晶振频率等方面入手;对于第二方面,可能大部分工程师没有做过尝试。适时的关闭功能单元就是在功能空闲时实现休眠,且在需要时能及时唤醒。比如当车速超过30Km/H时则完全可以关闭倒车雷达。其实CAN收发器可以工作在深度睡眠模式(参见ISO11898-6),只有当接收到一个特定的CAN报文后收发器才会唤醒MCU。

图5 报文选择性唤醒
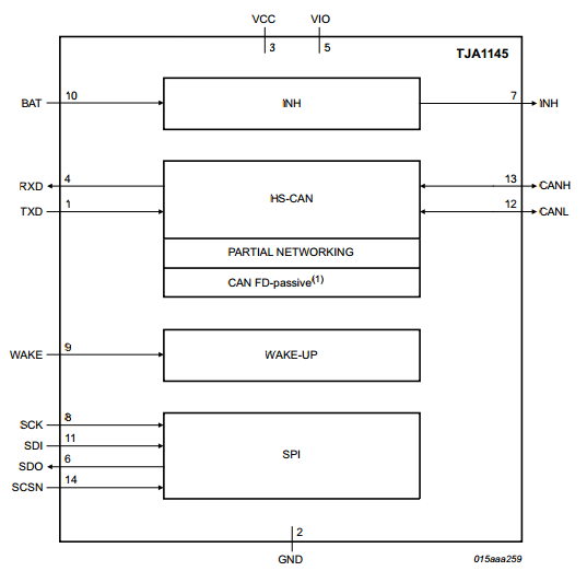
TJA1145是专为汽车电子而设计的高速CAN收发器,提供差分发送和接收能力。TJA1145的主要特征就是低功耗和睡眠模式,支持ISO11898-6:2013选择性唤醒。

图6 TJA1145
五、弊端及解决方案
CAN节点(或者ECU)可工作在激活或深度睡眠状态下,那么整个网络工作状态必然呈现多种形式。10设备= 1 024种系统状态;20设备= 1 048 576种系统状态。频繁的状态切换必将硬性到CAN总线的实时性,因此设备的分组是必要的。所谓分组就是将功能想关联的CAN节点(或者ECU)绑定到一块,同时处于休眠或激活状态。

图7 分组关联设置
今天的CAN节能话题暂时聊到这里,您对CAN总线发展有哪些了解呢?不妨在留言区分享您的想法。