时间:2017-12-16 01:10
人气:
作者:admin
汽车照明技术已历经数十年的发展。在发光二极管(LED)照明时代,人们对一体式车灯设计的期望从未如此之高正因为如此,这些高期待推动着半导体行业LED驱动器的技术不断发展。如今,汽车照明要求高质量的均衡设计以保证无论是前灯还是尾灯都具有卓越的照明效果。
图1:汽车前灯和尾灯
在过去,提高亮度的方式是增加LED灯的数量。但如果您现在拆开一个新的尾灯,就会看到大量的导光材料、光管、遮光罩和其它复杂的照明结构,这些都是为了实现更佳的照明效果。为实施上述措施,需要减少LED灯的数量且提高每个LED灯的电流是必不可少的。
设计人员使用开关型LED驱动器提高每个LED灯的电流。但是在车尾组合灯(RCL)中,高开关频率可能会对天线造成很大干扰,带来电磁干扰(EMI)和电磁兼容(EMC)问题。使用线性LED驱动器时,LED驱动器内部的高功耗可能会影响整个照明灯的使用寿命。
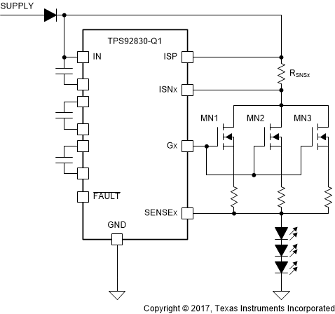
TI推出的全新三通道高侧恒流汽车线性LED控制器,可帮助解决这些问题。图1为器件TPS92830-Q1的示意图。

图2:TPS92830-Q1简化示意图
TI移除了器件内部的金属氧化物半导体场效应晶体管(MOSFET),以便设计师根据实际输出电流来决定整个RCL系统所需要的MOSFET类型。如此一来,设计师可以设计出更精密的尾灯:通过使用一个或两个TPS92830-Q1,并结合外部高电流MOSFET,以提供每个通道高达250mA或300mA的电流。
这项创新还可释放器件本身的热量,优化整个系统的散热性能。利用此项创新,您可以使用TPS92830-Q1驱动制动灯、尾灯、转向灯、位置灯以及日间行车灯(DRL)。具体取决于您的设计需要多大的外部MOSFET。

图3:MOSFET并行驱动支持
同时,TPS92830-Q1还集成了高精度片上脉宽调制(PWM)发生器。误差领先业内,低至2%,在每盏灯上均可实现高质量的均衡设计,尤其适用于在后备箱和挡泥板上分别安装灯的设计。肉眼无法分辨两种灯的亮度差异。您可以根据系统架构在片上PWM信号和外部PWM信号之间进行选择。
该器件具有全面领先的保护和检测功能,可确保您的设计满足所有汽车原始设备制造商(OEM)的要求,如LED开路、LED短路和一个失效全部失效。 TPS92830-Q1还支持电流降额功能,可在高压输入条件下保护外部MOSFET,确保系统的可靠性。
下一篇:汽车照明系统常见的故障分析