时间:2017-08-04 13:50
人气:
作者:admin
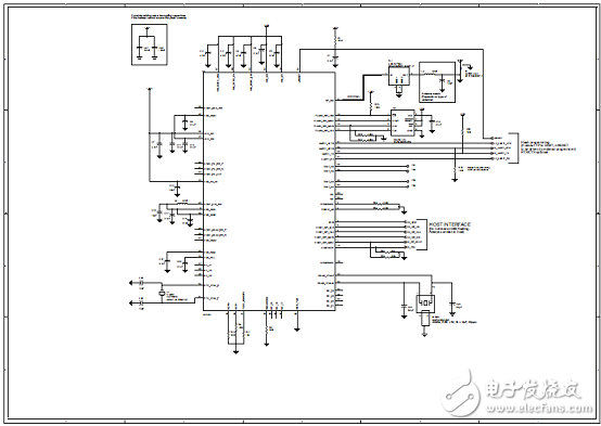
CC3100设备是业界首款用于无线网络解决方案的Wi-Fi CERTIFIED芯片。CC3100设备是新的SimpleLink Wi-Fi系列的一部分,大大简化了Internet互连的实现。CC3100设备集成了用于Wi-Fi和Internet的所有协议,大大降低了主机MCU软件的要求。借助内置安全协议,CC3100解决方案提供了强大而简单的安全体验。此外,CC3100器件是一个完整的平台解决方案,包括各种工具和软件,示例应用,用户和编程指南,参考设计和TI E2E支持社区。CC3100器件采用易于布局的QFN封装。
Wi-Fi网络处理器子系统具有Wi-Fi片上网络,并且包含完全从主机MCU卸载的附加专用ARM MCU。该子系统包括一个802.11b/g/n无线电,基带和MAC,具有强大的加密引擎,用于使用256位加密的快速,安全的Internet连接。CC3100设备支持站,接入点和Wi-Fi Direct模式。该设备还支持WPA2个人,企业安全和WPS2.0。此子系统包括嵌入式TCP/IP和TLS/SSL堆栈,HTTP服务器和多个Internet协议。
电源管理子系统包括支持宽范围电源电压的集成型DC-DC转换器。该子系统支持低功耗模式,例如休眠模式,RTC模式需要4μA的电流。
CC3100器件可以通过SPI或UART接口连接到任何8位,16位或32位MCU。设备驱动程序最大限度地减少了TCP客户端应用程序所需的小于7KB代码存储器和700B RAM存储器的主机存储器占用要求。
CC3100主要特性
CC3100 SimpleLink Wi-Fi由Wi-Fi网络处理器和电源管理子系统组成
Wi-Fi CERTIFIED芯片
Wi-Fi网络处理器子系统
设有无线网络连接
专用ARM MCU
从外部微控制器完全卸载Wi-Fi和Internet协议
Wi-Fi驱动程序和多个互联网协议在ROM
802.11b/g/n无线电,基带和媒体接入控制(MAC),Wi-Fi驱动器和请求者
TCP/IP堆栈
行业标准BSD套接字应用程序编程接口(API)
8个同步TCP或UDP插槽
2个同时TLS和SSL插槽
强大的加密引擎,用于快速,安全的Wi-Fi和互联网连接,具有TLS和SSL连接的256位AES加密
基站,AP和Wi-Fi Direct模式
WPA2个人和企业安全
SimpleLink连接管理器用于自主和快速Wi-Fi连接
SmartConfig技术,AP模式和WPS2,用于轻松灵活的Wi-Fi配置
TX功率
18.0dBm@1DSSS
14.5dBm@54OFDM
RX灵敏度
95.7dBm@1DSSS
74.0dBm@54OFDM
应用吞吐量
UDP:16Mbps
TCP:13Mbps
主机接口
通过SPI或UART接口与8位,16位和32位MCU或ASIC进行接口
低外部主机驱动程序占用率:TCP客户端应用程序仅需要小于7KB的代码存储器和700B的RAM内存
电源管理子系统
集成式DC-DC支持宽范围的电源电压:
VBAT宽电压模式:2.1V~3.6V
预调节1.85V模式
高级低功耗模式
休眠与RTC:4μA
低功耗深度休眠(LPDS):115μA
RX流量(MCU有效):53mA@54OFDM
TX流量(MCU有效):223mA@54OFDM,最大功率
空闲连接:690μA@DTIM=1
时钟源
40.0MHz带内部振荡器的晶振
32.768kHz晶振或外部RTC时钟
封装和工作温度
0mm间距,64针,9mm×9mm QFN
环境温度范围:-40℃~85℃

图1 CC3100硬件概述

图2 CC3100软件概述

图3 CC3100SimpleLink Wi-Fi解决方案功能框图

图4 CC3100宽电压模式应用电路

图5 CC3100预稳压1.85V模式应用电路