时间:2022-01-24 15:29
人气:
作者:admin
们
第一节硬件解读
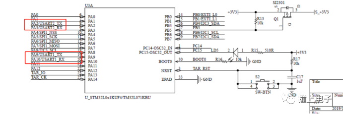
由物联网开发板的原理图可知,一共有2个串口,分别是USART1和USART2,如下图所示:

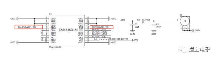
其中USART1接到Lora,如下图:

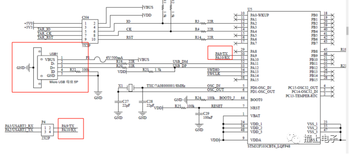
那么,本次串口实验必定是USART2,我们仔细查看原理图部分,USART2通过P4的跳线帽连接到了PA9/TX和PA10/RX,所以本次串口实验必定要短接P4的1和2,3和4。下图所示:

知道连接到PA9/TX和PA10/RX,那么PA9/TX和PA10/RX又连接到哪里呢?由下图可知,连接到STM32F103C8T6,注意,这个STM32F103C8T6只是开发板的调试器的主控芯片。主控芯片(STM32F103C8T6)把控制芯片(STM32L071KB)的串口信息转化之后接到Micro USB。【这段很难理解,希望大家好好体会】

总结一下,本次串口实验采用的是USART2,通过P4的跳线帽与调试器的芯片(STM32F103C8T6)的作用,最后串口接到Micro USB。
第二节配置环境
1,打开STM32CubeMX,新建工程。

2,搜索蓝桥杯物联网的芯片并选好封装。

3,如下图配置芯片的下载口。

4,如下图,配置串口2。

5,这里是USART的一些关键信息,比如波特率,数据为位之类的。具体看看下图:

6,配置时钟树。

7,配置项目名和路径,编译器与编译版本。

8,按照下图,生成代码。

第三节编写代码
1,编写如下图的代码。

2,选择下载器。

3,设置上电自动复位和运行。

4,编译代码,会显示0错误,0警告。
5,通过电脑的设备管理器查看串口号。公子的串口号的COM4,你们可能是其他串口号。

6,打开AccessPort。这是一款串口软件。

7,如下图配置软件的参数。

8,点击“显示数据”。从图下可以看出,间隔发送“TEXT”。这个串口调试助手是蓝桥杯官方提供的,数据接收和发送不太稳定,其他串口调试助手测试正常。

第四节 实验现象
实验注意事项:
1,程序语句需要位于程序的BEGIN与END之间。
2,利用USB线将电脑USB口与开发板USB1口连接。
3,CN4所有拨码开关必须选择ON DP档,否则无法下载程序。
4,用跳线帽连接P4的1与2,3与4。
实验现象:
LD1,LD4常亮。串口2以1秒为间隔发送TEXT。
宗旨:
免费的服务,永远的开源
说明:
1.本教程免费,开源,禁止用于任何商业用途,违者必究。
2.本教程版权所属为东莞市东城墨竹公子电子工作室,盗版必究。
3.资料下载请通过以下方式:
微信公众号:撞上电子
CSDN:撞上电子
掘金:撞上电子
今日头条:撞上电子
淘宝企业店:撞上电子