Part 1 简介
东软载波微
电子ES32F0283是采用
ARM 32位Cortex-M0内核的
微控制器,具有128KB FLASH和16KB S
RAM。工作电压范围介于 1.8V≤VDD≤5.5V。
定时器部份具有1路4通道16位高级
Timer、4路2通道16位通用Timer、3路4通道16位通用Timer、1路4通道32位通用Timer和1路基本Timer。
通信接口包含2个
I2C接口,3个SPI接口(其中一组支持全双工I2S),4个
UART,1个全速
USB OTG,还有专门为电竞键盘设计的KBCU模块,键盘控制模块包含7x24组输入扫描数组,256-bit RGB PWM灯控,32阶亮度调整。
Part 2 电竞键盘方案
1、 概述
电源:
USB Bus
供电
特点:
USB HID规范
无鬼键
硬件设计
全键盘NKRO支持
B
IOS模式兼容
PWM驱动
LED
上位机配置协议
HID在线更新
2、 原理框图
3、 设计要点
使用针对电竞键盘设计的KBCU模块开发,可免去开发人员在按键扫描及灯效控制切换上的负担,有效缩短开发时程。配合PC AP,可实时设定电竞键盘的各项配置,操作更灵活。
KBCU:
经由0283特有的KBCU模块完成按键扫描及灯效RGB PWM输出。
支持配置扫描列(COLUMN),最少15组,最多24组。
按键提供三组可配置0-256阶占空比PWM输出,支持反向输出。
支持最大32阶的亮度控制。

、
键盘:
USB HID - 兼容于USB规范的HID键盘协议。
NKRO - 不受限于传统USB键盘规范的6个按键,可达到支持全键盘按键的功能,并可兼容BIOS模式。
宏功能 - 经由上位机协议可定义每个按键发送最多120个按键的宏功能。
键码自定义 - 经由上位机协议可重新定义每个按键发送的键码,不受传统键盘排列限制。
灯效:
内建8组灯效:Solid,Breathe,Re
active,Rain,Gradient,Fade,Ripple,Wave。
可经由上位机协议或组合键切换灯效。
可经由上位机协议或组合键调整灯效颜色。
可经由上位机协议或组合键调整灯效速度。
可经由上位机协议或组合键调整显示方向。
协议:
通过ESSEMI自定义的HID控制协议,搭配上位机软件可实现实时配置键盘宏,灯效及LED动态显示的设定。
在线更新:
内含上海东软载波微电子自定义的USB在线更新协议,可在不插拔USB传输线的情况下,实现更新FW的功能。
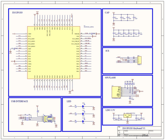
4、 硬件设计
5、 软件设计
USB HID Keyboard协议。
Key S
can:以ES32F0283特有的KBCU模块实现电竞键盘的按键扫描。
RGB PWM:以ES32F0283特有的KBCU模块实现各种灯效的RGB PWM控制。
电竞协议:以电竞协议实现由上位机控制键盘布局的功能。
在线更新:以在线更新协议实现不插拔USB传输线更新FW的功能。
Part3 小结
ES32F0283是上海东软载波微电子推出的一款适用于需要USB OTG控制功能需求场景的
芯片,针对电竞键盘应用集成了KBCU模块。使用KBCU模块可轻易实现键盘的按键扫描及各种灯效RGB的PWM配置,可有效提升电竞键盘的开发效率。更可配合我司自定义的HID电竞协议直接经由上位机软件实时配置电竞键盘的专属功能。