时间:2022-08-08 14:41
人气:
作者:admin
计算机是用来做什么的?顾名思义用来计算的。不过在现代的计算机应用中,计算不是计算机主要工作内容(这个是后话)。
要计算我们就需要计算电路。计算电路有很多比如加法电路,减法电路,当然还有乘法除法等等。这些电路都是建立在与或非门的基础之上的,这个在前面的章节有讲解过。向这些电路输入运算的数值,我们就能在输出端很快(需要时间)得到我们想要的结果。但在计算之前计算机需要知道我们要做什么运算,用哪两个数字做运算。

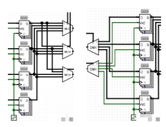
通过DMX和MUX选取对应的运算电路
所以我们需要通过输入相应的指令来通知计算机。我们都知道计算机内部处理的都是0和1的电压信号,所以我们给计算机的指令也得是0和1。假设我们规定加法是000,减法是001,乘法是010,除法是011,当然还有100、101等等别的运算。如此输入计算机内,那么计算机就能够区分我们要做哪些运算了。还记得MUX和DMX吗?就是用这个部件来区分的。只能够区分哪些运算还不够,还得知道是哪些数。那也很简单,我们把要输入的数字和指令一起给计算机,比如11111(加数一) 00000(加数二) 000(加法),它的意思就是把11111和00000(二进制数)加起来。当然你也可以把000放到最前面,只要你的计算机能理解就行。
那么我们得出答案了,这个结果是11111(显而易见),这个数字会出现在加法器末端。那我想接着把这个数字乘二要怎么办呢?你当然可以再输11111 00001 010,这样就可以把11111乘2了。但是能不能更快一点呢?比如直接调用加法器结果11111?我们这里就需要用到寄存器来暂时存住数据。寄存器原理我们在之前的章节也曾讲过。我们现在设置32个寄存器分别命名为00000、00001……11111。

左:通过MUX选择要运算的寄存器
右:通过DMX选择要写回的寄存器
我们重写之前的加法命令,现在可以是11111 00000 000 00000(寄存器编号)。意思是把11111和00000相加,结果放到00000寄存器里。那么我们接下来想把相加后的结果乘二,指令是不是就可以这样写:00000 10 010 00001 ?你应该懂得意思是把00000寄存器里的数字和10相乘,把积放到00001寄存器里。但是计算机不懂得,而你也只是结合了上下文才能如此理解。我同样可以把这个指令认为是00和10相乘,把积放到01寄存器里。再者,我们输入进计算机的数字是连续的,之间才不会有这么有爱的空格,这就出现歧义了。怎么处理这个问题呢?也很简单。我们规定一下,这种直接写入在指令的运算的数字我们称之为立即数,这种立即数的长度必须是5位,因为如果不是和寄存器序号一样是五位的话,计算机设计起来比较麻烦。我们只约定了长度还不够,你还得告诉我这个五位数字是立即数还是寄存器序号。所以我们要再给指令加长两位。如果是前一个五位数是立即数,那么第一个标志位是1。第二个同理。所以上面的这个乘二指令可以这样写了:00000 00010 010 0000101(指示第二个五位数是立即数)。
还没结束,一般我们进行计算机编程的时候,代码最好是干练的,这样运行效率才最高。所以像第一个例子中的两个立即数相加的情况是很少出现的,因为没什么必要,程序员完全可以直接把两个数字的和直接写进程序中,不会让计算机每次运行程序时为此再重算一遍。况且这种两数相加完全可以通过两次使用立即数的方法得到。所以我们可以把上述乘2指令简化成00010 00000 010 00001 1。可以看到,前面两个五位数字调换了顺序,最后面的标志位变成了一位,其原因就是现在只会由第一个五位数字来充当立即数,而第二个永远是寄存器数字。有人会问,这样有什么好处吗?有的,指令少了一位。意味着十条指令少了十位,以前内存可是按位卖的……所以在能满足需求的情况下,要尽可能的短。但是这样也有弊病。
这样还不够,有人认为立即数就五位够什么用?这样的立即数太小了。那我们把立即数扩充到十二位,范式是000000000000 00000 000 00000 0,我们把第一个五位数扩充到了十二位。那计算机每次遇到指令的时候就先看一下最后的标准位,判断这条指令是立即数指令还是寄存器指令。如果是立即数指令,那就用得到十二位全部的数据,如果是寄存器指令,那就直接取最后五位数据,并对前面七位数字不作理会。有人有疑惑:不对啊,你前面刚说内存按位来卖,指令大小应该越少越好。那立即数指令长就长点,寄存器指令保持原长不好吗,这样不是很省内存空间吗?有道理,所以这种变长(长度变化)指令是之前的x86的做法。可是时代变了,今昔不同往日,内存早已不是按位来卖的,这点空间浪费问题不大,定长指令是现在的主流。(注意,定长指令并不是极其严格的长度一致。64位的计算机可以执行32位指令甚至16位指令,为的是软件的兼容性)更重要的是,这让硬件解码的工作来得轻松的多。并且想象一下,计算机指令是头尾相连在一起的,如果指令长度不一样,你甚至不知道第一个指令有多长,还得疯狂断句才能读懂(文言文即视感)。
今天应该算是把指令编写思路大致给讲清楚了,我们下次具体看看risc-v指令集,即人家是怎么设计CPU指令的,和我今天讲的有什么不同,以及如何在硬件中实现解码指令。
审核编辑:刘清
上一篇:自连科技Wi-Fi 5产品