全球最实用的IT互联网信息网站!

AI人工智能P2P分享&下载搜索网页发布信息网站地图

当前位置:诺佳网 > 电子/半导体 > 物联网 >

工业级32K FLASH高品质高性价比传感/物联网/智能控

时间:2022-08-16 13:53

人气:

作者:admin

标签: 工业    32K  高品质    Flash 

导读:工业级32K FLASH高品质高性价比传感/物联网/智能控制等专用HK32F030MA量产!-HK32F030MxxxxA/HK32F0301MxxxxA家族是由航顺芯片研发的经济型MCU芯片,包含SOP8、TSSOP16、TSSOP20、TSSOP24、TSSOP28、QFN20、...
HK32F030MxxxxA/HK32F0301MxxxxA家族是由航顺芯片研发的经济型MCU芯片,包含SOP8、TSSOP16、TSSOP20、TSSOP24、TSSOP28、QFN20、QFN24、QFN28封装。
 


产品概述
 
HK32F030MxxxxA和HK32F0301MxxxxA MCU
 
ARM® Cortex®-M0内核,最高工作频率分别为32和48MHz
内置32 KByte Flash、432 Byte EEPROM和4 KByte SRAM
通过配置Flash控制器寄存器,可实现中断向量在32 KByte空间内的重映射。
MCU除电源、地以外的所有引脚都可以作为GPIO、外设IO或外部中断输入;在引脚数量受限应用场景中,该MCU提供了尽可能多的引脚信号数量。
 
HK32F030MxxxxA/HK32F0301MxxxxA MCU 内置了多种通信接口
✦1 路高速(最高6 Mbit/s)USART
 
USART 支持同步及异步全双工或半双工通信、多主机通信、LIN协议、SmartCard协议、IrDA SIR 编解码;RX/TX引脚位置可通过软件互换;在MCU停机模式(Stop)下,支持数据接收唤醒。
 
✦ 3 路高速(最高6 Mbit/s)UART
 
✦ 1 路高速(最高18 Mbit/s)SPI/I2S
 
SPI/I2S 支持4 ~ 16位数据长度的全双工或半双工通信、主/从机模式、TI模式、NSS脉冲模式、自动CRC校验和I2S协议。
 
✦1 路高速(最高1 MHz)I2C
 
I2C支持1 MHz/400 kHz/100 kHz传输速率、主/从机模式、多主机模式、7/10比特寻址、SMBus协议。在MCU停机模式(Stop)下,支持数据接收唤醒。
 
HK32F030MxxxxA/HK32F0301MxxxxA MCU内置了1个16位高级PWM定时器(共4路PWM输出,其中3路带死区互补输出),1 个16位通用PWM定时器(共4路PWM输出)和1个16位基本定时器(定时输出CPU中断)。
 
HK32F030MxxxxA/HK32F0301MxxxxA MCU 内置了模拟电路:1个12 位1MSPS ADC(有效精度8位)、1个上/下电复位电路(POR/PDR)和1个内部参考电压(内部参考电压在片内被ADC采样)。
 
HK32F030MxxxxA/HK32F0301MxxxxA MCU支持丰富的功耗模式。在低功耗模式下,这两个系列的MCU均可被内部的低功耗定时器自动唤醒。
 
HK32F030MxxxxA/HK32F0301MxxxxA MCU工作于-40°C ~ +105°C 的温度范围,供电电压1.8 V ~ 3.6 V,可满足绝大部分应用环境条件的要求。

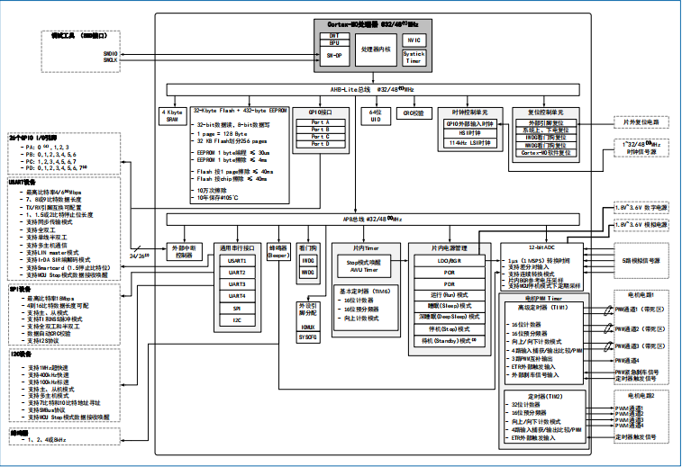
结构框图
 
ARM® Cortex™-M0处理器是嵌入式32位RISC处理器,它是一个低成本、低功耗的MCU平台,提供优秀的计算性能和先进的中断系统响应。

HK32F030MxxxxA/HK32F0301MxxxxA MCU拥有内置的Cortex®-M0 内核,与ARM工具和软件兼容。

HK32F030MxxxxA/HK32F0301MxxxxA MCU系统架构如下图所示:


 
图中脚注的说明:

(1)HK32F030MxxxxA和HK32F0301MxxxxA的最高时钟频率分别为32MHz和48MHz。

(2)HK32F030MxxxxA和HK32F0301MxxxxA的外部中断线分别为最多24根和最多26根。

(3)仅HK32F0301MxxxxA支持待机(Standby)模式。

(4)HK32F030MxxxxA仅部分封装提供PA0和PD7引脚,HK32F0301MxxxxA 所有封装均提供PA0和PD7引脚。详细信息请参见数据手册。
 
产品应用
 
由于拥有丰富的外设配置,HK32F030MxxxxA/HK32F0301MxxxxA MCU可适用于多种应用场景:


 
编程控制器/打印机/扫描仪/电机驱动和调速控制/电机以及8/16位MCU升级替换/物联网低功耗传感器终端/无人机飞控/云台控制/玩具产品/家用电器/智能机器人/智能手表/运动手环/充电器/电池管理/散热风扇/烟感等
 
手机维修屏:需要QFN 3X3的封装,但不带DMA功能,部分客户可以不需要DMA

仪表盘客户:需要32K FLASH

物联网模块模组应用:支持4个串口(USART1个,UART3个)

需要对ADC精度有要求的客户:提升为正常情况

电机应用市场:支持IO tolerant,合封预驱

电子烟:需要QFN3X3封装,有需求3个以上唤醒源

血压计应用:有需求3个以上唤醒源

温馨提示:以上内容整理于网络,仅供参考,如果对您有帮助,留下您的阅读感言吧!
相关阅读
本类排行
相关标签
本类推荐

CPU | 内存 | 硬盘 | 显卡 | 显示器 | 主板 | 电源 | 键鼠 | 网站地图

Copyright © 2025-2035 诺佳网 版权所有 备案号:赣ICP备2025066733号
本站资料均来源互联网收集整理,作品版权归作者所有,如果侵犯了您的版权,请跟我们联系。

关注微信