时间:2022-08-18 10:29
人气:
作者:admin
对于工业物联网 (IIoT) 而言,基于云的数据中心是相当重要的资源,能够提供可扩展的大容量存储、处理、分析、安全问题定期修复以及持续的功能更新。不过,依赖云服务来完成所有工作也存在一些缺点。例如,对于过程控制和运动控制等任务关键型功能而言,云与边缘之间的延时过长。此外,数据可能会遭到黑客入侵,而大量数据传输可能很快就会给通信资源带来压力。解决这些问题的方法则是尽量在边缘执行处理和分析。
在工业物联网边缘处理方面,基于单板机 (SBC) 的计算平台为设计人员提供了越来越多受到良好支持的高性价比解决方案。针对这一新市场,嵌入式系统制造商推出的 64 位处理器 SBC 具有高速存储器,支持固态大容量存储和多种操作系统,安全级别较高,具有数十个 GPIO 引脚及许多其他功能。
本文探讨了边缘应用对 SBC 的需求,以及用于工业物联网内部边缘计算时选型和集成方面的注意事项。此外,本文还以 Advantech、Digi、UDOO 和 VersaLogic 推出的 SBC 以及 Raspberry Pi 为例,阐示了设计人员如何能将其应用于针对工业物联网边缘环境而定制的计算解决方案。
工业物联网为何要使用 SBC
对于工业物联网设计人员而言,SBC 的显著优势在于整个平台的配置非常灵活,能够只选择当前需要的功能,同时又具有可扩展性——不像某些特别设计制造的 PC 那样,需要报废整个平台。另一个优势是,鉴于从头开始设计系统,设计人员能够积累很多知识,而将来需要扩展计算资源时,这些知识正是必不可少的。
与其设计目标应用一样,SBC 种类繁多。例如,国防和航空航天系统常用的 SBC 采用 3U 和 6U 尺寸,通常基于 Open VPX 标准。主机处理器往往采用高端 Intel 处理器,具有 Xilinx 的 Virtex 系列 FPGA 或用作硬件加速器的图形处理单元 (GPU)、12 位和 16 位模数转换器 (ADC) 和数模转换器 (DAC),以及大容量 DDR4 内存。此外,背板由第 4 代 PCIe 的多条通道和 RapidIO 和 PCIe 等交换结构组成。当然,这些功能也代价不菲。
另一方面,受益于 Raspberry Pi、Arduino 及其他平台的广泛普及,DIY 或“创客”SBC 在全球范围内的销量达数百万。虽然价格便宜很多,但这些 SBC 也能连接一组传感器,执行适度的处理,然后将结果发送至现场或边缘计算机,后者则是基于一个或多个功能强大的 SBC。这显然会增加系统的物料清单,不过也算得上合情合理,毕竟它提高了边缘传感器设备集群的智能性,促使在边缘和本地能使用边缘计算机执行某些决策。
介于国防/航空航天应用与 DIY 之间的是针对工业应用设计的 SBC。虽然也可能支持 Raspberry Pi 和 Arduino,但它们必须具备卓越的性能和耐用的环境特性,因而主机处理器采用 Arm® Cortex® 系列或中端 Intel Core 系列。这类 SBC 的板尺寸不到 6 in.2,性能却堪比中端笔记本电脑,可以配备 DDR3 或 DDR4 内存,也可由设计人员自行选择存储器。
其他标准功能包括支持 SPI 和 SPX、千兆位以太网、低压差分信号 (LVDS) 和 PCIe、可信平台模块 (TPM) 等多种类型的安全功能、音频和视频输入和输出、8 至 12 个 USB 端口,并且支持两通道和四通道 SATA 3.0 存储。典型配件包括各种类型的安装五金件、冷却器和电缆。许多 SBC 还支持子卡以扩展母板未包含的通信标准,少数情况下支持 4G 蜂窝网络。此外,这些 SBC 的制造商还提供了大量技术资源,例如开发板和原型开发套件。
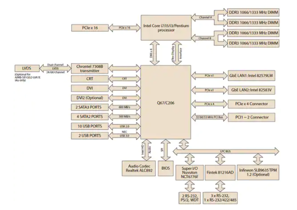
一个基于 Intel 的 SBC 典型示例是 Advantech 的 AIMB-581WG2-00A1E(图 1)。这款 9.6 in.2 板采用 Intel Xeon E3-1275 和 Core i7-2600 处理器,最大支持 32 GB 的 DDR3 内存。另一个示例是 UDOO 的 SC40-2000-0000-C0-V,这款 4.72 in.2 板基于 AMD 四核 2 GHz 的 Ryzen 嵌入式 V1605B CPU,搭载 AMD 的 8 GPU Radeon Vega 8 图形加速器,最大支持 32 GB 的 DDR4-2400 内存和各种大容量存储选项。

图 1:Advantech 的 AIMB-581WG2-00A1E SBC 作为典范,诠释了 SBC 如何将关键功能和扩展功能集成在超小的尺寸内。(图片来源:Advantech)
不同于许多其他工业 SBC,VersaLogic 的 Liger VL-EPM-43SCP-08 使用 Windows 操作系统和 Linux(图 2)。该板采用 PC/104-Plus 4.2 x 3.7 in. 尺寸,可通过堆叠板增加功能。而与以前的 PC/104 版本不同的是,它支持 PCI 总线和 ISA。VL-EPM-43SCP-08 基于 2.8 GHz 的 Intel Core i7-7600U CPU,配备 8 GB 的 DDR3 内存(可扩展至 16 GB)和 SATA 3.0 大容量存储。其他接口包括:microSD 插槽、I2C 接口;RS-232、RS-422 和 RS-435(可选);两个 mini DisplayPort、一个 HDMI 输出,显示分辨率高达 4096 x 2304。另外,该板还符合 MIL-STD-202G 抗振和抗冲击要求。

图 2:VersaLogic 的 VL-EPM-43SCP-08 SBC 运行 Windows 和 Linux,采用 PC/104-Plus 尺寸。(图片来源:VersaLogic)
Digi 则另辟蹊径,使用 ConnectCore 6 系统级模块。该模块基于 NXP Semiconductors 的 i.MX6UL-2 处理器系列,并在单个器件中集成了应用处理器和 Arm Cortex-A7 内核(图 3)。

图 3:ConnectCore 6 系统级模块 (SIM) 基于 NXP 的 iMX6UltraLite 应用处理器,并在单个器件中集成了 SBC 的几乎所有功能。(图片来源:Digi)
ConnectCore 6 SIM 的 CC-SB-WMX-J97C 版本尺寸为 4.7 in.2,提供蓝牙 4 和 Wi-Fi、该公司的 Digi XBee 无线电(基于 IEEE 802.15.4 标准)、蜂窝连接(可选)以及千兆位以太网,支持多种显示器,配有摄像头和扩展连接器(图 4)。

图 4:CC-SB-WMX-J97C SIM 支持多种无线标准和该公司的 XBee 无线电,尺寸为 4.7 in.2。(图片来源:Digi)
SBC 选型注意事项
对于现有的工业物联网系统,设计过程的第一步就是评估公司当前在边缘应用方面的需求,将来又可能会增长多少。后者更多的是一种假设,而不是事实陈述,因为我们不可能准确地预测什么时候会需要用到这些资源。而经验表明,实施了工业物联网的公司最初大多都低估了需求,因此最好的应对方法是假设需求会随着时间的推移而增长。
下一步则是确定所需的基本资源,包括有线和无线连接、支持的大容量存储,以及驱动显示器、音频和视频、面板照明、扬声器所需的输入和输出及其他项目。这些往往都不难,因为具备工业物联网所需性能的 SBC 一般都具有所有这些功能。
另一个需要考虑的因素是能否通过扩展板为 SBC 增加功能。例如,虽然 SBC 大多都集成了 Wi-Fi 和蓝牙收发器,但是许多工业物联网系统采用 Zigbee 和其他可能的短距离无线标准,以及 LoRaWAN、Sigfox 或无线运营商提供的窄带物联网 (NB-IoT) 等低功耗广域网 (LPWAN) 技术。
在软件方面,有多种操作系统可供选择,其中大多数基于 Raspberry Pi 的官方 Raspbian 或各种版本的 Linux。Arduino 的集成开发环境 (IDE) 支持 Windows、macOS 和 Linux。Windows 10 常被排除在外,主要是因为它与 Raspberry Pi 不兼容,而直到最近,工业物联网应用才开始渐渐对这一操作系统感兴趣。
最后,设计人员必须考虑系统安装所在地的环境条件,可能需要加固外壳,又或是需要防水、防污、抗振和抗冲击。
转向 SBC 集群
这些 SBC 虽很有用,但如果设计人员只能使用单一电路板,能够实现的功能毕竟有限。不过,随着应用规模的扩大,也可以扩展电路板。为了创建微型超级计算机,洛斯阿拉莫斯国家实验室 (Los Alamos National Laboratory) 和 NASA 及其他机构就已建立了 SBC 集群。但是,SBC 集群也不会超出工业物联网设计人员的能力范围,40 个节点的 Raspberry Pi 3 Model B 集群就是例证(图 5)。该 40 节点集群基于 40 块 Raspberry Pi 3 Model B,具有 20 GB 内存,最大支持 12 TB 大容量存储,而尺寸仅为 9.9 x 15.5 x 21.8 in。

图 5:该 40 节点集群基于 40 块 Raspberry Pi 3 Model B,具有 20 GB 内存,最大支持 12 TB 大容量存储,而尺寸仅为 9.9 x 15.5 x 21.8 in。(图片来源:LikeMagicAppears!)
此类系统展示了如何基于 Raspberry Pi 及其他架构构建功能强大、可扩展的 SBC 集群以用于工业物联网边缘计算,嵌入式系统开发人员应当引起注意。对于这类应用,Raspberry Pi Model 3B+ 可以提供一个很好的起点。相比传统集群,SBC 集群体积更小、成本更低、功耗更低,因此非常适合边缘应用的有限空间。
事实证明,有多种方法可以在受限的空间内实现较高的性能。例如,Pi Stack 技术将直流电源从单点引入集群,再将电能分配到整个集群(图 6)。这样能减少布线,从而在给定尺寸的空间内安装更多 Raspberry Pi 板。节点间的通信可通过 SBC 配备的以太网接口实现。

图 6:使用 Philip Basford 等人提出的 Pi Stack 构造法构建 SBC 集群。(图片来源:Future Generation Computer Systems)
关于 SBC 集群,最引人瞩目的一点在于它能以低成本使用现成的 SBC、电源和各种外设来提供极高的性能。对于工业物联网边缘计算而言,这一概念方才刚刚引入,却值得仔细考量。
总结
针对工业物联网应用而设计的 SBC 逐渐增多,为需要构建边缘计算平台的设计人员提供了许多极具吸引力的解决方案。只需辅以电源、外壳及一些外设,就能定制出可扩展的高性价比解决方案,以超小的尺寸满足各种操作环境的需求。