时间:2023-03-23 11:08
人气:
作者:admin
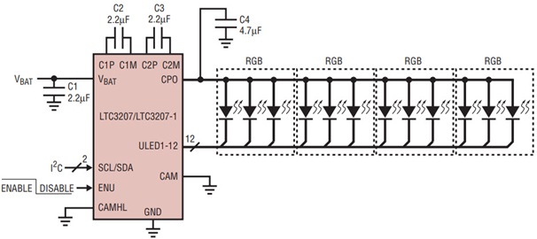
RGB LED可产生多种颜色,包括白色,使其具有高度的通用性。每个RGB LED需要三个驱动器,每个颜色的LED需要一个驱动器。与单个LED驱动器相比,在RGB应用中使用多输出LED驱动器可以节省解决方案的尺寸和成本。LTC3207和LTC3207-1每个都提供12个单独可编程的电流源(通用驱动器)。这使他们能够驱动多达12个白色LED或4个RGB LED,如图1所示。每个通用LED驱动器由一个专用的6位线性DAC控制,该DAC覆盖400µa至28mA的LED输出电流范围。任何未使用的通用或相机输出都可以简单地连接到地,并通过I2C端口保持未编程状态。

图1.一个四 RGB LED 驱动器
LTC3207 和 LTC3207-1 包括驱动 12 个 LED 和一个摄像头 LED 所需的全部功能,包括以下特性:一个具有自动模式复位功能的高功率多模式充电泵、一个用于设置全标度电流的精准内部电流源和电压基准,以及 13 个精准 LED 电流源输出,每个输出均由一个 DAC 和一个 I 控制2C 数据接口。仅需 3207 个小型外部陶瓷电容器。LTC3207 和 LTC1-4 采用小型、扁平的 4mm ×24mm 2 引脚 QFN 塑料封装,并能在 9.5V 至 5.<>V 的输入电压范围内运作。
特征
自动闪烁和渐变减少I2C 总线流量
LTC3207和LTC3207-1具有可大大减少I2C总线流量的功能。通用LED输出可以编程为以高达2.5秒的速率闪烁,与直接I2C控制无关。可以编程从0.25s到1s的渐变时间,以使任何通道的亮度从关到编程电流,并与I2C端口无关地下降到零。
ENU引脚也可用于在设备编程后直接启用独立于I2C端口的通用驱动器。每个通用输出都可以单独编程为渐变或闪烁。每个通用输出也可以由ENU引脚控制。。
大功率电荷泵
两款器件均自动改变电荷泵模式以优化效率。最初,零件以 1x 模式启动。当检测到压差时,表明LED驱动器电压过低,无法维持编程电流,电荷泵将模式更改为1.5倍(4.6V)。随后的压差将电荷泵更改为2倍模式(5.1V)。每当I时,电荷泵自动复位至1x模式2发生 C 写入、渐变已完成、闪烁周期已完成、相机闪光灯已完成或 ENU 变低时。
上电时和电荷泵模式变化之间的软启动可确保低涌入电流。控制飞驰电容器引脚C1M、C1P、C2M和C2P上的回转速率,以使传导噪声和辐射噪声最小化。对于使用电荷泵为外部设备供电的应用,或者当电源电压足够高从而不需要电荷泵时,可以通过I2C端口迫使电荷泵以1x、1.5x或2x模式操作。
串行端口
微控制器兼容的I2C串行端口为LTC3207和LTC3207-1提供所有命令和控制输入。有16个数据寄存器、一个地址寄存器和一个子地址寄存器。最大时钟工作频率为400kHz。这些部件是仅接收(从)设备。通过使用LTC3207或LTC3207-1,可以获得两个I2C地址。
结论
LTC3207和LTC3207-1的小封装和高集成度使这些部件成为广泛LED应用的绝佳选择。闪烁和渐变功能,再加上单独的LED电流控制和简单的LED禁用功能,使这些部件真正通用,极易使用,I2C总线流量最小。
审核编辑:郭婷
上一篇:LED显示屏控制卡有哪些分类?
下一篇:用光耦代替光敏电阻