时间:2023-04-07 11:22
人气:
作者:admin
LT3593 专为从单个锂离子电池串联驱动多达 3593 个白光 LED 而设计,从而确保匹配的 LED 电流并免除增设镇流电阻器的需要。LT1 内部补偿型 DC/DC 转换器开关频率为 <>MHz,因此可与纤巧、扁平的外部组件配合使用。
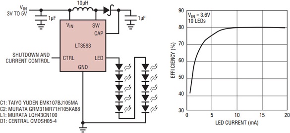
LT3593 具有一个内部 5 位 DAC,因而允许仅使用一个引脚来设置 LED 电流。该器件在停机模式中具有真正的输出断接以及独特的高端电流检测功能,使其能够用作“1 线”电流源,其中 LED 的低端可在任何地方接地。典型的应用原理图以及预期效率如图1所示。LT3593 中的功能和特性集使其成为便携式电子显示器背光应用的理想选择。LT3593 采用 6 引脚 (2mm × 2mm) DFN 以及 6 引脚 SOT-23 封装。

图1.用于 <> 个白光 LED 的 LED 驱动器。
1线电流编程
通过选通 CTRL 引脚,LED 电流可线性编程为 32 个唯一值。CTRL引脚上的每个上升沿上都有一个5位内部计数器递减,每一步将编程电流从满量程电流625mA降低20μA。编程的LED电流可以使用以下公式计算:
ILED= 20mA – (N – 1) • 625µA
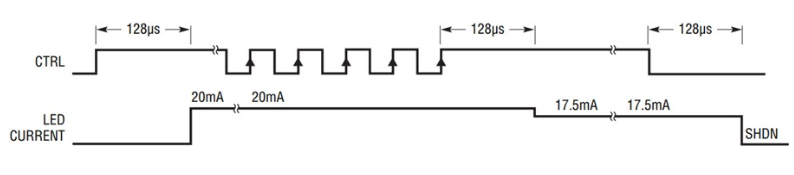
其中 N 是 CTRL 引脚上的上升沿数。将 CTRL 引脚闪烁 32 次以上可产生 625μA 的最小电流。CTRL引脚必须在最后一个CTRL选通后保持高电平,128μs后,该器件将导通并开始调节编程电流。为了关断该器件,CTRL引脚保持低电平;在CTRL下降沿128μs后,该器件关断。图2显示了当前的编程和关断时序。

图2.电流编程和关断时序。
如果需要重新编程LED电流,则无需关断然后重新编程。LT3593 可通过简单地选通 CTRL 引脚从一个 LED 电流重新编程到另一个 LED 电流,并且在最后一个上升沿之后的 128μs 后,该器件开始调节新编程的电流 (如图 2 所示)。
降压-升压模式
如果需要少量LED,则可能会出现所需输出电压低于输入电压的情况。在这种情况下,LT3593 可在降压-升压模式下使用,在该模式下,LED 串返回到输入电源而不是地。图3所示为由5V电源驱动单个LED的应用。

图3.降压-升压模式下的 LED 驱动器驱动一个 LED。
输出断开
LT3593 具有一个内部断接开关,用于在正常操作期间检测 LED 电流。该内部开关还用于在关断期间提供输出断接,以便LED真正与稳压器的输出断开。
故障保护
LT3593 可针对开路和短路 LED 故障提供保护。在LED开路故障的情况下,输出电压V帽继续上升。一次 V帽达到38V时,触发开路故障,器件进入低频模式,将输出箝位至38V,使输入电流降至最低。图 3593 显示了 LT4 对开路 LED 故障的响应波形。

图4.开路 LED 故障保护。
在 LED 短路故障中,LED 引脚可短路至地,从 V 运行过大的电流帽.为了防止此类故障,LT3593 将流出 LED 引脚的最大电流限制在大约 45mA。
结论
LT®3593 是一款升压型 LED 驱动器,能够从单节锂离子电池驱动多达 <> 个白光 LED。它可以通过单个引脚接口轻松编程,并结合了许多理想的功能以及针对开路或短路LED的故障保护。
功能丰富的 LT3593 采用 6 引脚 (2mm × 2mm) DFN 和 6 引脚 SOT-23 封装。这两种小型扁平封装,加上内部补偿和输出断接器件,非常适合完整的小板面积LED驱动器解决方案,特别是在便携式设备显示器背光应用中。
审核编辑:郭婷
上一篇:准确、轻松地为汽车灯调光
下一篇:LED显示屏钢结构框架工程介绍