时间:2023-04-18 11:45
人气:
作者:admin
本应用笔记详细介绍了MAX16833高压高亮度LED驱动器的分步设计过程。这个过程可以加快原型制作速度,并增加一次性成功的机会。给出了一个典型的设计方案,以及基于设计约束的计算示例。讨论了组件选择的权衡。包括一个电子表格计算器 (XLS),以帮助计算外部组件值。本应用笔记重点介绍降压-升压转换器拓扑结构。但是,只要理解基本方程,相同的过程就可以应用于其他拓扑。
介绍
本应用笔记是系列笔记中的第二篇,详细介绍了MAX16833高压高亮度LED驱动器的分步设计过程,以加快原型设计速度,增加一次通过成功的机会。MAX16833为峰值电流模式控制的LED驱动器,能够以几种不同的架构驱动LED串:升压、降压-升压、SEPIC、反激式和高边降压拓扑。本应用笔记第1部分重点介绍降压-升压拓扑。
MAX16833具有多种特性:调光驱动器设计用于驱动外部p沟道MOSFET,极快的PWM电流切换至LED,无瞬态过压或欠压,模拟调光,100kHz至1MHz之间的可编程开关频率,以及用于频率抖动的斜坡输出或电压基准,用于精确设置LED电流,只需很少的外部元件。
对于第 2 部分中的设计示例,以 4A 的恒定电流驱动 1 个 LED 串。假设每个LED的典型正向压降为3V,动态电阻为0.2Ω。还假设LED驱动器电路直接由汽车电池供电,其典型电压为12V,但可以在6V至16V之间变化。由于LED灯串电压在输入电压范围内,因此选择降压-升压配置。

图1.典型工作电路。
电感器选择(降压-升压)
为了选择合适的电感值,必须首先计算最大占空比:
![]() |
(公式1) |
其中VLED是以伏特为单位的LED串的正向电压,VD是整流二极管的正向压降(约0.6V),VIMIN是以伏特为单位的最小输入电源电压,VFET是以伏特为单位的开关MOSFET导通时的平均漏源电压(最初假设为0.2V)。
最大占空比和LED电流决定了平均电感电流。
![]() |
(公式2) |
峰值电感电流定义如下:
![]() |
(公式3) |
其中 ΔIL是以安培为单位的峰峰值电感电流纹波。
最后,可以计算出最小电感值:
![]() |
(公式4) |
下面是基于引言中概述的设计问题的数值示例。选择电感电流纹波为50%。较低的纹波电流需要更大(通常更昂贵)的电感。更高的纹波电流需要更多的斜率补偿和更大的输入电容。
![]() |
(公式5) |
![]() |
(公式6) |
![]() |
(公式7) |
![]() |
(公式8) |
确定最小电感值后,必须选择接近L的实际电感值最低尽可能不下水。使用所选电感值重新计算峰值电感电流和纹波。这些数字对于以后的其他计算是必需的。
| L实际= 8.2μH | (公式9) |
![]() |
(公式10) |
![]() |
(公式11) |
确保所选电感的额定电流高于ILP.通常,电感峰值电流使用20%裕量。
开关场效应管选择
选择额定承受最大输出电压的开关 MOSFET。
| VDS = (VLED + VINMAX + VD) × 1.2 | (公式12) |
保证金包括系数 1.2。
开关 MOSFET 的额定值也必须能够处理最大 RMS 电流。
![]() |
(公式13) |
我在哪里数字版权管理系统是开关 MOSFET 的漏极有效值电流,单位为安培。
整流二极管选择
整流二极管可能是导致整体功率损耗的主要原因。选择具有低正向压降的肖特基二极管,该二极管的额定值可处理平均LED电流。
| ID = ILAVG × (1 - DMAX) × 1.2 | (公式14) |
保证金包括系数 1.2。
此外,请确保肖特基二极管的反向电压额定值比 (V发光二极管+ V英马克斯),二极管两端的最大预期反向电压。
调光场效应管选择
选择在工作温度比 LED 电流高 30% 时具有连续额定电流的调光 MOSFET。调光 MOSFET 的漏源电压额定值必须比 V 高 20%发光二极管.
输入电容选择
在降压-升压转换器中,输入电流是连续的(假设输出电容接地;参见输出电容连接部分),因此RMS纹波电流很低。大容量电容和ESR都会影响输入纹波。假设大容量电容和ESR的纹波贡献相等,如果铝电解电容和陶瓷电容器并联使用。如果仅使用陶瓷电容器,则大部分输入纹波来自大容量电容(因为陶瓷电容器具有非常低的ESR)。使用公式15和16计算最小输入大容量电容和最大ESR:
![]() |
(公式15) |
其中 ΔVQ_IN是电容放电引起的输入纹波部分。
![]() |
(公式16) |
其中 ΔVESR_IN是ESR引起的输入纹波。
假设可以容忍最大120mV的输入纹波(V的2%)英明).此外,假设该输入纹波的95%来自大容量电容。如果实际组件不容易获得计算值,则可能需要重新考虑此假设。根据规定的设计规格,输入电容的计算方法如下:
![]() |
(公式17) |
![]() |
(公式18) |
并联使用两个 4.7μF 电容器,以实现 7.5μF 的最小大容量电容。确保所选电容器在工作电压下满足最小大容量电容要求(电容会随着陶瓷电容器电压的变化而大幅降低)。
输出电容器选择
输出电容器的目的是在开关 MOSFET 导通时减小 LED 的输出纹波和源电流。大容量电容和ESR都会影响总输出电压纹波。如果使用陶瓷电容器,大部分纹波来自大容量电容。使用公式19计算所需的大容量电容:
![]() |
(公式19) |
其中 ΔVQ_OUT是电容器放电引起的输出纹波部分。
剩余纹波,ΔVESR_OUT,来自输出电容ESR,其计算公式如下:
![]() |
(公式20) |
要确定允许的总输出纹波,请将允许的LED电流纹波乘以LED串的动态阻抗。LED的动态阻抗定义为工作LED电流下的ΔV/ΔI,可通过LED数据手册中的I-V曲线确定。如果LED数据手册中未提供I-V曲线,则必须手动测量。
并联使用多个陶瓷电容器,以降低大容量输出电容的有效ESR和ESL。
在PWM调光期间,陶瓷输出电容可能会产生一些可闻噪声。为了降低这种噪声,将电解电容器或钽电容器与陶瓷电容器结合使用,以提供所需的大部分大容量电容。也可以使用低噪声陶瓷电容器。1
假设最大 LED 电流纹波为 0.1 × I发光二极管.此外,假设所选 LED 的动态阻抗为 0.2Ω(0 个 LED 串的总阻抗为 8.4Ω)。然后按如下方式计算总输出电压纹波:
| VOUTRIPPLE = 0.1A × 0.8Ω = 80mV | (公式21) |
假设大容量电容的纹波贡献为95%,输出电容的计算公式如下:
![]() |
(公式22) |
![]() |
(公式23) |
并联使用三个 10μF 电容器和一个 4.7μF 电容器,以实现 30μF 的最小输出电容。 确保所选电容器在工作电压下满足最小大容量电容要求(电容会随着陶瓷电容器电压的变化而大幅降低)。
过压保护
如果 LED 开路,转换器会尝试增加输出电压以达到所需的 LED 电流。这意味着输出电压可能接近不安全的水平。提供OVP输入以检测过压情况并限制输出电压。如果 V过压保护超过1.23V,NDRV强制低电平,直到V过压保护放电至1.16V。
对于降压-升压配置,输出电压等于输入电压加上LED电压。五世OV选择的跳变点应高于正常工作期间预期的最大输出电压。
| VOV > VINMAX + VLEDMAX | (公式24) |
![]() |
(公式25) |
对于此设计示例,假设 VOV需要 42V。选择 ROVP2为10kΩ,则
![]() |
(公式26) |
电流检测
MAX16833为电流模式控制的LED驱动器,这意味着电感电流和LED电流的信息被反馈到环路中。
LED 电流感应
LED 电流由串联高边检流电阻器或施加到 ICTRL 输入端的电压进行设置。
如果 VICTRL > 1.23V,则内部基准将RCS_LED两端的电压调节至 200mV(VISENSE+ - VISENSE-)。因此,检流电阻RCS_LED设置LED电流。
![]() |
(公式27) |
如果 VICTRL<1.23V,则LED电流由RCS_LED和 VICTRL.这允许LED通过模拟电压调暗。
![]() |
(公式28) |
请注意,当 VICTRL= 1.23V,两个方程相同。
开关 FET 电流检测和斜率补偿
当占空比大于50%时,负载瞬态会导致次谐波振荡和环路不稳定,而无需斜率补偿。为了保持环路稳定,添加一个电阻(R南卡罗来纳州从CS到开关MOSFET的源极)。MAX16833内部有一个电流源,通过R供电电流南卡罗来纳州创建电压 V南卡罗来纳州.该电压与R两端的电压相加CS_FET并将结果与参考进行比较。
| VCS = VSC + VCS_FET | (公式29) |
保持稳定性所需的最小斜率补偿电压为:
| VSCMIN = 0.5 × (inductor current downslope - inductor current upslope) × RCS_FET | (Eq. 30) |
RCS_FET,FET 电流检测电阻同时具有开关 MOSFET 电流和流过它的斜率补偿电流。

图2.斜率补偿。
斜率补偿电压定义如下:
![]() |
(Eq. 31) |
为了计算最小必要的斜率补偿电压,假设最小电源电压和最小电感值:
![]() |
(Eq. 32) |
![]() |
(Eq. 33) |
因此:
![]() |
(Eq. 34) |
包括系数 1.5 以提供足够的保证金。
![]() |
(Eq. 35) |
确定RCS_FET后,RSC 的计算方法如下:
![]() |
(Eq. 36) |
根据规定的设计规格,斜率补偿和检流电阻的计算方法如下:
![]() |
(Eq. 37) |
![]() |
(Eq. 38) |
最接近的标准电阻值为75mΩ。
![]() |
(Eq. 39) |
误差放大器补偿
在降压-升压配置中,开关转换器具有右半平面(RHP)零点,导致环路不稳定。环路补偿的目标是确保环路增益>0dB(和足够的相位裕量)的相移小于180°。通过增加左半平面(LHP)极点,环路增益可以在大约1/5 fZRHP时滚降到0dB,并且可以避免RHP零点引起的不稳定。误差放大器必须进行补偿,以确保在所有预期的工作条件下变化下的环路稳定性。最坏情况下的 RHP 零频率计算如下:
![]() |
(Eq. 40) |
开关转换器的输出端还有一个极点。输出极点fP2的计算公式如下:
![]() |
(Eq. 41) |
其中,COUT是上面计算的大容量输出电容,ROUT是有效输出阻抗。
![]() |
(Eq. 42) |
其中 RLED 是 LED 串在工作电流下的动态阻抗,单位为欧姆。
通过从 COMP 到 SGND 添加串联电阻和电容(RCOMP 和 CCOMP)来补偿环路。RCOMP设置交越频率,CCOMP设置积分器零频率。为获得最佳性能,请使用以下公式:
![]() |
(Eq. 43) |
![]() |
(公式44) |
CCOMP和误差放大器的输出阻抗根据以下公式设置主极点频率:
![]() |
(公式45) |
假设 ROUTEA 比 RCOMP 大得多。MAX16833数据资料中未指定ROUTEA,但可以根据误差放大器的跨导和开环增益计算得出。首先,将75dB的开环增益从分贝转换为伏特/伏特。
![]() |
(公式46) |
然后ROUTEA可以按如下方式计算:
![]() |
(公式47) |
以下设计示例:
![]() |
(公式48) |
![]() |
(公式49) |
![]() |
(公式50) |
![]() |
(公式51) |
最接近的标准电阻值为82Ω。
![]() |
(公式52) |
最接近的标准电容值为0.47μF。
![]() |
(公式53) |
环路响应和相位裕量
我们可以近似相位裕量(ΦM) 如下:
![]() |
(公式54) |
通过将交越频率设置为 f 的 1/5中联,将积分器零 (f子) 在 f 处小二,并假设 f小二远小于 fC,则公式简化为以下内容:
| ΦM = 90° - tan-1(0.2) = 79° | (公式55) |
图3显示了基于上述外部元件选择的仿真波特图。交越频率为5.5kHz,相位裕量为79°。交越频率略低于手动计算值,但完全在预期范围内。

图3.波特图模拟。
计算和仿真环路响应既是设计HB LED驱动器原型的好主意,也是重要步骤。但是,在原型组装完成后,还应在实验室中验证环路响应。
使用网络分析仪和变压器将小信号注入环路并测量响应。有关典型的增益和相位测量设置,请参见图4。

图4.用于测量环路增益和相位响应的设置。
交流信号需要注入小电阻上的反馈路径,并在电阻的两侧进行测量。由于该设计已经有一个100Ω电阻与ISENSE输入串联,因此无需断开环路。交流信号可以在100Ω电阻两端注入。
环路响应应在满载电流下进行,并且没有模拟或PWM调光,因此请确保PWMDIM和ICTRL在测试期间都很高。此外,测量应以最低预期输入电压进行。
检查以确保网络分析仪测量的交越频率和相位裕量接近计算值。
设计电路以适应多种应用
很多时候,不希望为每个应用进行新设计。如果两个应用之间的差异很小,系统设计人员可以选择在两个应用中使用相同的电路,并接受随之而来的性能权衡。
建议设计人员评估并了解其电路在所有不同条件下的行为。这些条件包括最小和最大输入电压范围、被驱动 LED 的最小和最大数量、LED 串的阴极是连接到 GND(升压)还是 IN(降压-升压)等。
使用提供的电子表格计算器 (XLS),可以轻松插入上述方案,并查看哪一个指示最小组件值。

图5.MAX16833通用方案,支持升压或降压-升压配置。
输出电容连接
降压-升压LED驱动器的输出电容通常从肖特基二极管的阴极连接到PGND。但是,输出电容也可以从肖特基二极管的阴极连接到V在.图6显示了连接降压-升压LED驱动器输出电容的两个选项。选项 A 是标准方法,通常可提供最佳的 EMI 性能。但是,由于LED阴极连接到输入端,因此LED电压容易受到线路瞬态条件的影响。通过在LED两端连接输出电容,可以降低线路瞬态脆弱性。选项B的缺点是将输入电流从连续变为不连续,从而增加输入上的电压纹波并损害EMI性能。

图6.用于连接降压-升压 LED 驱动器输出电容的两种不同选项。
结论
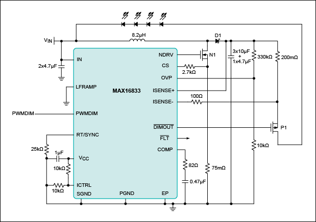
完整的降压-升压LED驱动器原理图如图7所示。通过遵循本应用笔记中概述的分步设计流程,可以在项目的调试和测试阶段节省大量时间。

图7.基于示例计算的典型应用电路。
审核编辑:郭婷