时间:2023-01-25 16:20
人气:
作者:admin
大功率LED灯有很多应用,从应急灯到一些昂贵汽车的前灯。这些微小的东西照亮了我们期望的很多区域,在本教程中,我们将了解使用一个是多么容易,以及我们如何设计自己的电路来根据工作电流驱动此类 LED。
所以让我们开始吧.....
所需材料:
大功率发光二极管
LM317
所需值的电阻器
面包板
为什么我们需要LED驱动器电路?
在我们深入研究这个项目之前,重要的是要了解为什么应该使用LED驱动器电路为LED供电。LED也可以直接从合适的电源供电,但在大多数情况下,LED会泵入比其处理能力更多的电流,最终被破坏。因此,我们使用驱动器电路来限制通过LED的电流。LED 可以消耗的电流量将在该 LED 的数据表中提及。在本文中,我将向您介绍如何使用 LM317 IC 作为限流器,根据电流限制设计电路。
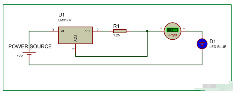
电路图及说明:
大功率LED驱动器的电路图如下图所示。

如您所见,驱动器只有一个LM317 IC和一个电阻器。上述电路设计用于驱动0.2A的LED。该额定电流由电路中的电阻R1固定。
确定电流的公式为
I = Vref/R1,其中,LM317 的 Vref 为 1.25V。所以
I = 1.25/5.5
I = 0.227 安培
如LED驱动器电路图所示,对于5.5欧姆的电阻值,LED吸收的电流限制为0.23A。
您可以使用相同的公式并计算所需额定电流的电阻值,我计算了下表中的几个电流值作为示例。

对于该电路,电阻的额定功率对于计算也非常重要。因为通过这些电阻的电流很高。如表中所示,如果我们设计一个 1A 的电路,那么我们应该只使用 2 瓦的电阻器,否则电阻器将被损坏。
电阻器的瓦数值可以使用以下简单公式计算
P = I2R
其中,I是通过电阻的电流,R是电阻。
在 1A 的情况下,电阻所需的功率为
P = 1*1*1.25 = 1.25瓦
LED驱动电路工作原理:
了解电路后,您可以计算LED所需的额定电流,并将其构建在面包板上进行测试。我的电路在面包板上构建后如下所示。

由于我没有 5.5 欧姆电阻器,我并联使用四个 22 欧姆电阻器来获得一个 5.5 欧姆 2Watts 电阻器。大多数情况下,即使您可能也希望这样做,因为电阻值不是标准值。在这些情况下,只需尝试一些串联或并联组合即可获得所需的电阻和额定功率。