时间:2022-08-16 15:24
人气:
作者:admin
白光LED照明电路采用白色发光二极管作为电光源。LED照明灯可以说是本世纪最有发展前途的电光源之一,由于LED固体电光源具有绿色环保、节能高效的明显优点,LED照明电路的应用也越来越广泛。
LED台灯电路
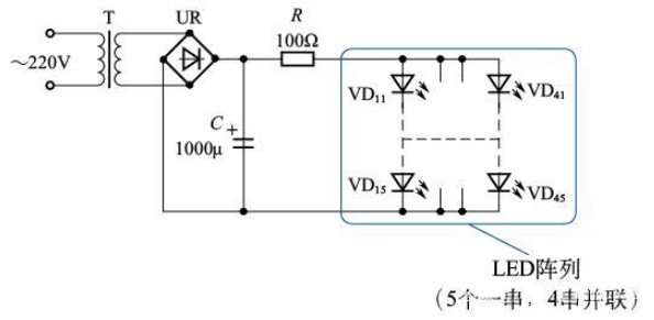
利用多个白光LED组成LED阵列,即可构成LED台灯。图2-33所示为LED台灯电路,电路中采用了20个高亮度白光LED组成发光阵列,照明效果良好。

图2-33 LED台灯电路
(1)白光LED的发光原理
LED(发光二极管)是一种将电能直接转换成光能的半导体器件。早期的LED主要用作电子设备的指示灯。白光LED的开发成功,使得LED照明成为现实。
白光LED的基本结构如图2-34所示,由蓝光LED芯片与黄色荧光粉复合而成。蓝光LED芯片在通过足够的正向电流时会发出蓝光,这些蓝光一部分被荧光粉吸收激发荧光粉发出黄光,另一部分蓝光与荧光粉发出的黄光混合,最终得到白光。

图2-34 白光LED基本结构
(2)驱动电路
电源变压器T和整流桥堆UR构成整流电路,将220V市电整流为18V直流电压,再经 C 滤波后作为照明电源。
20个LED每5个串联成一串,共4串并联,组成台灯的照明阵列。这样安排的好处,一是5个LED串联的总电流与一个LED的电流相等,有利于降低总电流;二是4串LED并联,如果有LED损坏,不影响其他串LED继续照明。
(3)恒流供电
为了进一步提高照明质量和效果,可以对LED照明阵列实行恒流供电。图2-35所示为具有恒流源的LED台灯电路,场效应管VT与电阻 R 构成恒流源。

图2-35 具有恒流源的LED台灯电路
结型场效应管可以方便地构成恒流源,如图2-36所示。恒流原理是,如果通过场效应管的漏极电流 I D 因故增大,源极电阻 R S 上形成的负栅压也随之增大,迫使 I D 回落;如果通过场效应管的漏极电流 I D 因故减小,源极电阻 R S 上形成的负栅压也随之减小,迫使 I D 回升,最终使电流 I D 保持恒定。恒定电流 I D =

,式中 U p 为场效应管的夹断电压。

图2-36 场效应管恒流源
我们知道,LED是电流驱动型器件,电流的变化会影响LED的发光强度和光色。采用恒流源供电后,电源电压的波动将不再影响LED的驱动电流,LED的发光强度和光色得到稳定,照明质量和效果大大改善。
LED路灯电路
图2-41所示为节能环保的LED路灯电路,采用电容降压全波整流电源电路,200个白光LED组成照明LED阵列。

图2-41 LED路灯电路
电路中, C 1 是降压限流电容,UR是整流全桥, C 2 是滤波电容, R 是LED的限流电阻,FU是熔断器,S是电源开关。该电路简洁、可靠、效率高,工作原理如下。交流220V市电经 C 1 降压限流、UR全波整流、 C 2 滤波后,成为直流电压驱动LED阵列发光。
LED阵列的安排是,在空间排列上为20个×10列;在电气连接上每100个LED相串联,共两串再并联。这样连接的优点是充分利用电容降压整流电源的空载电压高、输出电流较小的特性,100个LED串联后管压降是单个LED的100倍,而工作电流与单个LED相同,提高了电源利用率,降低了总电流。
LED手电筒电路
LED手电筒是一种节能环保的便携式照明设备,它的前端安装有5~8个白光LED作为电光源,使用电池供电。
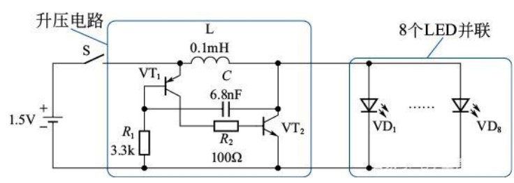
1.5V手电筒仅用一节电池供电,体积小、重量轻。由于LED自身具有近2V的管压降,1.5V并不能正常点亮LED,因此升压电路是必需的。图2-42所示为具有升压功能的1.5V手电筒电路。

图2-42 1.5V手电筒电路
PNP晶体管VT 1 、NPN晶体管VT 2 、储能电感L、反馈电容 C 、电阻 R 1 和 R 2 等构成升压电路,将电池提供的1.5V电压升压为3V电压,驱动LED发光。VD 1 ~VD 8 为8个高亮度白光LED。
电路是利用储能电感L的自感电动势实现升压的,现在我们来分析升压电路的工作原理。
接通电源后,PNP晶体管VT 1 因 R 1 提供基极偏流而导通,进而通过 R 2 使VT 2 也导通,将电感L和电容 C 的右端接电源负端。由于电容 C 两端电压不能突变,致使VT 1 (PNP管)因基极电位更低而进入深度饱和状态,并向VT 2 提供更大的基极偏流使其也进入深度饱和状态。这时1.5V电源经VT 1 发射极-基极向 C 充电。
随着 C 充电的完成,VT 1 (PNP管)因基极电位升高而退出饱和状态,并使VT 2 也退出饱和状态,VT 2 集电极电位升高又通过 C 反馈到VT 1 基极,导致两管迅速截止, C 开始放电。随着 C 放电的完成,两管退出截止,电路又回到初始状态。
如此周而复始形成振荡,晶体管VT 2 不断地导通、截止。在VT 2 导通时,电流流经电感L使其储能。在VT 2 截止时,电感L产生自感电动势,与1.5V电源电压叠加使LED发光。
太阳能LED手电筒电路
太阳能LED手电筒利用光伏电池产生电能,储存于镍氢电池中,供白光LED照明用,是一种几乎不消耗能源的绿色清洁照明设备。图2-46所示为太阳能LED手电筒电路,采用6个高亮度白光LED作为电光源,两节镍氢电池组成蓄电池组。

图2-46 太阳能LED手电筒电路
在阳光照射下,光伏电池BP产生电能,经二极管VD 7 向蓄电池组GB充电。由于光伏电池产生的电流很小,属于涓流充电,因此省去了充电限流控制电路。VD 7 的作用是防止无光照时蓄电池组的电能向光伏电池倒流。
打开电源开关S后,蓄电池组GB便向白光LED(VD 1 ~VD 6 )供电使其发光照明。 R 是VD 1 ~VD 6 的限流电阻。太阳能LED手电筒在阳光、灯光下均能充电,甚至在阴雨天的光照下也能充电,使用十分方便。
LED应急灯
应急灯的功能是在市电电源发生故障而失去照明时,自动提供临时的应急照明。LED应急灯具有启动快、效率高的特点,广泛应用于机关、学校、商场、展览馆、影剧院、车站码头和机场等公共场所的应急照明。
图2-47所示为LED应急灯电路图,包括整流电源、充电电路、市电检测、光控、电子开关和LED照明灯等组成部分,图2-48所示为LED应急灯方框图。

图2-47 LED应急灯电路图

图2-48 LED应急灯方框图
(1)整流电源与充电电路
电源变压器T、整流全桥UR和滤波电容 C 1 组成整流电源电路,将交流220V市电转换为9V直流电压,经 R 3 、VD 1 向6V蓄电池GB充电。 R 3 是充电限流电阻,VD 1 的作用是在市电停电时阻止蓄电池向整流电路倒灌电流。
(2)检测与控制电路
控制电路的核心是高速开关集成电路TWH8778(IC),其内部设有过压、过流、过热等保护电路,具有开启电压低、开关速度快、通用性强、外围电路简单的特点,并可方便地连接电压控制和光控等,特别适合电路的自动控制。
TWH8778的第1脚为输入端,第2脚为输出端,第5脚为控制端。当控制端有1.6V以上的开启电压时,TWH8778导通,电源电压从第2脚输出至后续电路。电阻 R 4 、 R 5 将输入端电压分压后,作为控制端的开启电压。
电阻 R 1 、 R 2 和晶体管VT 1 组成市电检测电路。市电正常时,滤波电容 C 1 上的9V直流电压经 R 1 、 R 2 分压后,使晶体管VT 1 导通,将 R 5 上的开启电压短路到地,TWH8778因无开启电压而截止。市电因故停电时,晶体管VT 1 因无基极偏压而截止, R 5 上的开启电压使TWH8778导通。
光敏晶体管VT 2 构成光控电路。白天光敏晶体管VT 2 有光照而导通,将 R 5 上的开启电压短路到地,TWH8778因无开启电压而截止。夜晚光敏晶体管VT 2 无光照而截止, R 5 上的开启电压使TWH8778导通。
(3)LED照明光源
6个高亮度白光LED(VD 2 ~VD 7 )组成照明灯,受电子开关TWH8778控制。在市电检测电路和光控电路的共同作用下,市电正常时应急灯不亮,蓄电池充电。白天市电断电时应急灯仍不亮。只有在夜晚市电断电时,电子开关TWH8778导通,应急灯才点亮。