时间:2022-08-25 14:46
人气:
作者:admin
我们可以将音量计视为音乐系统中存在的均衡器。在其中我们可以看到根据音乐跳舞的灯光 (LED),如果音乐响亮,均衡器会达到其峰值,而在低音乐中它会保持低电平。我们还构建了一个音量表或VU 表,在 MIC、OP-AMP和 LM3914 的帮助下,它根据声音的强度点亮 LED,如果声音低,较小的 LED 会发光,如果声音高更多LED 会发光,最后检查视频。VU 计也可用作体积测量设备。
电容式麦克风或麦克风是一种声音传感换能器,它基本上将声能转换为电能,因此使用这种传感器,我们可以将声音作为电压变化。我们通常通过这个设备记录或感知声音。该传感器用于所有手机和笔记本电脑。典型的 MIC 看起来像,

确定电容麦克风的极性:
MIC有两个端子,一个是正极,另一个是负极。可以使用万用表找到麦克风极性。将万用表的正极探头(将仪表置于二极管测试模式)将其连接到 MIC 的一个端子,将负极探头连接到 MIC 的另一端子。如果您在屏幕上获得读数,则正极 (MIC) 端子位于万用表的负极端子。或者你可以简单地通过查看找到端子,负极端子有两个或三个焊接线,连接到麦克风的金属外壳。这种从负极端子到其金属外壳的连接性也可以使用连续性测试仪进行测试,以找出负极端子。
所需组件:
运算放大器 LM358 和 LM3914(10 位比较器)和一个 MIC(见上文)

100KΩ电阻(2个),1K Ω电阻(3个),10KΩ电阻,47KΩ电位器,

100nF电容(2个),1000µF电容,10个LED,

面包板和一些连接线。
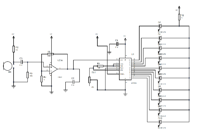
电路图和工作说明:
VU表的电路图如下图所示,

VU表电路工作简单;首先,MIC 拾取声音并将其转换为与声音强度成线性关系的电压电平。因此,对于较高的声音,我们将具有较高的值,而对于较低的声音,我们将具有较低的值。然后将这些电压信号馈入高通滤波器以滤除噪声,然后将滤波后的信号通过运放LM358放大,最后将这些滤波和放大的信号馈入LM3914,LM3914用作电压表并根据发光二极管发光声音的强度。现在我们将逐一解释每个步骤:
1. 使用高通滤波器去除噪音:
MIC 对声音和环境噪音非常敏感。如果不采取某些措施,放大器会随着音乐放大噪音,这是不可取的。因此,在进行放大器之前,我们将使用高通滤波器滤除噪声。这里的这个滤波器是一个无源 RC 滤波器(电阻-电容)。它易于设计,由单个电阻器和单个电容器组成。
由于我们正在测量音频范围,因此必须准确设计滤波器。设计电路时必须牢记高通滤波器的截止频率。高通滤波器允许从输入到输出的高频信号通过,换句话说,它只允许频率高于滤波器规定频率(截止频率)的信号通过。电路中显示了一个高通滤波器。

人耳可以选择 2-2Khz 的频率。因此,我们将设计一个截止频率在 10-20Hz 范围内的高通滤波器。
高通滤波器的截止频率可以通过公式找到,
F = 1/ (2πRC)
通过这个公式,我们可以找到所选截止频率的 R 和 C 值。这里我们需要一个介于 10-20 Hz 之间的截止频率。
现在对于值或 R = 100KΩ,C = 100nF,我们将在 16Hz 附近设置截止频率,它只允许频率高于 16Hz 的信号出现在输出端。这些电阻器和电容器值不是强制性的,可以使用方程式来获得更好的精度或便于选择。
2、声音信号的放大:
去除噪声元素后,信号被馈送到运算放大器 LM358 进行放大。OP_AMP 代表“运算放大器”。这由带有三个 IO(输入输出)引脚的三角形符号表示。我们不打算在这里详细讨论这个问题。您可以通过LM358 电路了解更多详细信息。在这里,我们将使用运算放大器作为负反馈放大器来放大来自 MIC 的低幅度信号,并将它们带到可以被 LM3914 拾取的水平。
负反馈连接的典型运算放大器如下图所示。

输出电压的公式为
Vout = Vin ((R1+R2)/R2)。通过这个公式,我们可以选择放大器的增益。
对于 µVolts 的 MIC 信号,我们不能将其直接馈送到电压表进行读取,因为电压表实际上不可能选择这些低电压。使用增益为 100 的运算放大器,我们可以放大来自 MIC 的信号,并将其进一步馈送到电压表。
3. 使用 LED 直观表示声级:
所以现在我们有了过滤和放大的音频信号。来自运算放大器的经过滤波的放大音频信号被提供给LM3914 芯片 LED 电压表,用于测量音频信号的强度。LM3914 是一款根据声音/电压强度驱动 10 个 LED 的芯片。该 IC 根据输入电压值以 LED 照明的形式提供十进制输出。最大测量输入电压取决于参考电压和电源电压。这个单芯片设备可以通过某种方式进行调整,我们可以通过这种方式对运算放大器的模拟值进行可视化表示。
LM3914芯片有很多特点,可以修改成电池保护电路和电流表电路。但这里我们只讨论有助于我们构建电压表的功能。
LM3914 是一个 10 级电压表,这意味着它可以显示 10 位模式的变化。芯片将测量输入电压作为参数进行感应,并与参考电压进行比较。假设我们选择“V”作为参考,现在每当测量输入电压上升“V/10”时,我们就会有一个更高值的 LED 发光。就像我们给“V/10”,LED1会发光,如果我们给“2V/10”,LED2会发光,如果我们给“8V/10”,LED8会发光。因此,音乐音量越大,视觉 LED 显示越多(LED 发光越多)。
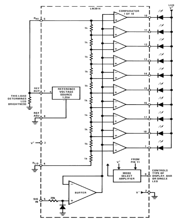
电路中的LM3914 IC:
LM3914的内部电路如下图所示。LM3914基本上是10个比较器的组合。每个比较器都是一个运算放大器,在其负端获得参考电压。

正如所讨论的,应根据最大测量值选择参考值。OP_AMP 的输出最大为 0-4V。所以我们需要选择LM3914的参考电压为4V。
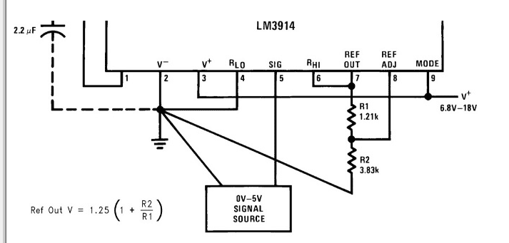
参考电压由连接在 LM3914 的 RefADJ 引脚上的两个电阻器选择,如下图所示。下图也给出了有关参考电压的公式(取自其数据表),

现在,基于电阻分压的电压参考存在一个问题,它在某种程度上取决于电源电压。所以我们用一个47KΩ的电位器代替了恒定电阻R2,如电路图所示。锅就位后,我们可以根据方便调整参考。
以 4V 为基准,根据声音强度每增加 0.4V,高意义的 LED 就会亮起。LED 的测量级别如下:
+0.4V、+0.8V、+1.2V、+1.6V、+2.0V、+2.4V、+2.8V、+3.2V、+3.6V、+4.0V。
所以在 Nutshell 中,当有声音时,MIC 会产生代表这些声波幅度的电压,这些来自 MIC 的信号会被 RC 滤波器过滤。滤波后的信号被馈送到运算放大器 LM358 进行放大。这些滤波和放大的 MIC 信号被提供给电压表 LM3914。LM3914 比较器电压表根据给定信号的强度点亮 LED。因此我们有了声音测量仪器,还有音量计。
上一篇:Mini LED制造流程挑战
下一篇:LED选型指南