时间:2022-07-26 10:23
人气:
作者:admin
所谓智能照明,从本质上讲,就是对人们开关电灯的方式进行的一次革命,将传统上由人完成的开关操作变成了一个自动化的过程,让照明系统根据预先设定的条件自行开关或调节明暗,甚至是引入人工智能(AI),让照明系统基于数据洞察进行更智能地自我调控,尽可能地实现按需照明的理想状态,达成节能增效的终极目标。


图:全球智能照明和联网控制系统的销售额预计将从2018年的100亿美元增长到2023年的210亿美元(资料来源:Omdia)
从上面的定义不难看出,构建智能照明系统,有两个核心的要素:一个是电能的传输,一个是数据的传输——前者要确保尽可能高效地利用电能,驱动LED照明灯具;后者则是要建立通畅的关键数据上传和控制指令下达通路,以形成一个完整的自动化控制闭环。
按照这样的构想,一种典型的智能照明系统的设计思路是:利用市电网络进行电力传输为LED灯具供电,同时通过无线通信网络建立起数据通道,这样就能够快速对每一个照明节点进行智能化改造。
但是这种方案并非在任何场景下都适用——比如在无线通信受限的情况下就无法使用;再有如果节点数量多、覆盖范围广,也会给无线互连网络的部署带来挑战。在这样的情况下,PoE(以太网供电)照明就成了实现智能照明一种不可或缺的技术路径。
不断发展的PoE标准
大家对于PoE技术并不陌生,简而言之,这就是一种通过一条以太网电缆(通常为Cat5e)同时实现电源和数据传输的技术。开发PoE这样一种技术的初衷,就是为了让低功耗的外设能够从中央集线器获得电力而无需额外的电源布线,这样就可以规避在建筑物内运行主电源涉及的复杂性、成本和合规性等问题。
首个PoE标准(IEEE 802.3af)是在2003年推出的,其目的是为IP电话、接入点和传感器等设备提供15.4W的功率,而实际上由于电缆损耗,每个外设的可用功率仅有13.0W左右。随着PoE应用的发展,这样的功率水平显然是偏保守了。
于是在2009年,PoE标准的第二个版本IEEE 802.3at发布(也被称为PoE+),其在供电设备端能够输出30W的电力,受电设备可以输入的电力也增加到了25W,这就可以支持为更复杂的设备供电,并为平板电脑等小型设备充电了。
2018年,PoE标准又迎来了新一次的升级,新的IEEE 802.3bt标准分为Type 3(PoE++ / UPoE)和Type 4(High-Power PoE,高功率PoE)两类,前者在供电端口可提供高达60W的功率,后者提供的功率则可以达到90W以上。


表:PoE标准及特性
(资料来源:安森美)
这样的功率传输能力,显然可以让PoE延伸到更多的应用场景中,智能照明自然是其中重要的一个领域。


图:全球PoE设备的部署情况,照明领域增势明显
(图源:安森美)
PoE智能照明的优势
基于PoE的照明系统,能够提供的优势显而易见。
高效率
PoE使用以太网络通过一条电缆同时传输数据和直流电源,也就意味着无需进行交流到直流的电源转换,这无疑有利于提高电源系统整体的效率。
低成本
由于具有低电压和即插即用的特性,PoE安装和维护成本通常比传统照明系统要低。比如PoE减少了对更粗、更重铜质电缆的需求,也无需专门的穿墙打洞去布设电源网络,可以大大减少材料和安装部署成本。有测算表明,PoE照明系统与传统照明系统相比,可以为令用户节省25%到30%的费用。
更安全
因为PoE总线电压在大多数场景中都可以保持在60V直流安全电压阈值以下,因此避免了交流电源高电压的危险性(如触电和火灾),使用起来也更为安全。
易扩展
由于可以基于以太网传输数据,PoE照明系统的控制端可通过本地网络进行设置,足够高的功率也能够支持在照明灯具节点端添加更多的传感模块,感知环境光、房间占用情况等与照明控制相关的信息,也可以整合温度、湿度和空气质量等传感器,为整个家居或建筑的数据洞察提供便利。
支持VLC
基于PoE照明系统,还可以延展出一个极具前景的应用——可见光通信(VLC)和定位。顾名思义,VLC就是一种以可见光为媒介传输数据流的技术,对于那些对射频无线干扰特别敏感的区域(如医院或飞机上),VLC在实现无线通信方面具有特殊的价值。在VLC基础上还可以发展出室内定位应用——每个灯具都有自己独特的代码,通过以人眼无法察觉的频率调制光线来广播,由此智能手机或其他配备有摄像头和相关应用程序的设备能够对三个或更多灯具的距离进行三角测量,并计算出位置,这种定位精度能够小于30厘米,可以应用在自动导引车辆(AGV)中,以及为人们在机场、体育场馆或医院等大型建筑中提供室内导航服务,情景可期。
由此看来,基于PoE的照明系统能够为人们带来的,不仅是成本的降低、使用的便利,还有全新的应用和商机,因此在这个领域长期、持续地投入肯定是值得的。
PoE智能照明解决方案
有了这样的认知,那么接下来的问题就是:我们应该如何快速地构建起一个PoE智能照明系统。
从上文的介绍中,我们不难看出,一个PoE智能照明系统中,有两个核心的要素:
● PoE接口控制器:PoE系统中,电力的传输通过供电设备(PSE)和受电设备(PD)之间的握手协议来管理——PSE会检测PD是否支持PoE及其设备类型、所属的功率等级,并根据这些信息为PD提供所需的电力。而PoE协议管理中检测、分级、供电和维护的全过程,需要一颗专门的PD控制器芯片来完成,以确保整个PoE系统按照相应的标准规范来行事。
● LED驱动和电源管理:PoE照明系统中,PD控制器在“前端”管理来自以太网的电能,在“后端”则需要有配套的电源管理器件将这些电能高效地利用起来。而且考虑到照明节点功能的扩展性,这些电源管理器件不仅要有高效的LED灯具驱动功能,还要有能力为更多的传感器和创新应用(如VLC)提供电源。
安森美(onsemi)一直是PoE技术和智能照明的积极推动者,对于二者结合而成的PoE智能照明解决方案,自然也是颇有心得。
图中,展示了一个完整PoE照明系统的架构,针对其中占据C位的PD接口控制器和LED驱动器两颗芯片,安森美就一直紧随标准演进的步伐和市场需求的变化,迭代出新。我们今天就来介绍一下图3中推荐的两款芯片。

图:基于PoE的智能照明系统
(图源:安森美)
NCP1095和NCP1096大功率PoE-PD控制器
NCP1095和NCP1096是安森美专为满足新的IEEE 802.3bt PoE标准要求而开发的以太网供电受电设备(PoE-PD)接口控制器(同时也兼容802.3af和802.3at标准),分配功率高达90W,还可以支持专有的100W+应用。
这两款PoE-PD控制器还支持IEEE 802.3bt新增的Autoclass能量管理特性,让PD能够将其特定的功率需求传递给PSE,以实现PoE系统更精准的控制,而且支持在浪涌阶段进行检测、分类和电流限制。器件中的电源良好引脚可确保正确关闭和打开相邻的主DC-DC转换器;分类结果引脚支持根据分配的功率等级进行操作(最高为8级)。
与NCP1095相比,NCP1096还具有集成的N沟道MOSFET负载开关,连接辅助电源时,有源电桥和热插拔FET功能禁用,从而可以提高辅助电源为PD供电时的能效。


图:NCP1096 PoE-PD控制器框图
(图源:安森美)
总之,采用NCP1095和NCP1096,开发者可以保证PoE设备之间的互操作性,实现IEEE 802.3bt标准所定义的所有性能和功能,极大地兑现PoE标准的价值承诺。


图:NCP1095和NCP1096 PoE-PD控制器专为支持802.3bt PoE标准而设计(图源:安森美)
NCL31000和NCL31001 LED驱动器
NCL31000是安森美新近推出的一款智能LED驱动器,其核心是一个高能效(97%)降压LED驱动器,可以支持高带宽模拟调光和低至零电流的PWM调光,具有0.1%的调光精度。
该驱动器还集成了两个DC-DC转换器——一个固定的3.3V DC-DC转换器和一个可调节的2.5V至24.0V DC-DC降压转换器,可用于为传感器和MCU等系统组件供电,这种将电源管理方案集成到LED驱动器中的设计,极大地简化了系统架构,同时有利于能效的提高。
NCL31000还提供全面的诊断功能,诊断模块包含一个ADC,用于测量输入和LED输出电流、电压、LED温度、DC-DC电压和电流,以及任何异常情况,并通过I2C/SPI接口提供给系统MCU。此外,NCL31000的架构还确保了其具有出色的抗电磁干扰(EMI)特性,在测试中,它的表现比CISPR15/EN55015的要求低14dB以上。

图:NCL31000 LED驱动器系统框图
(图源:安森美)
NCL31001作为NCL31000的配套驱动器,其可提供与NCL31000相同的LED驱动特性,但不包括DC-DC转换器。通过添加NCL31001,开发者可以很方便地创建一个面向多通道照明应用的方案,支持动态可调灯具以及多种颜色混合照明应用。
特别值得一提的是,NCL31000和NCL31001的0.1%调光精度和高线性度,使其非常适合于VLC应用,包括VLC室内定位应用,这也就为PoE智能照明系统向新领域的挺进铺平了道路。
NCL31010 PoE接口LED驱动器
特别值得一提的是,在上述PoE接口控制器和LED驱动器芯片基础上,安森美又更进一步将两个功能二合一,推出了全新的NCL31010 PoE接口LED驱动器。
顾名思义,NCL31010是一个高度集成的解决方案,它集成了802.3bt PoE-PD接口控制器、用作LED驱动器的电流模式降压DC-DC控制器,以及用于主3.3V系统电源的同步降压DC-DC转换器及辅助电源。

图:NCL31010 PoE接口LED驱动器框图
(图源:安森美)
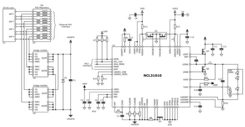
该器件符合802.3bt PoE标准,支持高达90W的大功率应用,并具有在浪涌阶段进行检测、分类和电流限制等PoE系统所需的功能,并能够支持PWM调光和高带宽模拟调光。可以说,只需NCL31010一颗芯,就能够实现PoE广泛的应用开发需求。找元件现货上唯样商城


图:NCL31010 PoE接口LED驱动器典型应用图(图源:安森美)
本文小结
电灯可以说是伴随着人类走入电气化时代的第一个“电器”,由此可见照明是人们生活中必不可少的刚需品之一。因此,当我们步入智能化时代时,对于照明系统进行智能化的升级,也是首当其中的一环。
PoE以太网供电与LED节能型照明的结合,为智能照明系统的构架提供了一种高效、灵活、可靠、可扩展的技术路径,并由此将智能照明的灯具打造成一个复合功能的物联网边缘节点。
安森美为PoE智能照明提供的关键器件,以及完整的解决方案,可以让PoE智能照明系统的研发和部署更轻松,也让你能够紧随新标准和新应用的步伐,尽享PoE智能照明的红利。
审核编辑:汤梓红