时间:2022-04-21 09:18
人气:
作者:admin
LEO因为相比传统灯泡更节能,体积小,效率高,所以目前应用越来越广泛,LED是一种把电能转化成光能的器件,其本质就是一种特殊的二极管,当LED两端有正向电压偏置时就会发光,其正向电压一般在0.3V和1V左右,这和发光二极管的发光颜色和厂家有关,LED的二极管本质决定了它只能在直流电压下工作,如果要用在交流电路中则需要先把交流电压整流成直流电压再给LED供电才行,接下来我们就讲讲LED发光二极管驱动电路的设计。
在一些低成本的小型电器中,为了节省成本,一般会省去复杂的稳压电路,直接用一个电阻串联LED加载在直流电源端,在这种情况下,LED发光效果主要取决于V1电源质量的高低,因为如果V1电源的输出电压纹波比较大,这样就会导致流过LED的电流发生变化,对LED而言,电流越大亮度就越亮,这时候可能会看到LED的亮度出现明暗交替变化。

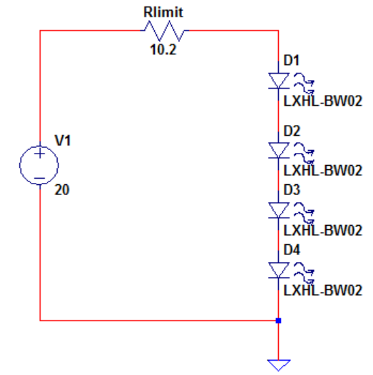
对于上面的电路,如何计算流经LED的电流呢?假定V1电压为12V,LED正向导通压降为1V,我们采用的限流电阻为10.2KΩ,可能有些人还不清楚为什么要放置限流电阻,这是因为对于二极管而言,其导通压降可以认为是固定的(实际上会随电流,温度变化,我们暂且不考虑),如果不加限流电阻,直接把二极管加在电源上,其等效电路相当于电源串联内阻再串联二极管,此时电路中的电流就等于(电源电压-LED导通电压)/电源内阻,由于电源内部的等效串联内阻很小,此时流经回路的电流会非常大,就会造成LED烧毁。
LED的电流I=(12V-4*1V)/10.2K≈0.78mA;
LED的功率P=1V*0.78mA=0.78mW;
电阻的功率P=0.78mA*0.78mA*10.2K=6.2mW;
那么电阻的功率需要大于6.2mW才行。
电路的效率:E=0.78/(0.78+6.2)=11%;
由此可知,此电路的效率比较低,要提高效率可以降低限流电阻的阻值。
需要注意的是我们计算出来的电流和功率不能超过LED规格书中的规定值。

为了给LED提供更高质量的电源,我们会在电路中采用三端稳压器,其输出电压纹波更小,更稳定,但是成本也会提高,我们可以通过一个滑动变阻器调整输出电压,进而实现调整LED亮度的目的,注意下图的LED是一个模块,其内部集成了限流电阻。

如果要实现LED的开关功能或者闪烁功能,我们可以加入三极管来实现,三极管的集电极电流计算和上面的方法一下,我们需要注意的是要确认三极管工作在放大区,要满足β*Ib>Ic。

LED的亮度受电流影响比较大,要想LED亮度稳定,我们就需要确保LED的驱动电压稳定才行。