时间:2021-12-06 17:24
人气:
作者:admin
幻彩F5mm直插灯珠(发光二极管)规格书
| 主要特点
IC控制电路与LED点光源共用一个电源。
控制电路与RGB芯片集成在一个5mm直径的圆头四脚直插封装的灯珠中,构成一个完整的外控像素点。
内置信号整形电路,任何一个像素点收到信号后经过波形整形再输出,保证线路波形畸变不会累加。
内置上电复位和掉电复位电路。
每个像素点的三基色颜色可实现256级亮度显示,完成16777216种颜色的全真色彩显示,扫描频率不低于
400Hz/s。
串行级联接口,能通过一根信号线完成数据的接收与解码。
任意两点传传输距离在不超过2米时无需增加任何电路。
当刷新速率30帧/秒时,级联数不小于2048点。
数据发送速度可达800Kbps。
光的颜色高度一致,性价比高。
主要应用领域
●LED全彩发光字灯串,LED全彩模组,LED全彩软灯条硬灯条,LED护栏管。
●LED点光源,LED像素屏,LED异形屏,各种电子产品,电器设备跑马灯。
产品概述
WS2812D-F5-15MA-C1是一个集控制电路与发光电路于一体的智能外控LED光源。其外型与一个F5的LED 灯珠相同,每个元件即为一个像素点。像素点内部包含了智能数字接口数据锁存信号整形放大驱动电路,还包含 有高精度的内部振荡器和定电流控制部分,有效保证了像素点光的颜色高度一致。
数据协议采用单线归零码的通讯方式,像素点在上电复位以后,DIN端接受从控制器传输过来的数据,首先 送过来的24bit数据被第一个像素点提取后,送到像素点内部的数据锁存器,剩余的数据经过内部整形处理电路整 形放大后通过DO端口开始转发输出给下一个级联的像素点,每经过一个像素点的传输,信号减少24bit。像素点采用自动整形转发技术,使得该像素点的级联个数不受信号传送的限制,仅仅受限信号传输速度要求。
LED具有低电压驱动

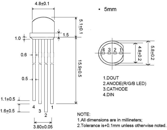
5MM草帽型发光二极管
引脚功能
| 序号 | 符号 | 管脚名 | 功 能 描 述 |
| 1 | Dout | 数据输出 | 控制数据信号输出 |
| 2 | VDD | 电源 | 供电管脚 |
| 3 | GND | 地 | 信号接地和电源接地 |
| 4 | Din | 数据输入 | 控制数据信号输入 |
最大额定值(如无特殊说明,TA=25℃,VSS=0V)
| 参数 | 符号 | 范围 | 单位 |
| 电源电压 | VDD | +3.5~+5.3 | V |
| 逻辑输入电压 | VI | -0.5~VDD+0.5 | V |
| 工作温度 | Topt | -25~+80 | ℃ |
| 储存温度 | Tstg | -55~+150 | ℃ |
电气参数(如无特殊说明,TA=-20~+70℃,VDD=4.5~5.5V,VSS=0V)
| 参数 | 符号 | 最小 | 典型 | 最大 | 单位 | 测试条件 |
| 低电平输出电流 | Idout | 14.5 | 15 | 15.5 | mA | Vo=0.4V, Dout |
| 输入电流 | II | —— | —— | ±1 | µA | VI=VDD/VSS |
| 高电平输入 | VIH | 0.7VDD | —— | —— | V | DIN, SET |
| 低电平输入 | VIL | —— | —— | 0.3 VDD | V | DIN, SET |
| 滞后电压 | VH | —— | 0.35 | —— | V | DIN, SET |
开关特性(如无特殊说明,TA=-20~+70℃,VDD=4.5~5.5V,VSS=0V)
| 参数 | 符号 | 最小 | 典型 | 最大 | 单位 | 测试条件 |
| 振荡频率 | Fosc | —— | 600 | —— | KHz | —— |
|
传输延迟时 间 |
tPLZ | —— | —— | 300 | ns | CL=15pF, DIN→DOUT, RL=10KΩ |
| 下降时间 | tTHZ | —— | —— | 120 | µs | CL=300pF, OUTR/OUTG/OUTB |
| 输入电容 | CI | —— | —— | 15 | pF | —— |
典型应用电路

电路参考
ymf