时间:2021-08-24 09:54
人气:
作者:admin
用于小尺寸LCD背光的LED驱动器ALT80600采用了Allegro的创新专利技术Pre-Emptive Boost(PEB)控制,采用小型4x4封装,可实现超高的真正PWM调光对比度,同时能够消除通常可闻噪音。
ALT80600
技术优势
ALT80600采用的PEB控制技术大大降低了Vout纹波,消除了常见的PWM调光过程中陶瓷输出电容产生的可闻噪音,同时只需要较小的输出电容。系统仅使用200Hz的PWM调光即可实现15,000:1的LED亮度对比度。如果采用PWM和模拟调光组合,则能够实现150,000:1的更高对比度。

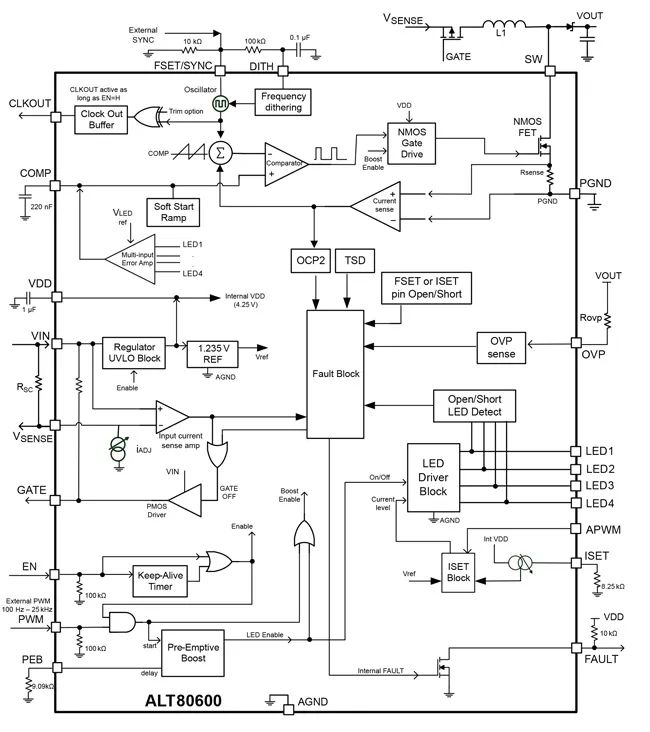
ALT80600功能框图
ALT80600集成有开关转换器及其MOS管,和四个恒流源,同时可配置为升压或SEPIC拓扑架构,以满足各种不同应用需求。开关转换器专门针对降低电磁干扰而设计,包括可编程开关频率,可控开关斜率以及可编程抖频等功能。此外,时钟输出引脚允许其他开关转换器与ALT80600开关频率同步,以提高整个系统的抗电磁干扰性能。
ALT80600器件适用于各种类型的汽车背光应用,其中包括音/视频系统、仪表板和平视显示器(HUD)等。这些器件采用单电源供电,具有4.5V~40V的宽输入电压范围。一旦启动之后,器件可以在低至3.9V电压下继续工作,因而能够承受汽车系统中的停止/启动、冷启动、双电池和负载突降等工况。

ALT80600典型应用
ALT80600关键特性通过 AEC-Q100 汽车电子测试标准的认证
4.5~40V 宽输入电压范围,可满足启动/关闭、冷启动和负载突降等要求
LED 灌电流和升压转换器与内部功率 MOSFET 完全整合
以 Boost 或 SEPIC 模式运行,可实现灵活输出
能够以 4 个并联LED串模式驱动多达 11 个串联白光 LED,每串可达 120mA(VF = 3.3Vmax)
可编程升压开关频率或外部同步(200kHz ~ 2.3MHz)
内部开关频率时钟输出功能
可调升压频率抖动,能够降低EMI
高级控制可将 PWM 开启时间降至 0.3μs,并避免 MLCC 可闻噪声
LED 对比度:15000:1(200Hz,仅使用 PWM 调光),150000:1(将 PWM 和模拟调光结合在一起使用)
甚至在 PWM 占空比最低情况下仍具有出色输入电压瞬态响应
适用于可选 PMOS 输入断开开关的栅极驱动器
广泛的保护功能:升压开关、电感器或输出电容器短路保护,FSET 或 ISET 电阻器短路保护,LED 引脚和 LED 串开路或短路保护,开路升压肖特基二极管保护,以及过温保护
ALT80600属于A8060x系列的一员,该系列器件都可提供汽车级应用所需要的大量安全和保护功能,因此具有非常高的可靠性。A8060x系列中的ALT80600和A80603可驱动四个LED串,每个LED串电流最高可达120mA,因而总电流高达480mA。A80601和A80602可提供高达840mA的总电流,分别可驱动4个或6个LED串。
该LED驱动器系列能够有效解决客户在可闻噪音方面的关切,减小了器件的尺寸,并且无需模拟调节即可提供出色的PMW调光比,并消除了陶瓷电容发出的可闻噪音,非常适合汽车等应用。
原文标题:采用专利控制技术的多路输出LED驱动器能够消除PWM可闻噪音
文章出处:【微信公众号:Allegro微电子】欢迎添加关注!文章转载请注明出处。
责任编辑:pj