时间:2021-10-12 15:46
人气:
作者:admin
电子发烧友网报道(文/李诚)假期刚刚结束,回想这七天,小编有一半时间在高速上度过,夜间行车备受远光灯折磨。相信不少人和我一样,对夜间会车、跟车时不切换近光灯这种行为深恶痛绝。在夜间远光灯与对向车辆直射,会导致对向驾驶员进入短暂的致盲状态,降低速度与距离判断能力,极大地增加了事故的发生概率,正如《流浪地球》里的一句台词“道路千万条,安全第一条,行车不规范,亲人两行泪”。为避免大灯给前方车辆或行人带来困扰,现很多车企在中高端车型中将普通大灯升级为矩阵式LED大灯。
近年来随着汽车的不断普及,汽车技术也在不断发展。在车灯方面也由最开始的卤素灯发展为氙气大灯,再到现在的LED大灯和矩阵式LED大灯。
矩阵式LED大灯工作原理
所谓矩阵式LED大灯,就是将LED光源进行矩阵式分区管理。通过行车电脑控制每个矩阵LED光源的亮度、开/关等。矩阵式LED大灯具有可自行切换远光灯、调节灯光照射范围、单独降低某一区域亮度等功能。
与普通LED车灯相比,矩阵式LED大灯对光源的控制可以细到某一指定灯珠上,而普通LED大灯只能对整组LED灯珠进行控制,功能性和拓展性大不如矩阵式LED大灯。
矩阵式LED大灯凭借其灵活的操控性,在任何行车环境中均可在不干扰到他人的情况下实现照明。在夜间行驶过程中,如遇前方有行人或车辆,照射到前方行人或车辆的矩阵区域的灯珠将会降低照明亮度或熄灭,避免前方车辆驾驶人或行人因强光照射而发生危险。
“灯厂”奥迪矩阵式LED大灯
谈到车灯,大家第一个想到的都会是奥迪,有网友调侃道“别的车企是将灯装在车上,奥迪是将车装在灯上”,奥迪也被网友戏称为“灯厂”,以此说明奥迪的车灯技术有着自己的独到之处。
在车灯领域,奥迪开创了很多历史先河。上世纪九十年代,奥迪率先将氙气灯用于汽车照明上,并掀起了车灯改革的浪潮。2008年奥迪将LED日行灯装配在A8车型上,成为全球首款使用LED日行灯的车型。当大家都觉得奥迪在车灯方面已经发展到瓶颈期时,在2013年又为奥迪配备了矩阵式LED大灯。
奥迪A8矩阵式LED大灯具有5组LED发光单元,每个单元上排列着5颗LED灯珠,每颗LED灯珠是相对独立的,可单独调光或开启、关闭。单个车灯上共有25个发光源,理论上可实现9.6亿种照明形式组合,能够轻松应对各种行车场景,提升夜间照明能力。
在前方无车辆或行人的状态下,车灯保持全部开启状态,当车头的摄像探头或光传感器监测到光束照射到行人或车辆时,会自动将发射该光束的灯珠自动熄灭,尽可能地降低对他人的视线影响,当车辆超越行人或车辆后,车灯自动恢复到全部开启状态。
奥迪的矩阵式LED大灯还具备路人提醒功能,车灯与夜视辅助系统相互配合,当检测到前方有行人通过时,与行人所对应的灯珠自动亮起,并闪烁三次警示行人有车辆通过,提高夜间行车安全。
如此高性能的车灯背后,矩阵式LED驱动芯片功不可没,下面我们细数几款矩阵式LED驱动芯片的性能。
NXP双通道降压矩阵式LED驱动芯片
NXP的LED驱动芯片具有多功能、恒流、高亮度等特点,并推出了低成本高拓展性的解决方案。在多通道驱动IC中,每个通道需外接一个MOSFET,提高散热性能,实现更高的功率密度。目前NXP LED驱动芯片最高可扩展至12通道,功率在30W~140W不等,均采用较小的HVQFN32较小的封装工艺,方便开发工程师布局,减小PCB整体面积。
ASL2416SHN是一款应用于矩阵式LED车灯的双通道降压式LED驱动芯片,可为LED输入恒定的直流电源。芯片内部集成了一个SPI接口,该接口用于与外部控制器通信,进行交汇温度监测,通过SPI接口可分别对两个通道进行编程,独立驱动两个通道,控制输出电流输出范围(精度为5%),读取电流值,每个通道均可进行单独调光,该芯片在2.5V至70V之间可驱动最多20个LED独立光源,输出电流在1.5A以上。
ASL2416SHN工作温度在-40℃~125℃,在一般的高温、雨雪天气中使用不受影响,输入电压在10V至80V之间。该芯片无论是在短路还是开路的状态下,都会进行输出保护,避免LED灯珠烧毁。
TI高亮度矩阵式LED驱动芯片
汽车照明技术快速发展,TI一直致力于开发创新工艺、封装、电路设计技术,凭借自身优势,研发出了多款应用于汽车照明超高功率密度的矩阵式LED驱动芯片,适用于AFS、ADB和高分辨率前照灯系统,可满足严格的EMC设计要求。在通道控制方面,目前已最高拓展至48通道,可实现更精密的控制系统。

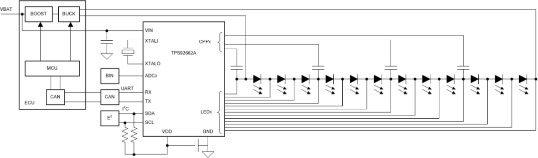
(TPS92663A-Q1框架图 图源:TI)
TPS92663A-Q1是一款6通道,高亮度的矩阵式LED驱动芯片。该芯片内部集成6个旁路开关,每3个串联开关里有两个子串,单独的子串还能同时连接单个或多个电流源,旁路开关的导通电阻较低,能极大地减少损耗。芯片在驱动某一指定灯珠时,可绕过其他灯珠实现单独控制。
TPS92663A-Q1支持多点UART通讯接口,最多同时支持16个可寻址设备。MCU通过UART通讯接口与该芯片连接完成控制操作。TPS92663A-Q1与TPS92662A-Q1相互兼容可集成在同一条总线上。
TPS92663A-Q1具有两个MUX输入ADC,这两个模数转换器可用于系统温度补偿和测量分级值,从而完成LED分级和编码工作。该芯片每个脉冲宽度均可编程,支持10位PWM调光,与此同时通过可编程压摆率可 有效降低电磁干扰的问题。TPS92663A-Q1符合AEC-Q100标准,工作温度在-40℃至125℃之间,支持4.5V~60V宽压输入。
ON双通道矩阵式LED驱动芯片

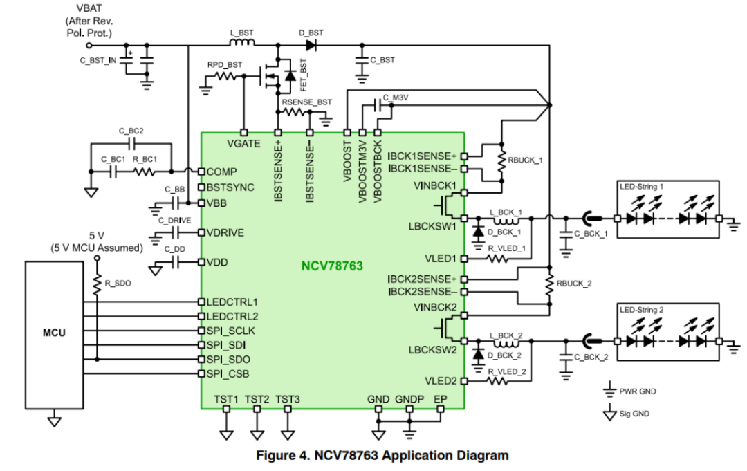
(图源:安森美)
安森美的LED汽车前大灯驱动芯片目前已发展至第三代,其芯片被奥迪、奔驰、宝马等车企大厂所广泛应用。NCV78763是一款双通道、高效、智能的LED驱动芯片,可应用于矩阵式LED大灯、日行灯、转向灯等车辆照明设备中。
该芯片通过内部两条独立的通道可驱动两个串联灯组,最高驱动电压为60V。该芯片内置了用于系统参数动态控制的 SPI 接口,通过SPI接口可对分别对两条输出通道进行编程,根据需求控制输出电流和电压,输出电流最高位1.9A,恒定电流为1.6A。NCV78763还集成了PWM调光功能,可有效降低灯光闪烁频率,避免驾驶员夜间行车产生视觉疲劳。
总结
矩阵式LED大灯与普通LED大灯相比更显智能,可根据传感器的反馈结果自动调节车灯亮度和照射距离,避免对他人造成眩目,提高夜间行车安全系数。矩阵式LED大灯推动了汽车大灯的发展,在未来汽车照明中有无限可能。虽然矩阵式LED大灯性能如此优秀,但是其系统颇为复杂,需要多种软硬件配套方可运转,因此其造价比普通LED大灯贵出数倍,目前主要装配在中高端车型上。
声明:本文由电子发烧友原创,转载请注明以上来源。如需入群交流,请添加微信elecfans999,投稿爆料采访需求,请发邮箱huangjingjing@elecfans.com。
编辑:jq