电子发烧友网报道(文/李诚)继
手机大屏浪潮过后,突破传统车企造车思维桎梏的
特斯拉,掀起了车载大屏的浪潮。特斯拉最初在Model S车型上装配了17英寸的车载大屏,再到后来的Model X也使用上了17英寸的屏幕,特斯拉的车载大屏让汽车的
科技感呼之欲出。

图源:特斯拉
车载大屏已在汽车领域成为一种潮流,许多车企也开始走大屏的发展路线。如传统车企比亚迪、奔驰、沃尔沃和造车新势力的小鹏、蔚来、理想等车企都进入了大屏时代。汽车屏幕的尺寸不断提高,这也意味着
LED背光
驱动芯片的性能也要有所提高,才能匹配更大尺寸的屏幕和更高的背光亮度。
美信、ROHM、
TI等芯片厂商紧跟市场发展的动向,现已推出了多款可应用于车载大屏的LED背光驱动芯片,以应对市场需求。
美信 4通道、车规级LED背光驱动芯片
美信在
LED驱动领域不断拓展产品线,提高LED驱动的开关效率,目前美信的LED产品线覆盖了普通照明、汽车照明、显示器背光、投影仪、闪光灯等多个应用场景。

图源:美信
MAX20069是一款4通道车规级LED背光驱动芯片,该芯片集成度较高,片上集成了升/
降压转换器、升压
转换器和两个
栅极驱动电源,以及为四串LED显示屏背光供电的升压压感式转换器。MAX20069的源级驱动电源,可产生-7V至+18V的电压,并且,正压源极
驱动器可提供高达150mA
电流,负压源极驱动器可提供100mA电流。同时,通过 I²C
接口和外部分压
电阻,可配置正压源极驱动器的电压。源极驱动器可接入电压在2.8V至5.5V的电网中。通过稳压电荷泵,可产生-21.5V至+28V电压,并为每条线路提供3mA的电流。
MAX20069具有4个LED驱动电路,每条线路都可单独输入电压,为每串LED提供最高150mA的电流。MAX20069还具有PWM调光功能,最小脉宽可低至500ns,可选择LED灯串间相移。MAX20069LED背光驱动芯片可应用于汽车8英寸及以上的高分辨率LED屏幕中,采用的是40
Pin 6mm x 6mm的TQFN封装,在尺寸上与同品类的产品减小了1/3。
ROHM 6通道、车规级LED背光驱动芯片
ROHM在汽车领域有着丰硕的业绩,从通用产品到功率器件均有部署。随着汽车市场规模逐渐扩大,LED驱动芯片的市场需求十分明显。ROHM的车规级LED驱动芯片涵盖了汽车照明、背光等领域,并且具有低功耗、高可靠性、低成本的特点。

图源:ROHM
BD81A76EFV-M是一款最高支持12英寸LED背光的车规级LED驱动芯片,该芯片采用了ROHM独有的升降压控制技术,仅需一枚BD81A76EFV-M驱动芯片即可驱动大型面板的背光。该驱动芯片具有6通道的驱动输出,每条通道最高可输出120mA的驱动电流至背光面板中。同时,BD81A76EFV-M是基于ROHM独有的PWM调光技术开发的,屏幕调光比可达10000:1。在功耗方面,该驱动芯片的待机电流为10μA,与同类产品的40μA待机电流相比,功耗更低。在封装方面,采用的是10mm*7.6mm的H
TSSOP-B30封装,尺寸与美信的MAX20069相比略大。
TI 6通道、车规级LED背光驱动芯片
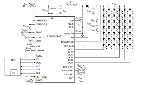
LP8866-Q1是TI新出的一款规LED背光驱动芯片,主要针对于汽车大屏背光LED驱动解决方案研发的。
图源:TI
LP8866-Q1是一款支持6通道输出,单通道最高输出200mA
高精度电流的LED背光驱动芯片。200mA的高精度电流,能有效保持屏幕足够的亮度,即使在光照强烈的应用场景中也能轻松地阅读屏幕内容。LP8866-Q1集成了 I²C
通信总线接口、PWM
控制器和升压控制器。通过配置I²C 通信总线接口,可以完成电压的调节。PWM控制器的分辨率为16位,调光比为32000:1,通过PWM控制器调光,可实现宽范围亮度的平稳过渡。在调光方面,LP8866-Q1还内置了一个12位的
数模转换器,可将100%(0xFFFF)的亮度调至12.5%(0x2000)。这两种调光方式,对降低EMI和延长LED的使用寿命提高屏幕亮度有明显的效果。在封装方面,采用的是32Pin 5mm*5mm的QFN封装工艺。
总结
随着汽车
智能化的发展,传统的仪表盘也开始被LED显示屏所取代,车载屏幕也在逐渐增多,车载屏幕的尺寸也在朝着大屏化发展。多通道、大电流的LED背光驱动芯片,才能满足汽车市场的发展需求。