时间:2020-10-29 14:19
人气:
作者:admin
本笔记显示了一个应用电路,并提供了将 MAXQ2000 微控制器评估 (EV) 套件连接到 MAX6970 所需的所有固件,MAX6970 是一款 8 端口、36V 恒流 LED 驱动器。本应用笔记中包含原理图和微控制器固件。示例 C 程序是为带有 IAR Embedded Workbench® 的 MAXQ® 微控制器编写和组装的。
概述
MAX6970 是一款 8 端口、36V 恒流 LED 驱动器,采用 4 线串行接口。使用本应用笔记,MAX6970 可与 MAXQ2000 16 位 RISC 微控制器一起使用,只需按一下按钮即可创建各种简单的 LED 序列。
硬件设置
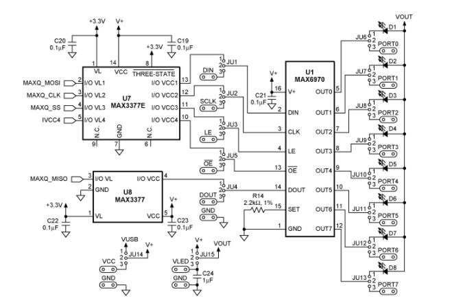
本应用笔记中讨论的电路使用MAX6970EVKIT和MAXQ2000-KIT。MAX6970评估(EV)套件原理图如图1所示。MAX6970评估板设计中包含一块MAXQ2000评估板。然而,对于该应用,它将与板载 MAXQ2000 分离,因为 MAXQ2000 评估板具有按钮功能,否则将用于控制 LED 序列。

从跳线 JU1–JU5 上拆下分流器。通过将MAX6970评估板的JU1–JU5(对应于DIN、CLK、LE、DOUT和低电平有效OE)的引脚2连接到MAXQ2000评估板来配置系统(图2)。将跳线 JU14 上的分流器移至 2-3 位置,并向 MAX6970 评估板的 VCC 焊盘施加 3.3V 电源。在打开电源之前,确保MAXQ2000和MAX6970评估板的地连接在一起。MAX6970 评估板的所有其他跳线应保持在其默认位置 1–2。图3显示了MAXQ2000和MAX6970评估板之间的实际设置。

显示LED序列
MAXQ2000评估板有一个按钮(SW5),用于选择LED序列。按下按钮约 500 毫秒,第一个 LED 序列将亮起。该程序由五个不同的 LED 序列组成,如下面图 4 中的表格所示。发送到从器件的 8 位数据的每一位对应于 MAX6970 评估板上的一个 LED。当按钮计数为 1 时,序列 0x55 将开启 250ms,交替为 0xAA,并点亮 250ms。这个序列会一直重复,直到下一次按下 SW5。如果在推计数 5 期间按下 SW5,则下一个序列将返回推计数 1。

编辑:hfy