时间:2021-03-26 15:46
人气:
作者:admin
虽然LED灯现在大量销售,但是这种固态照明(SSL)产品的性能,特别是在调光等领域,仍然会低于传统灯泡。确实,设计用于LED替换灯的常规驱动器难以以合适的价格提供真正令人满意的调光性能、能量效率和可靠性。但是,驱动器电子设备中的数字控制现在可以去除不必要的泄流电阻器(常用于增强可控硅调光器的操作),同时让无闪烁的调光降至低照明级别。
在家用照明设备中使用调光器已经很广泛,不仅节省了能源、减少了电费,还提供了舒适和方便。采用节能LED照明,从效率的角度来看,调光不是很重要。但是,在家里以及餐馆、娱乐场所或会议厅等场所,照明很容易影响情绪。这就需要平滑、无闪烁的调光,涵盖广泛的光线级别。
在许多应用中,部署固态照明的理想场景是简单地通过用相同外形尺寸的LED灯代替白炽灯进行升级。这是由于用户期望新灯具能与其现有调光器完美运行,但现实的结果可能会因调光器的类型和质量而有所不同。
调光器操作
标准的基于triac的相切调光器设计用于驱动由白炽灯泡提供的电阻负载。可控硅调光器另外也被称为前沿调光器,因为通过使用triac调节交流电每个半波的导通角来改变正弦波形来实现调光(图1)。延迟三端双向可控硅开关的导通角让灯调光。
图1
通过可控硅调光器的前沿调光延迟启动,直到周期的晚期。
当施加触发脉冲时,如果电流保持在器件指定的保持电流之上,则三端双向可控硅开关导通,并在剩余周期内保持导通。如果负载是白炽灯泡,则电流容易维持在保持电流阈值以上,因此三端双向可控硅开关会保持导通,直到电流在循环结束时减小。
然而,两个因素可以限制调光范围,甚至白炽灯泡也会有一些影响。调光电路通常包含电磁干扰(EMI)滤波器,其包含可以将脉动噪声引入电流波形的电感器和电容器组件。如果电感器是低质量元件,则这种脉动噪声能足以使电流从接通到激增立即低于三端双向可控硅的保持电流,从而让器件关闭,从而导致灯出现可见闪烁。同样地,如果使用具有相对较高的保持电流的低成本三端双向可控硅开关元件,则调光器将无法维持调光电平。
图2比较了目前市场上5种基于triac的调光器所需的最小负载电流。峰值表示LED驱动器需要从三端双向可控硅开关吸收的最小电流,以确保正确的操作。

图2
五个不同调光器的保持电流。
LED负载电流
在低负载电流下运行调光器挑战重重,当负载是LED替换灯泡时,挑战会加剧。与白炽灯不同,LED不是纯电阻。其阻抗是无功的,这样可以防止电流升高,超过三端双向可控硅的保持电流阈值,以使器件在触发脉冲被去除后保持导通。低水平的调光也可能难以实现,因为LED通常比白炽灯泡消耗更少的功率。因此,通过三端双向可控硅开发的电流在最大调光所需的相位角处可能非常低。其电流可以降低到三端双向可控硅开关的最小保持电流以下,导致灯闪烁或突然停止工作。
在实践中,调光器需要取得的调光水平要比人们感知的还要多。由于人眼通过扩大虹膜来补偿低光照水平,所以电子调光器设置与感知的调光效果之间的关系不是线性的。如果调整调光器将光线减少到其最大测量水平的10%,则人眼只能看到约30%的降低。为了实现10%的感知调光水平,调光器必须能够将测量的光水平降低到只有1%。照明工程学会(IES)出版的第十版《照明手册》记录了感知的光和测量光之间的关系:
感知的光 = 100 × √(测量光 ÷ 100)
LED替换灯的制造商需要能够保证不同质量和成本的三端双向可控硅调光器能互操作,并确保无闪烁的照明降至低调光水平,以最大限度地提高客户满意度。
泄放电路让电流流动
一个常见的解决方案是添加泄放电路,在较低的调光级别保持三端双向可控硅开关中有足够的电流。这可能是使用电阻的无源电路,或使用功率晶体管的动式泄流,用于不需要时阻止分泄电阻器中的电流。
使用被动泄放器有两个缺点。由于电流连续通过电阻,因此通过使用LED技术获得的效率优势会大打折扣。更重要的是散热对灯的工作寿命的影响。热管理对于LED灯来说至关重要。LED发射器本身能够在高温下工作25,000到50,000小时。但是,相关组件,比如大容量电解电容器,对工作温度更敏感。工作温度每升高10°C,电解电容器的使用寿命将降低50%,这会显著降低LED灯的使用寿命。为了达到可接受的使用寿命,制造商可能需要采取措施来保护易受攻击的部件,例如通过应用灌封,这会提高最终产品的成本。
数字控制的优点
一个更令人满意的方法是将泄放电流再循环,而不是以热量的形式消散能量。这在模拟域中不容易实现。但是,数字技术可以实现复杂的动态控制方案,可以更智能地使用所需的能量,以保持传统调光器能正常工作。
除了与常规三端双向可控硅调光器一起使用用于消除闪烁或突然中断之外,合适的LED驱动器电路还必须能控制交流循环浪涌电流,以避免瞬间过载,将电网周期和内部磁性部件之间相互作用引起的可听见的噪声最小化,以及满足功率因数和电噪声(EMI)的监管标准。它们还必须兼容最广泛的调光器类型。
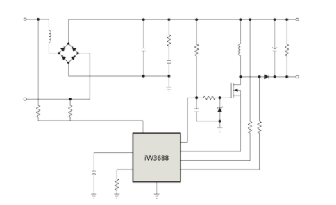
图3显示了使用Dialog Semiconductor iW3688控制器、用于非隔离LED驱动器电路的一个代表性的应用电路。该器件具有数字岩心,能与各种三端双向可控硅调光器兼容,是一种低成本解决方案。

图3
使用iW3688控制器的整流器、电流控制和LED驱动电路。
如图所示,该电路仅使用一个外部的MOSFET。这是可能的,因为驱动器IC使用相同的开关来保持三端双向可控硅开关电路工作正常并且为控制电路本身提供电力。该设计不需要主磁芯上的次级绕组。这种方法使设计人员可以为非隔离应用使用低成本、现成的电感器,或者如果应用需要隔离,则使用标准的反激变压器。这样的架构有助于减少元件数量、节省能源,并最大限度地减少散热,从而简化热管理。
驱动器操作
IC数字电路监控相关电压和电流,并让控制器动态调制主功率MOSFET,以实现所需的调光级别,即使LED负载的需求非常低,也可以让三端双向可控硅开关开着。用于保持三端双向可控硅开关运作的额外电流会在内部使用,而不是转换为热量。
IC还集成了智能功能,能够根据调光器的特性进行动态阻抗调节。该设计可让设备与几乎任何标准的三端双向可控硅调光器一起使用,将LED亮度降至最大值的1%。与早期驱动器电路相比,低调光级别能让人感受到更强的调光水平。
当不施加调光时,将电流传递给LED负载的主电源转换器以准谐振模式工作,以提供高功率效率和低EMI。功率因数也被优化,以提高效率,并最大限度地减少交流线路上的电流谐波失真,并满足世界各地的法规要求。
节能照明的终端用户期望从现有的照明技术无缝过渡到LED。这需要更换灯泡能满足当前的行业标准,并且与现有的基于triac的调光器无差错操作,达到低调光范围,符合最小闪烁的相关法规。同时,新技术必须以非常有竞争力的价格提供,同时最大限度地提高能源效率和可靠性。与传统的模拟电路和电阻分压器相比,数字驱动器控制技术提供了一种更好的解决方案,使制造商能够满足消费者的高期望。
编辑:hfy