时间:2020-09-05 11:01
人气:
作者:admin
本文以TI公司生产的NE555P芯片为例来说明(不同厂家生产的555芯片几乎都是一样的)。
无稳态振荡器(自激多谐振荡器)——astablemultivibrator(分立元器件搭建)
多谐振荡器电路是一种矩形波产生电路(属于数字电路,三极管不工作在放大线性区)。这种电路不需要外加触发信号便能连续地、周期性地自行产生矩形脉冲。该脉冲是由基波和多次谐波构成,因此称为多谐振荡器电路。
可以由分立器件搭建。
1. 电路实例

2. 电路详解
(1)首先我们得明白,世界上没有任何两个参数一模一样的三极管,每一个三极管就算型号一样,参数多多少少都会有差异,只不过是很微小而已,对于普通电路这个一般可以忽略,但是这个小结论是多谐振 荡器可以起振的根本原因。当电路刚接上电源时,两个晶体管都是截止状态。不过,当这两个晶体管的基极电压一起上升时,由于晶体管制造过程中不可能把每个晶体管的导通延时控制得一样,所以必然有其中一个晶体管抢先导通。于是此电路便进入其中一种状态,而且也保证可以持续振荡。
(2)第二个我们要明白的基本原理就是:通电瞬间,电容可以视作短路,在一定时间(很短),电容会电荷充满,变成断路状态。
(3)第三个我们需要明白的基本原理就是:三极管在发射结和集电结都处于正偏状态下为饱和状态。在集电结反向偏置,发射结偏置电压小于PN结开启电压,发射极电流为零的情况下为截止状态。
然后我们就可以开始分析电路了。
(4)上电瞬间C2右端与C1左端在电阻的上拉作用下都会由高电平,这个高电位都可以让两个三极管导通,但因为参数的微小差异,必然有一个三极管先导通,我们假设BG1先导通,因为正反馈,BG1导通直至进入饱和状态(BG2原理一样),则这时VC1被三极管拉到接近0电位而使其小于三极管BE开启电压。
(5)由于电容C2两端电压不能突变,所以因为电容C2电压为左正右负,而电容C2电压左端电压为接近0电位,所以C2右端电压被强行拉低为负电位,而C2右端电压等于BG2基极电压,有高电位被拉到负电 位,则BG2的BE两极反向偏置,确保为截止状态,此时达到第一个暂稳态:BG1饱和,BG2截止。
(6)同时电容C2两端电压虽不会突变,但是不是不变,在这段时间内EC会通过电阻Rb2给C2充电,则C2电压会逐渐由左正右负(相对来说)变为左负右正,这时右边的BG1导通,C2左边一直维持为接近0电 位,而右边电压由被拉低到负电位逐渐变成正电位直至到达0.6V(三极管导通电压)
(7)到达0.6V之后,BG2开始导通直到变为饱和状态,这时BG2的集电极被拉低到接近0电位,因为一开始C1充电使得C1电压极性为左负右正,此时C1右端又是接近0电位,同理根据电容电压不能突变原理,C左端电压由高电位被强行拉低到负电位,所以可以确保BG1进入截止状态,此时到达第二个暂稳态:BG1截止,BG2导通。
(8)如此周而复始,BG1与BG2将轮流导通。此时可以在电路中加入二极管使其出现交替闪烁的现象,此时Rb1与Rb2起到限流电阻的作用。多谐振荡电路的振荡周期=T1+T2. T1≈0.7Rb1C1,T2≈0.7Rb2C2.
以上电路的电阻电容参数都是完全对称的,如果要获得两个LED点亮时间不一样的现象,改变两边RC参数即可。当两边对称时,总周期T=1.4RC
3.波形表示

555多谐振荡器芯片(以TI公司的NE555P芯片为例)
1.实物图片(DIP封装)
2. 厂家DATASHEET芯片引脚图顺序说明:

3.Overview与一些参数
(1)555计时器是一个易于使用的从10µs到小时或从< 1 mhz到100kHz的定时器。在时延或单稳态运行模式下,时间间隔由单个外部电阻和电容网络控制。在稳定运行模式下,频率和占空比可由两个外部电阻 和一个外部电容独立控制。VCC越高,最大输出和放电电流越大,VCC越低,最大输出和放电电流越小。
(2)VCC供电电压:4.5 V to 16 V。供电电压为5V时,可以兼容TTL电平。
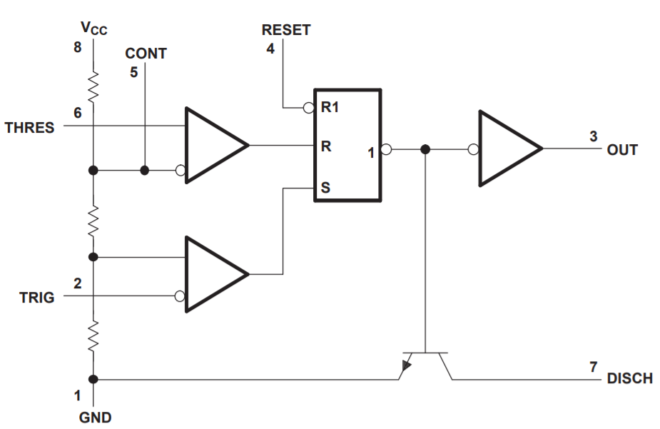
4.芯片内部大体电路

逐一分块解析
(1)RS触发器
与此处连接的RESET脚一般直接与VCC相连即可,RESET输入为0V时,Vout=0V.

(2)THRES与TRIG引脚

英文数据手册

中文对比
(3)CONT脚
5脚为控制端,平时输入2/3Vcc作为比较器的参考电平,当5脚外接一个输入电压,即改变了比较器的参考电平,从而实现对输出的另一种控制。如果不在5脚外加电压通常接0.01uF电容到地,起滤波作用,以消除外来的干扰,确保参考电平的稳定。
(4)DISH脚
为放电端,所接为放电管(三极管)
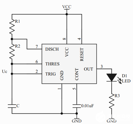
5.最小基本电路来控制一个LED的闪烁:

R1,R2和C是外接定时元件,电路中将高电平触发端(6脚)和低电平触发端(2脚)并接后接到R2和C的连接处,将放电端(7脚)接到R1,R2的连接处。由于接通电源瞬间,电容C来不及充电,电容器两端电压为低电平,Uc 小于(1/3)Vcc,故高电平触发端与低电平触发端均为低电平,输出为高电平,放电三极管(接DISCH引脚的内部电路)截止。这时,电源经R1,R2对电容C充电,使电压按指数规律上升,当Uc 上升到(2/3)Vcc时,输出为低电平,放电管V1导通,把Uc 从(1/3)Vcc上升到(2/3)Vcc. 由于放电管V1导通,电容C通过电阻R2和放电三极管放电,电路进人第二暂稳态,其维持时间的长短与电容的放电时间有关,随着C的放电,下降,当下降到(1/3)Vcc时,输出为高电平,放电管V1截止,Vcc再次对电容C充电,电路又翻转到第一暂稳态。波形如下图所示:

电路具体参数的设定
(1) 改变C的值可以改变周期。调节R1与R2的阻值比可以改变占空比
(2)第一个暂稳态的脉冲宽度:Uc充电时间为Tw1≈0.7*(R1+R2)*C
(3)第二个暂稳态的脉冲宽度:Uc放电时间为Tw2≈0.7*R2*C
(4)因此,振荡周期T=Tw1+Tw2=0.7(R1+2R2)C,振荡频率f=1/T.正向脉冲宽度Tw1与振荡周期T之比称矩形波的占空比D,由上述条件可得D=(R1+R2)/(R1+2R2),若使R2>>R1,则D≈1/2,即输出信号 的正负向脉冲宽度相等的矩形波(方波)。
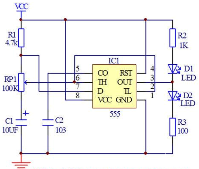
6. 第二扩展电路:可调节闪烁速度的闪光灯电路

调节可变电阻RP1可以改变输出的振荡信号的频率,信号从3脚输出一个高低电平,控制LED1和LED2闪烁。当输出高电平的时候,LED2亮,LED1不亮;当输出低电平的时候,LED2不亮,LED1亮;3脚不停地输出高低电平的方波,其效果看起来就是双灯闪烁,而且闪烁的速度可调。
以上