时间:2018-01-16 16:10
人气:
作者:admin
led灯带控制器是一种发光二极管,是一种能够将电能转化为可见光的固态的半导体器件,它可以直接把电转化为光。电流通过导线作用于半导体,电子就会被推向P区,在P区里电子跟空穴复合,然后就会以光子的形式发出能量,这就是LED发光的原理。在量子力学中把这种发光过程叫做跃迁。其产生的能量决定光的波长(即发光颜色)一般为单色光。白光LED,大部分在紫光LED上掺杂红色与绿色荧光粉,是得到白光LED所以光效较单色低。LED显示屏在每个发光单元上加入三基色LED使其变成各种颜色。
led灯控制器线路图由电源电路、脉冲发生器、控制电路和LED显示电路组成,如下图:

元器件选择
Rl选用1/2W金属膜电阻器;R2-R8选用1/4W或1/8W金属膜电阻器;宇灯单元中各电阻器均选用lW金属膜电阻器。
Cl选用耐压值为630V的CBB电容器或涤纶电容器;C2和C3均选用耐压值为25V的铝电解电容器;C4釉C5选用涤纶电容器或独石电容器。
VDl、VD2和字灯单元中各隔离二极管均选用1N4007型硅整流二极管;VD3选用1N4148型硅开关二极管。
各字灯单元中的发光二极管均选用d5-pl2mm的红色发光二极管。VS选用lW、l2V的硅稳压二极管。VTl-VD2均选用MCRlO0-6型晶闸管。
ICl选用NE555型时基集成电路;IC2选用CD4017或CC4017型十进制计数/脉冲分配器集成电路。
电源电路由降压电容器Cl、泄放电阻器Rl、整流二极管VDl、VD2、稳压二极管VS和滤波电容器C2组成。
脉冲发生器由时基集成电路ICl、电阻器R2、R3和电容器C3、C4组成。控制电路由十进制计数/脉冲分配器集成电路IC2、二极管VD3、电阻器R4-R8、电容器C5和晶闸管VTl-VW组成。
LED显示电路由4块字灯显示器构成,每块字灯显示器是由256个字灯单元组成的16x16阵列。每个宇灯单元均由发光二极管VL、限流电阻器R和隔离二极管VD4-VD7组成,如图所示。

在字灯单元中,V+为正电源输入端,VD4-VD7的负极作为字灯的句选择端(断点引出端1-4)。当某一句选择端为低电平时,该句中的4字词组全部亮灯显示,即VLl-VL7的负极分别与4句4字词组中需点亮的发光二极管(按字形笔划)的负极相连。例如VD4的负极与“庆祝五”词组中各发光一极管的负极相连,VD5-VD7的负极分别与“祖国万岁”、《国泰民安“、”普天同庆“词组中各发光二极管的负极相连。
交流220V电压路经VDl整流后,为宇灯显示器的V+端提供脉动直流电压;另路经Cl降压、VD2整流、VS稳压和C2滤波后,产生+l2V直流电压,供给ICl和IC2。
时钟发生器通电工作后,从IC1的3脚输出方波脉冲(间隔为10s)信号,作为IC2的计数脉冲。IC2通电复位后开始计数,其YO-YS端依次轮流输出高电平。在IC2的YO端输出高电平时,Yl-Y5端均为低电平,由于YO端悬空,字灯显示器不亮。当IC2计人第1个时钟脉冲时,其Yl端输出高电平,使VTl受触发而导通,字灯显示器中句选择端1(各字灯单元中二极管VD4的负极)变为低电位,使第1句4字词组”庆祝五一“同时点亮。
约lOs后,lC2计人第2个时钟脉冲,Y2端输出高电平,使Vn导通,第2句4字词组”祖国万岁“点亮(此时IC2的Yl端恢复为低电平,VTl截止,第1句4字词组熄灭)。
当IC2的Y3端、Y4端依次输出高电平时,VT3和VT4将依次导通,使第3句4字词组”国泰民安“和第4句4字词组”普天同庆“相继轮流点亮。
当IC2的Y5端输出高电平时,IC2强制复位,YO端又输出高电平,4句4字词组均熄灭。当Yl端输出高电平时,又开始下一轮显示。如此周而复始,使4句4字词组交替循环显示。
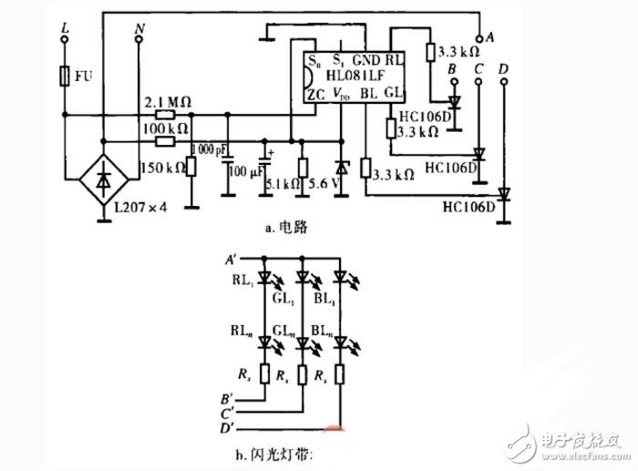
电路工作原理:图所示电路使用了专用七彩LED闪光控制芯片HL081LF。HL081是采用CMOS工艺制造的同步七彩闪光集成电路,配合红绿蓝三基色高亮发光二极管,可表现出绚丽多彩的变色光效果,广泛用于玩具和其他场合,如草坪灯、广场灯、护栏灯等城市灯光装饰场合。