74ls138就是38译码器,是TTL系列的,也就是74系列,有三个输入端A0,A1,A2,其中A2是高位,输出是八个低电平输出Y0 ~ Y7,工作电压一般的5V。
74ls138工作原理:
①当一个选通端(S1)为高电平,另两个选通端((/S2))和(/S3))为低电平时,可将地址端(A0、A1、A2)的二进制编码在Y0至Y7对应的输出端以低电平译出。(即输出为Y0至Y7的非)比如:A2A1A0=110时,则Y6输出端输出低电平信号。
②利用 S1、S2和S3可级联扩展成 24 线译码器;若外接一个反相器还可级联扩展成 32 线译码器。
③若将选通端中的一个作为数据输入端时,74LS138还可作数据分配器。
④可用在8086的译码电路中,扩展内存。

74ls138驱动数码管显示设计
译码器是组合逻辑电路的一个重要的器件,其可以分为:变量译码和显示译码两类。变量译码一般是一种较少输入变为较多输出的器件,一般分为2n译码和8421BCD码译码两类。显示译码主要解决二进制数显示成对应的十、或十六进制数的转换功能,一般其可分为驱动
LED和驱动LCD两类。译码是编码的逆过程,在编码时,每一种二进制代码,都赋予了特定的含义,即都表示了一个确定的信号或者对象。把代码状态的特定含义“翻译”出来的过程叫做译码,实现译码操作的电路称为译码器。或者说,译码器是可以将输入二进制代码的状态翻译成输出信号,以表示其原来含义的电路。根据需要,输出信号可以是脉冲,也可以是高电平或者低电平。
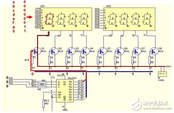
74ls138驱动数码管显示原理图如下:
74ls138驱动数码管电路图如下:
74ls138驱动数码管部分程序:
74ls138驱动8位数码管全部电路和程序分享免费下载:>>>> 74ls138驱动8位数码管