时间:2017-11-22 11:00
人气:
作者:admin
本文作者:ADI公司电源产品部,应用工程组负责人 Keith Szolusha,副应用工程师 Kyle Lawrence
LED 的应用范围不断扩大,已经涉及从通用照明到汽车、工业和测试设备、招牌以及安全设备的各种领域。因此,对 LED 驱动器的设计要求也越来越多了。最新 LED 解决方案要求驱动器具备紧凑的尺寸、高效率和低噪声,并提供高的调光比和先进的故障保护功能。LT3922 非常容易满足这些要求。
LT3922 具集成式开关和内部 PWM 调光能力
LT3922 是一款 36V、同步 LED 驱动器,集成了 2A 开关,可配置为升压、降压或升压-降压型 LED 驱动器。该器件集成了高效率、同步电源开关,采用纤巧的 4mm x 5mm QFN 封装。这款器件采用了ADI最先进的开关技术,虽然封装尺寸很小,却能够提供很大的功率,同时还能够控制边沿速度,并降低不想要的场致辐射。集成的同步开关边沿是受控的,不产生振铃,从而能够在高效率和低噪声之间提供恰当的平衡,这些开关还能够以高达 2.5MHz 的频率切换,因此可构成尺寸紧凑的解决方案。
拓扑选择:升压、降压、升压-降压模式
LED 串由受控的电流驱动,该电流不必直接返回地。LED+和LED−或其中任一端子可以连至非地电位。这就为选择包括降压和升压-降压型拓扑在内的浮置输出 DC/DC LED 驱动器拓扑创造了机会。LT3922 的高压侧 PWMTG 驱动器和同步开关可以配置为升压、降压或升压-降压模式 LED 驱动器,同时保持该 IC 的所有功能都可用,也就是说,内部PWM 调光、SSFM (扩展频谱频率调制)、低EMI、ISMON 输出电流监视器、和输出故障保护功能从标准升压型拓扑到降压型和升压-降压型拓扑也都提供。
升压型拓扑
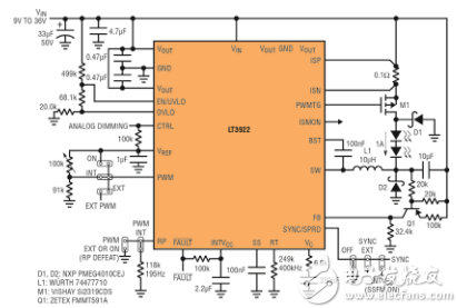
LT3922 作为升压型转换器运行时,可为高达 34V 的 LED 串供电,在 40V 以下留出一些空间,以防 LED 开路过冲。如图 1 所示,2MHz、4V 至 28V 升压型 LED 驱动器为高达 34V 的 LED 串提供 330mA 电流。该器件可以从外部以 120Hz 频率和 2000:1 调光比进行 PWM 调光,或者可以从内部以 128:1 调光比、用 PWM 引脚上的模拟输入电压调光。

图 1:2MHz 常规升压型拓扑原理图,120Hz、2000:1 PWM 调光比
该器件可以承受 LED 开路和 LED+至地短路而不被损坏,并通过确定 FAULT 引脚,报告这类故障。输出电流可以通过 ISMON 引脚监视,甚至在 PWM 调光时也可以。在 2MHz 开关频率时,其基频 EMI 谐波驻留在高于 AM 频段的频率上,但其 EMI 仍然很低。还可以增加扩展频谱频率调制以扩展 2MHz 至 2.5MHz 的开关频率,并降低基频及很多谐波频率上的 EMI。由于集成了同步开关,所以这个 2MHz 升压型转换器的效率在 12VIN时依然保持高达 91%。在较低 VIN时,当峰值电感器电流达到其限制值时,输出电流无闪烁地平滑降低,同时 LED 仍然保持接通。
降压型拓扑
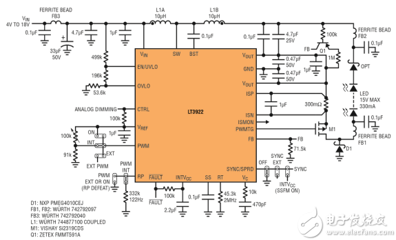
如图 2 所示,当 LT3922 用于降压模式拓扑时,输入电压可以高达 36V,并能够以高达 1.5A 的电流驱动一个 LED 串。高压侧 ISP 及 ISN 电流检测输入和 PWMTG PMOS 驱动器很容易转移到 LED 的高压侧,在降压模式时,LED 的高压侧连至输入。LED−直接连至电感器而不是地。当以 6.5V 驱动两个 1A LED 时,VIN为 12V 时的同步降压模式效率高达 94%,VIN为 36V 时效率仍然保持高达 89%。该降压模式转换器具很大的带宽,因此能够在100Hz以1000:1 PWM 调光比运行。

图 2:以 1000:1、100Hz PWM 调光进行亮度控制的 400kHz 降压模式 LED 驱动器
升压-降压型拓扑
图 3 所示 LT3922 升压-降压型拓扑支持高于和低于 LED 串电压的输入电压范围。LED 串电压之和以及输入电压必须保持低于 35V,以保持 ISP 和 ISN 电压低于 40V 绝对最大值。

图 3:2MHz 升压-降压型 LED 驱动器的输入和输出纹波很低。这个解决方案通过了 CISPR 25 Class 5 测试。
这种已获专利的低 EMI 拓扑采用升压型低纹波输入电感器和降压型低纹波输出电感器。采用4V 至 18V 汽车输入或化学组成不同的多种电池输入 (5V、12V 和 19V) 时,升压-降压型转换器可驱动电压范围为 3V 至 16V 的 LED 串。
与其他拓扑一样,PWMTG 驱动器简化了用于 PWM 调光的 MOSFET 的连接。在浮置 LED 拓扑中,开路和短路保护不受影响。在 LED−端上的一个可选二极管防止受到 LED−至 GND 短路的影响。
图 3 中的 2MHz 转换器在 12V VIN、15V VLED、330mA ILED时效率为 85% (无 EMI 滤波器时为 87%),在 120Hz 时提供 2000:1 PWM 调光比。这个解决方案尺寸小、具通用性和低 EMI,可满足汽车白天行车灯、信号指示灯或尾灯 LED 驱动器的要求。
汽车照明
LED 的诸多特点使其非常适合用于汽车照明。LED 尾灯和白天行车灯在视觉上具吸引力。高效率LED 前灯坚固可靠,与之前相对容易烧坏和基于灯丝的前灯相比,LED 前灯的寿命长出几个数量级。LED 驱动器很小,效率很高,有很宽的输入和输出电压范围,而且EMI 也很低。
纤巧的 LT3922 LED 驱动器之EMI 很低,具汽车环境所要求的高效率和故障保护功能。该器件可以在 9V 至 16V 汽车输入范围内运行,并可在 36V 瞬态和低至 3V 的冷车发动情况下保持运作。其低 EMI Silent Switcher®架构、SSFM 和受控的开关波形边沿使该器件非常适合给要求低 EMI 的 LED 供电。该器件的通用性使其能够用于升压、降压和升压-降压型应用,例如外部白天行车灯、信号指示灯、尾灯和前灯以及内部仪表板和具高调光比的平视显示器。为防止受到 LED 串短路和开路的影响,需要保护电路,而该器件固有的灵活性和内置故障保护功能有助于减少保护电路所需的组件数。
图 4 所示的 400kHz 汽车用升压型 LED 驱动器通过了 CISPR 25 Class 5 EMI 测试,如图 5 所示,图中显示了 LT3922 的传导和辐射 EMI 测试结果以及 Class 5 EMI 限制。这是 LT3922 各项低 EMI 特性相结合所得到的结果,包括但不限于受控的开关波形边沿和SSFM。当然,恰当的布局和少量铁氧体珠滤波 (FB1 和 FB2) 也要使用,以获得最佳 EMI 结果。

图 4:400kHz 汽车用升压型 LED 驱动器采用滤波器以实现低 EMI,可选择内部产生的 100%、10% 或 1% PWM 调光。EMI 测试 (图 5) 显示,这个解决方案通过了 CISPR 25 Class 5测试。

图 5:图 4 所示400kHz LED 驱动器的 EMI 曲线,该驱动器采用了最小型的 EMI 滤波器,通过了 CISPR 25 Class 5测试。如果为了满足制造商提出的特定 EMI 要求而需要进一步降低 EMI,还可以给输入端增加一个较大的 LC 滤波器。
固有特性帮助实现低 EMI
LT3922 具备的一些特性使设计师能够非常容易地实现低 EMI 解决方案。首先,LT3922 采用ADI已获专利的 Silent Switcher 架构,在这种架构中,内部同步开关最大限度减小了热切换环路尺寸,而且受控的开关波形边沿不会出现振铃。
图 6 显示,LT3922 的引脚布局允许靠近两个 VOUT引脚放置小型、高频电容器,以最大限度减小热环路尺寸和 EMI。
图 6:双环路布局和高频 0402 分裂电容器构成了小型、方向相反的热环路,以帮助降低高频 EMI
LT3922 控制开关边沿速率,从而消除了高频振铃,在没有这种控制功能的开关转换器中,高频振铃很常见。由于 LT3922 的开关边沿是受控的,所以可在不降低效率和供电能力的前提下,降低电源开关产生的高频 EMI。
LT3922 的 SSFM 以 1.6kHz 的速率将电阻器设定的、400kHz 转换器之开关频率范围从 100% 向上和向下扩展为 125%。这降低了转换器在低频和高频时的峰值 EMI 和平均 EMI。通过将 SYNC/SPRD 引脚分别连至INTVcc 或GND,可以非常容易地接通或关断这功能。
内部产生的 PWM 调光
通过 CTRL 引脚上的可调电压进行模拟调光,总是比进行更准确的 PWM 调光来的容易。迄今为止,PWM 调光一直需要一个外部时钟或微信号,该信号通过 PWM 输入引脚以其占空比控制亮度。不过,LT3922 具内部产生的 PWM 调光信号,仅需要在 PWM 引脚加上一个外部电压来设定占空比,就可实现 128:1 PWM 调光比。PWM 周期(例如 122Hz) 是由 RP 引脚上的单个电阻器设定的。
对于具冗余灯组的车辆而言,很有必要保证 LED 电流的准确度。很显然,两侧灯的亮度必须匹配。以同样方式制造出来的 LED在采用同样的驱动电流时,产生的亮度可能不同。LT3922 的内部调光功能可用来在接近或几乎达到100% 占空比时微调亮度,然后设定准确的10:1 或100:1 调光比。这可以使灯组制造商避免因特别的分级LED 而增大成本。
当需要较高调光比时,LT3922 可从外部以通常方式调光。图 2 中的大带宽 400kHz 降压模式 LED 驱动器在 100Hz 时产生 1000:1 PWM 调光比。图 1 中的 2MHz 升压型 LED 驱动器在 120Hz 时可实现 2000:1 调光比,如图 7a 所示。通过在 RP 引脚放置一个设定 122Hz 频率的电阻器,并将 PWM 引脚电压设定在 1.0V 至 2.0V 之间,可以将相同的电路设置为从内部产生 PWM 调光,调光比为 128:1,如图 7b 所示。在有些应用中,LT3922 可设置为以 5000:1 的外部 PWM 调光比运行,PWM 调光还可以与 LT3922 的模拟调光相结合,提供超过 50000:1 的亮度控制。
图 7:(a) 图 1 电路从外部产生 2000:1 或 4000:1 PWM 调光;(b) 图 1 电路从内部产生 128:1 PWM 调光。
机器视觉
在工业流水线应用中,机器视觉 (图 8) 运用高速数字摄影和数字成像处理,快速提供有关设备的视觉反馈信息。这有助于在无需或很少需要人工检查的情况下,迅速发现并隔离有缺陷的产品。机器视觉系统的照明必须与流水线的速度同步,同时能够针对无限期的关断时间产生一致的光脉冲。
对常规 LED 驱动器而言,只要 PWM 输入信号保持低电平,无论保持时间长短,驱动器都无法保持输出电压。这是因为输出电容器在逐渐放电,因此通用 LED 驱动器不适合机器视觉这类应用。但 LT3922 在 PWM 信号下降沿时,以数字方式对转换器的输出状态采样。然后,通过在 PWM 关断且 LED 被高压侧 PMOS 断开时执行“保持切换”,该器件能够在长时间关断时保持其输出电压。在以 100Hz 以上的频率进行标准 PWM 调光时,最长关断时间为 10ms 或更短,这时不会从输出拉走太大的漏电流。机器视觉和频闪应用可能有 100ms 和 5s (或更长) 的关断时间,因此泄漏电流会增大数十至数百倍。
“保持切换”确保输出电容器保持在 LT3922 前一个采样周期中记录下的电压。假定该 IC 得到不间断的功率输入,那么转换器状态的数字采样值可以无限期存储。这就允许 LT3922 在任何给定关断时间内,提供一致的输出电流波形,如图 9 所示。

图 8:采用机器视觉应用的流水线系统概述
CAMERA:摄像机
IMAGE LIBRARY & PROCESSING:图像库和图像处理
ROBOTICS:机器人
LED FLASH:LED 闪光灯
CONVEYOR WITH OBJECTS:载有物体的传送带
1ms –1s PERIOD:1ms 至 1s 周期
LT3922 PRODUCES CONSISTENT LED OUTPUT REGARDLESS OF PERIOD BETWEEN FLASHES:
无论两次闪光之间间隔多长时间,LT3922 都产生一致的 LED 输出

图 9:无论空闲或停机时间多长,摄像机闪光灯的波形都是相同的。图中波形显示了 10ms 以后和一个小时以后的脉冲。空闲一个小时以后和空闲 10ms 以后,闪光灯的波形是相同的。这些波形是从图 1 所示电路得出的。
10ms SINCE LAST PULSE:上一个脉冲之后 10ms
10ms BEFORE NEXT PULSE:下一个脉冲之前 10ms
1 hour SINCE LAST PULSE:上一个脉冲之后 1 小时
100ms, 1s, 1 hour, 1 day BEFORE NEXT PULSE:下一个脉冲之前 100ms、1s、1 小时、1 天
结论
具内部同步、2A 开关的 36V LED 驱动器 LT3922 是一款紧凑、通用的 LED 驱动器。该器件非常容易用于升压、降压和升压-降压型拓扑。无论用于哪种拓扑,所有特色都能发挥作用,包括高 PWM 调光比能力和内部产生 PWM 调光。用其 Silent Switcher 布局和 SSFM 可以非常容易地实现低 EMI。其紧凑的同步开关可保持高效率,甚至在高达 2MHz 频率时也是如此。凭借坚固可靠的故障保护功能,这款IC 非常容易满足汽车以及其他要求非常严格的应用之需求。
表 1:输入范围很宽的 LED 驱动器
