时间:2017-11-27 15:00
人气:
作者:admin
由于LED节能、使用寿命长、耐用及设计灵活,目前LED正在快速取代室内和室外照明设备中的白炽灯和荧光灯。但选择正确的LED只是设计方程的一部分。为了使您的固态照明设计实现全面的效率、耐久性和使用寿命,您需要选择合适的电源,把您的应用要求和所使用的LED相匹配。本文将为您提供一些有用的建议,说明一些在选择电源过程中需要考虑的地方。
LED的电源电压一旦等于或大于二极管的正向压降(通常在2-3V的区域),LED就开始产生光。完全亮度所需的电流因设备而异,但对于1W的LED(通常是照明应用中最小的尺寸)通常为350mA。与白炽灯不同,LED是非线性设备。这意味着一旦电源电压超过二极管的正向电压,通过的电流随着电源电压而呈指数增长。没有某种形式的电流调节,LED芯片将成为昂贵的、单稳态闪光灯泡。
为了防止这种情况,电源必须在合适的电流下提供合适的电压。最简单的方法是选择一个输出电压大于所选LED正向电压的电源,并使用限流电阻将电流限制在LED制造商指定的最大值。这种方法的缺点是,LED照明的一个主要优点高效率会受到限流装置耗散的功率的影响。
灯和荧光灯。但选择正确的LED只是设计方程的一部分。为了使您的固态照明设计实现全面的效率、耐久性和使用寿命,您需要选择合适的电源,把您的应用要求和所使用的LED相匹配。本文将为您提供一些有用的建议,说明一些在选择电源过程中需要考虑的地方
为照明应用选择电源的类型将基于几个因素。首先,考虑应用运行的环境。应用是在室内还是室外?电源是否需要防水或需要特殊的IP等级?电源是否能够使用传导冷却或只使用对流冷却?
接下来,要定义整体功率要求。单个灯具可能只需要一个小的电源,但一个复杂的系统可能需要提供数百瓦的电源。另外,还需要其他功能吗?例如,电源是否需要在简单的恒压模式还是恒流模式下工作,应用是否需要调光?
那么,现在是考虑法规的时候了。整个系统是否需要在一定的谐波电流范围内运行?它是否需要符合照明的安全标准,还是ITE电源就足够了?而在这个能源敏感的时代,电源如何有效地满足当地或区域标准?同样重要的是,在一些地方政府机构会向符合特定效率和功率因数校正水平的产品提供折扣或其他补贴,产品有在这些地方出售吗?同样,了解您的设计标准是否符合要求,这一点也很重要,包括关闭电源时电源耗电量的任何要求。安全标准
适用于照明系统的有各种标准。国际上,IEC61347第1部分涵盖了灯具控制装置的一般安全要求,和第2部分第13(2)节适用于LED模块电源。美国有UL8750,欧洲有EN61347,都是以章节命名的IEC格式。

图2
LED串联连接
在串联配置中,各个LED串联布置。这样做的优点是,相同的电流经过它们中的每一个,导致发出的光亮度相同。另一个优点是,如果一个LED在短路中出现故障,其他LED不受影响,仍然亮着。缺点是如果一个LED在开路中出现故障,则电流将被中断,其他所有LED都熄灭。另一个缺点是,如果需要许多LED来产生所需的光量,则正向电压的总和可能需要使用相当高的输出电压的电源。
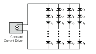
并联配置

图3
当并联连接时,LED仍然可以串联布置在两个或更多个LED串中。优点是对于相同数量的LED即相同的亮度,电源可以有较低的输出电压,因为每个串中的LED的数量可以减少。另一个优点是,如果在一个串中的一个LED变成开路,则其他串不受影响,灯具仍然可以发光,但亮度降低。缺点是由于每个串中存在稍微不同的正向电压,每个串中的电流不能由单个电源精确控制,因此每个串可能需要一个电流平衡装置,这会降低整体效率。

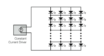
图4
在矩阵配置中,LED可以以并行配置的方式进行相似地配置,但是串与串之间每个LED都会连接。这种配置的最大优点是,如果单个LED变成开路,则仍然存在一条路径让电流流过该串中的所有其他LED,因此光输出几乎不减少。主要的缺点在于,由于不能使用电流平衡装置,因此更难控制每个串中的电流。这意味着所使用的LED必须具有紧密匹配的正向电压,这可能增加成本。
上一篇:LED工艺概述及外延片工艺流程