时间:2017-08-25 09:28
人气:
作者:admin
本文来自电子发烧友八月主题月技术供稿,转载请注明出处,作者Microchip Technology Inc.8位单片机产品部主任应用工程师Mark Pallones
开关模式可调光LED驱动器凭借其高效性以及对LED电流的精确控制而闻名。这类LED驱动器还可以提供调光功能,使得最终用户在营造奇幻灯光效果的同时有效降低自身功耗。基于8位单片机(MCU)的解决方案可针对此类应用提供必要的模块,从而实现通信、定制和智能控制功能。此外集成的独立于内核的外设,与纯模拟或ASIC实现相比可显著提升灵活性,扩展照明产品功能的同时塑造产品差异化,从而实现创新。这类智能照明解决方案具备故障预测和维护、能量监测,色温维持以及远程通信和控制等功能,功能之丰富不胜枚举,并且将因此而倍受青睐。
虽然LED驱动器与先前的照明解决方案相比具备诸多优势,但其实现过程中也会面临许多挑战。但您不必担心,阅读完本文章后,您将会了解如何使用8位MCU来轻松应对这些设计挑战,从而打造出高性能的开关模式LED驱动解决方案,功能之丰富令传统解决方案只能望其项背。
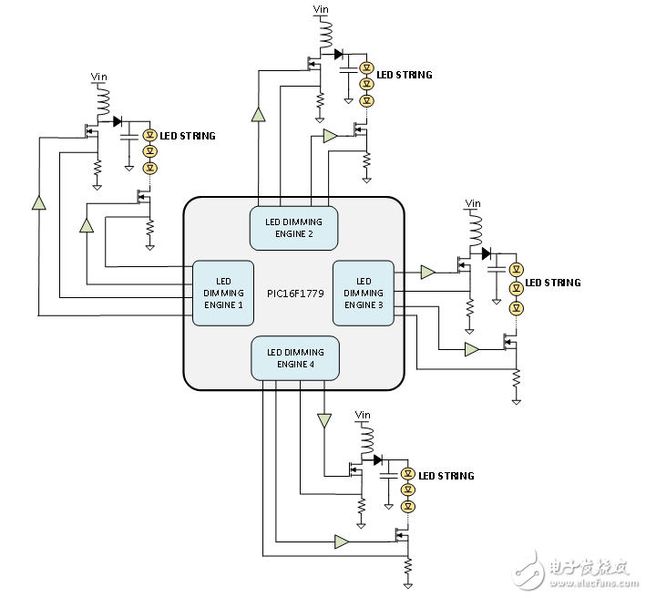
8位单片机可独立控制最多四个LED通道,这是大多数现成LED驱动器控制器所不具备的一项独特能力。在图1中,LED调光引擎可由单片机中提供的外设构成。这些引擎均具有独立的封闭通道,极少需要甚至不需要中央处理单元(CPU)干预即可控制开关模式电源转换器。这样可以释放CPU以执行其他重要任务,比如系统中的监控功能、通信功能或新增的智能功能。


图1:通过Microchip的PIC16F1779 8位单片机控制四个LED串的图示
在图2中,基于电流模式升压转换器的LED驱动器由LED调光引擎控制。该引擎主要由互补输出发生器(COG)、数字信号调制器(DSM)、比较器、可编程斜坡发生器(PRG)、运算放大器(OPA)和脉宽调制器3(PWM3)等独立于内核的外设(CIP)组成。这些CIP与固定稳压器(FVR)、数模转换器(DAC)和捕捉/比较/PWM(CCP)等其他片上外设一起组成完整的引擎。COG将高频开关脉冲提供给MOSFET Q1,从而将能量和供电电流传输给LED串。COG输出的开关周期通过CCP和占空比设置,用于维持LED恒定电流,具体取决于比较器输出。每当Rsense1两端的电压超过PRG模块的输出时,比较器就会产生一个输出脉冲。PRG的输入源自反馈电路中的OPA输出,它被配置为斜率补偿器,以在占空比大于50%时抵消固有次谐波振荡的影响。
OPA模块实现为具有II型补偿器配置的误差放大器(EA)。FVR用作DAC输入,根据LED恒定电流规范为OPA同相输入提供参考电压。