时间:2017-05-19 10:40
人气:
作者:admin
白光LED的应用使闪光灯进入更新型的应用领域,它所显出的可靠性、耐久性以及白光LED的功耗控制能力使这些器件极具吸引力。在采用白炽灯时,对器件的电源管理只是简单的开关切换。然而白光LED不能直接采用闪光灯中的电池进行工作,因为它要求的电压是介于2.8V和4V之间的,而相比之下电池电压只有 1.8V~3V。电源管理的复杂性有所增加,因为白光LED的光输出与电流相关,而白光LED的特征与电压呈现出极端非线性的关系。解决此问题的方法之一是提高电源的电流限制能力。
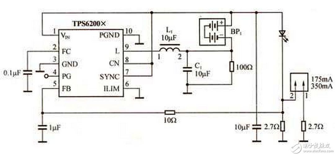
采用提升电源调节器驱动白光LED的电路如图1所示。提升电源调节器TPS6200×可以产生白光LED所需要的高电压。内部升压功率级可连接VIN与PGND端,从而为输出引脚L提供电流。此电路通过打开输出端开关进行工作,从而可以连接电感器L1上的电池电压。一旦电感器L1储存了足够的能量,输出端开关立即关闭。电感器电流可驱动开关节点切换到负极,并驱动输入端的能量转移到输出电容器C1中。
由于输出端与输入端的开关是MOSFET管,因此压降低于二极管方案,从而可以实现高的效率。调节器TPS6200×通过检测电阻器能监控流经白光LED 的电流,同时将检测电压与内部的0.45V参考电压进行对比,以实现调节功能。因此,电流与照度是检测电阻器电压的函数。虽然TPS6200×的内部参考电压比其他大多数变换器的电压要低,但也会造成功率损耗。在采用2.8~4V的白光LED电压时,其效率将降低10%~14%。应通过降低电阻器的阻值并采用放大器实现低电压,以降低这种损耗。

图1 提升电源调节器驱动白光LED的方案
图2示出了在350mA电流调整点时的负载电流调节与升压电压的效率曲线。在正常的电池电压范围内,工作效率可达到80%以上,但是随着电池电压降低到寿命终点值,效率会降低。另外,图2还说明了有无检测电阻的影响。在输入电压较高时,效率接近95%,而在输入电压较低时,效率将降到80%。曲线的趋势源自两个相关的效应:一是在高输入电压下,输入电流和开关电流较低,因此传导和开关损耗较低;二是与自耦变压器极其类似,升压功率级不处理总输入功率。功率级处理的功率量与升压电压相关,或者与输入电压和白光LED电压之间的压差相关。
在此设计中,白光LED的电压大约为8.7V,因此,在8.2V的高压线路上,功率级只处理功率的6%[(8.7-8.2)/8.7]。在电流高得多的低压线路上,功率级要处理8.2V时的4倍功率,即24%的功率。

图2 电路的效率曲线
白光LED为电流驱动器件,光输出强度由流过LED的电流决定。图3所示的是由电压源和限流电阻构成的一种简单偏置电路,流过白光LED的电流由下式确定:
IDIODE=(VCC-VF)/(RLIM+RDS(ON)) (1)

图3 LED偏置电路
这种方式的成本较低,但要求不同二极管的正向电压VF要一致。图4、图5表示25℃时白光LED的正向电压(典型值)与导通电流的关系曲线。从电流指标可以看出,对于GaAsP白光LED,VF可以上升到2.7V(+40%);对于InGaN白光LED,VF可以上升到4.2V(+20%)。如果系统中需要多只白光LED,如移动电话背板显示器采用8只白光LED,则按照图6的设计方案将需要多个限流电阻,占用较大的线路板面积。

LED的基本结构是一个半导体的P—N结。实验指出,当电流流过LED元件时,P—N结的温度将上升,严格意义上说,就把P—N结区的温度定义为LED结温。通常由于元件芯片均具有很小的尺寸,因此我们也可把LED芯片的温度视之为结温。
在LED工作时,可存在以下五种情况促使结温不同程度的上升:
a、元件不良的电极结构,视窗层衬底或结区的材料以及导电银胶等均存在一定的电阻值,这些电阻相互垒加,构成LED元件的串联电阻。当电流流过P—N结时,同时也会流过这些电阻,从而产生焦耳热,引致芯片温度或结温的升高。
b、由于P—N结不可能极端完美,元件的注人效率不会达到100%,也即是说,在LED工作时除P区向N区注入电荷(空穴)外,N区也会向P区注人电荷(电子),一般情况下,后一类的电荷注人不会产生光电效应,而以发热的形式消耗掉了。即使有用的那部分注入电荷,也不会全部变成光,有一部分与结区的杂质或缺陷相结合,最终也会变成热。
c、实践证明,出光效率的限制是导致LED结温升高的主要原因。目前,先进的材料生长与元件制造工艺已能使LED极大多数输入电能转换成光辐射能,然而由于LED芯片材料与周围介质相比,具有大得多的折射係数,致使芯片内部产生的极大部分光子(》90%)无法顺利地溢出介面,而在芯片与介质介面产生全反射,返回芯片内部并通过多次内部反射最终被芯片材料或衬底吸收,并以晶格振动的形式变成热,促使结温升高。
d、显然,LED元件的热散失能力是决定结温高低的又一个关键条件。散热能力强时,结温下降,反之,散热能力差时结温将上升。由于环氧胶是低热导材料,因此P—N结处产生的热量很难通过透明环氧向上散发到环境中去,大部分热量通过衬底、银浆、管壳、环氧粘接层,PCB与热沉向下发散。显然,相关材料的导热能力将直接影响元件的热散失效率。一个普通型的LED,从P—N结区到环境温度的总热阻在300到600℃/w之间,对于一个具有良好结构的功率型LED元件,其总热阻约为15到30℃/w。巨大的热阻差异表明普通型LED元件只能在很小的输入功率条件下,才能正常地工作,而功率型元件的耗散功率可大到瓦级甚至更高。
a、减少LED本身的热阻;
b、良好的二次散热机构;
c、减少LED与二次散热机构安装介面之间的热阻;
d、控制额定输入功率;
e、降低环境温度
LED的输入功率是元件热效应的唯一来源,能量的一部分变成了辐射光能,其餘部分最终均变成了热,从而抬升了元件的温度。显然,减小LED温升效应的主要方法,一是设法提高元件的电光转换效率(又称外量子效率),使尽可能多的输入功率转变成光能,另一个重要的途径是设法提高元件的热散失能力,使结温产生的热,通过各种途径散发到周围环境中去。