时间:2016-12-16 12:13
人气:
作者:admin
有机发光显示二极管(OLED)作为一种电流型发光器件已越来越多地被应用于高性能显示中。由于它自发光的特性,与LCD相比,AMOLED具有高对比度、超轻薄、可弯曲等诸多优点。但是,亮度均匀性和残像仍然是它目前面临的两个主要难题,要解决这两个问题,除了工艺的改善,就不得不提到补偿技术。
介绍补偿技术之前,首先我们来看看AMOLED为什么需要补偿。下图所示为一个最简单的AMOLED像素电路,它由两个薄膜晶体管(TFT)构建像素电路为OLED器件提供相应的电流。

与一般的非晶硅薄膜晶体管(amorphous-Si TFT)相比,LTPS TFT和Oxide TFT具有更高的迁移率和更稳定的特性,更适合应用于AMOLED显示中。在中小尺寸应用中多采用低温多晶硅薄膜晶体管(LTPS TFT),而在大尺寸应用中多采用氧化物薄膜晶体管(Oxide TFT)。这是因为LTPS TFT迁移率更大,器件所占面积更小,更适合于高PPI的应用。而Oxide TFT均匀性更好,工艺与a-Si兼容,更适合在高世代线上生产大尺寸AMOLED面板。然后它们又各有缺点,由于晶化工艺的局限性,在大面积玻璃基板上制作的LTPSTFT,不同位置的TFT常常在诸如阈值电压、迁移率等电学参数上具有非均匀性,这种非均匀性会转化为OLED显示器件的电流差异和亮度差异,并被人眼所感知,即mura现象。Oxide TFT 虽然工艺的均匀性较好,但是与a-Si TFT类似,在长时间加压和高温下,其阈值电压会出现漂移,由于显示画面不同,面板各部分TFT的阈值漂移量不同,会造成显示亮度差异,由于这种差异与之前显示的图像有关,因此常呈现为残影现象,也就是通常所说的残像。
因此,在当前的工艺制作中,不管是LTPS还是Oxide都存在均匀性或稳定性的问题,而且OLED本身也会随着点亮时间的增加亮度逐渐衰减。既然这些问题难以在工艺上完全克服,就必须要在设计上通过各种补偿技术来解决。通常OLED的发光亮度和电流成正比,而电流是由TFT提供的,与TFT的特性参数相关。电流通常表示为,k是和TFT迁移率有关的参数,Vgs和Vds又和电源电压与OLED驱动电压有关。可知影响电流大小的参数有TFT迁移率、阈值电压,OLED的驱动电压以及电源电压的大小。补偿技术的主要目的就是要消除这些因素的影响,最终让所有像素的亮度达到理想值。因为变量太多,技术难度很大,补偿技术已成为 AMOLED显示的核心技术之一。
补偿方法可以分为内部补偿和外部补偿两大类。内部补偿是指在像素内部利用TFT构建的子电路进行补偿的方法。外部补偿是指通过外部的驱动电路或设备感知像素的电学或光学特性然后进行补偿的方法。通常内部补偿的像素结构和驱动方式都较复杂,且补偿效果仅限于TFT 阈值电压和IR Drop,补偿范围偏小,难以解决残像问题。这种补偿方式在TV产品中应用不多,但是在手机/平板这些使用频率不高,产品生命周期短的应用中,也足以满足需求。而外部补偿的方式具有像素结构简单,驱动速度快和补偿范围大的优点,但缺点是外围驱动电路设计复杂度高,在大尺寸AMOLED TV显示应用中,外部补偿被认为是较佳的补偿方案。但是最近随着用户对产品特性的要求提高,外部补偿也在逐渐向中小尺寸应用中发展。
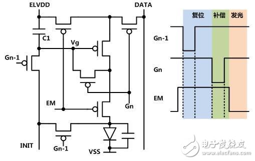
下图是一个典型的内部补偿型电路,它由7个TFT和1个存储电容组成,因此被简称为7T1C结构,类似还有6T1C,5T2C等很多类似电路结构,经过近几年的不断研究和发展,内部补偿电路的拓扑结构几乎已被穷尽,很难再有实用性的结构创新。这种像素电路工作时一般都会有三个工作阶段,会经历复位、补偿、发光,即一个驱动周期至少要干2到3件事,因此对电路驱动能力和面板上的负载都有一定要求。它的一般工作思路是在补偿阶段把TFT的阈值电压 Vth先储存在它的栅源电压Vgs内,在最后发光时,是把Vgs-Vth转化为电流,因为Vgs已经含有了Vth,在转化成电流时就把Vth的影响抵消了,从而实现了电流的一致性。但是实际因为寄生参数和驱动速度等影响,Vth并不能完全抵消,也即当Vth偏差超过一定范围时(通常?Vth≥0.5V),电流的一致性就不能确保了,因此说它的补偿范围是有限的。

外部补偿根据数据抽取方法的不同又可以分为光学抽取式和电学抽取式。光学抽取式是指将背板点亮后通过光学CCD照相的方法将亮度信号抽取出来,电学抽取式是指通过驱动芯片的感应电路将TFT和OLED的电学信号抽取出来。两种方法抽取的信号种类不同,因此数据处理的方式也不同。光学抽取的方式具有结构简单,方法灵活的优点,因此在现阶段被广泛采用。
下图是外部光学补偿原理图。Optical sensor通常是高分辨率和高精度的CCD照相机。

外部光学补偿原理图
其补偿过程是用CCD对整个面板拍照,得到每个像素在几个特征灰阶下的亮度值,然后对子像素进行建模,得到每个像素的灰阶-亮度的特性曲线。在对某一显示图像进行补偿时,我们根据输入灰阶相对应的理想亮度,从该子像素的灰阶-亮度特征曲线中可以反推出为了使该子像素达到相同的亮度,所对应的补偿灰阶,对所有的子像素都进行类似操作,我们就可以得到一个所谓的补偿图像,使用这个补偿图像驱动背板,就可以达到我们想要的理想亮度值。这一技术的难点是如何用CCD准确抓到每个像素的正确亮度并建立正确的模型,要通过算法克服子像素准确定位、摩尔纹等问题。因为光学补偿要借助专业化的设备,只能在出厂前做初始化校准,无法在产品使用中进行补偿,因此只能补偿显示非均匀性,无法补偿使用中产生的残像。

光学外部补偿方案
外部补偿的另一种方式是电学补偿,即通过像素内部的TFT将驱动管的I-V特性以及OLED器件的I-V特性读取到外部感应电路,计算需要补偿的驱动电压值并反馈给驱动面板的芯片从而实现补偿。它需要开发具有信号提取功能的新型IC。

图中Column readout作用是监测 TFT I-V 特性变化和均匀性,监测OLED均匀性和老化;Image processing LSI作用是根据监测结果计算补偿量,并将补偿量和初始数据整合输出给Data Driver
外部补偿像素电路比较简单,通常是3T1C结构如下图,除了传统的数据线以外,它有一个感应线(SENSE)可以将TFT和OLED的电流抽取到驱动IC中。

外部补偿像素结构
它有两种抽取电信号方式,一种是抽取TFT电流,被称作TFT sensing,一种是抽取OLED电流,被称作OLED sensing。基本原理都是给定TFT或OLED的驱动电压,把电流从感应线传抽取到驱动IC,如下图所示

TFT和OLED感应方式
读出电信号后,外部补偿方式可借助外部的集成电路芯片实施较复杂的算法,对TFT阈值电压和迁移率的非均匀性以及OLED 老化等实施补偿。外部电学补偿的技术难点在于实现高精度和高速的TFT&OLED电学参数读取,感应线上的寄生效应会影响读取速度并造成信号衰减,感应电路的误差会造成输出失真,相邻感应线或外界环境的噪声会干扰感应信号的准确性。外部补偿技术是一个包含面板设计,IC设计,驱动电路设计,算法设计的系统级方案,任何一个环节做不好都有可能影响补偿效果,但是一旦实现精准设计,它的补偿效果是最好的,可以实现实时补偿,即在产品生命周期内,在使用过程中持续进行补偿,可有效提升产品寿命。
由于补偿技术非常关键,很多公司都在积极开发具有自主知识产权的补偿技术。目前内部补偿技术积累较深厚的公司是三星,外部补偿业内只有LG率先实现了量产。其他面板厂或公司都在大力投入、针对这一技术积极进行研发,BOE目前也开发完成了具有自主知识产权的内部补偿和外部补偿技术,并已完成了在产品端的验证,在国内处于领先地位。但即使是三星或LG,现在的补偿技术并不能说是毫无瑕疵,还需要继续创新和改进,伴随着工艺水平和能力的进步,相信未来的AMOLED产品会更加完美。
作者简介:吴仲远 BOE VO SBU OLED开发副本部长2004年获得清华大学微电子与固体物理学专业硕士学位,2004~2010在韩国三星半导体从事显示驱动IC设计,2010年加入京东方至今一直专注于大尺寸OLED技术领域。现负责大尺寸OLED技术和产品开发工作。个人主要研究兴趣方向包括AMOLED像素设计、驱动技术、补偿算法、IC设计等。主要负责的55 UHD AMOLED开发、外部补偿等项目曾获集团卓越&优秀项目奖。目前担任SID北京分会专业技术委员会委员。