时间:2016-11-17 16:50
人气:
作者:admin
LED背光源
由于传统LCD显示设备上CCFL(Cold Cathode Fluorescent Lamps,冷阴极荧光灯)背光技术及产品的某些先天不足,例如色域狭窄、能源利用率低其功耗较高和寿命短小等,所以人们一直在寻找着其替代技术及产品,而在这个过程中,LED背光技术产品便被纳入了人们的选用范畴。
应用领域
采用LED为液晶电视的背光源,最主要目的是提升画质,特别是色彩饱和度上,LED背光技术的显示屏可以取得足够宽的色域,弥补液晶显示设备显示色彩数量不足的缺陷,使之能达到甚至超过Adobe RGB和NTSC色彩标准要求,可以达到NTSC ratio 100%以上,其中索尼推出采用LED背光的液晶电视面板,特别强调鲜红和深绿的表现,可显示较以往的方式更为逼真的颜色。同时因为LED的平面光源特性,使LED背光还能实现CCFL无法比及的分区域的色彩和色度调节功能,从而实现更加精确的色彩还原性,以适应平面出版和图形设计工作的需要,画面的动态调整可以使得在显示不同画面时,亮度与对比可以动态修正,以达到更好的画质。
下面介绍五个LED电路设计,供读者赏析:
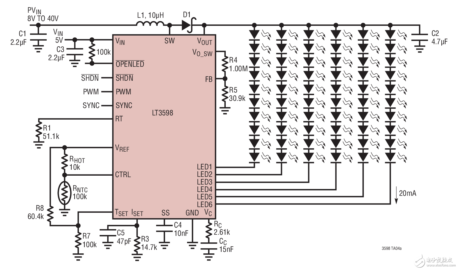
驱动器用于 60 个白光 LED
以下图为例,LT3598用于驱动60 个LED 的6个信道,每串LED的电流被设置为20mA。CTRL 引脚和 PWM 引脚分别负责提供仿真调光和数字调光功能。

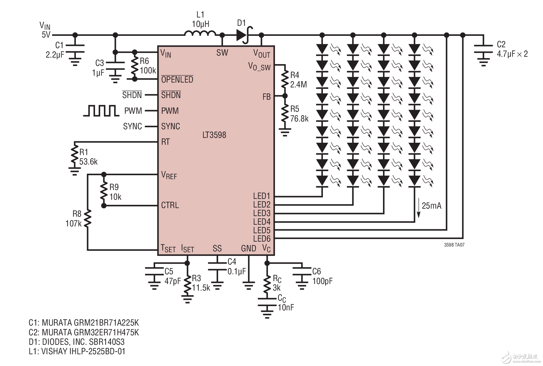
驱动器用于 36 个白光 LED
LT3598用于驱动36 个LED 的4个信道,每串LED的电流被设置为25mA。LT3598专为以一个高达 44V 的输出电压来驱动多达 6 串 LED 而设计。
