时间:2015-12-30 10:10
人气:
作者:admin
一 阻容降压
1. 阻容降压的原理和应用
电容降压实际上是利用容抗限流,而电容器实际上起到一个限制电流和动态分配电容器和负载两端电压的角色。
2. 采用电容降压时应注意以下几点
根据负载的电流大小和交流电的工作频率选取适当的电容,而不是依据负载的电压和功率,限流电容必须采用无极性电容,不能采用电解电容。而且电容的耐压须在400V以上,最理想的电容为聚丙烯金属薄膜电容。电容降压不能用于大功率条件,一般用于5W以下小功率应用场合,电容降压不适合动态负载条件,电容降压不适合容性和感性负载,在LED电源的驱动方面应用上适合单电压应用。
3. 阻容降压式简易电源的基本电路如(图1)

C1为降压电容器, VD1, 2, 3, 4为桥式整流二极管, VD5是稳压二极管, R1为关断电源后C1的电荷泄放电阻。
4. 器件选择
电路设计时,应先测定负载电流的准确值,然后参考示例来选择降压电容器的容量。因为通过降压电容C1向负载提供的电流Io, 实际上是流过C1的充放电电流Ic.C1容量越大,容抗Xc越小,则流经C1的充、放电电流越大。当负载电流Io小于C1的充放电电流时,多余的电流就会流过稳压管,若稳压管的最大允许电流Idmax小于Ic-Io时易造成稳压管烧毁。为保证C1可靠工作,其耐压选择应大于两倍的电源电压。泄放电阻R1的选择必须保证在规定的时间内泄放掉C1上的电荷。
5. 实际参数计算方法
已知C1为0.33μF, 交流输入为220V/50Hz, 求电路能供给负载的最大电流。
C1在电路中的容抗Xc为:
Xc=1 /(2 πf C)= 1/(2*3.14*50*0.33*10-6)= 9.65K
流过电容器C1的充电电流(Ic)为:
Ic = U / Xc = 220 / 9.65 = 22mA.
二 线性驱动电路
1. 典型的电路如(图2)

2. 工作原理
R3为恒流电阻, 利用R3的压降来控制TL432的开关, 在利用432的开关来控制Q1的导通从而达到输出恒流的目的, 选择432的目的是利用432基准为1.21V来降低在R3上的损耗。电流恒流值之为1.21/R3, R1选择根据Q1的放大倍数来选取。
3. 应用场合注意事项
此电路建议应用在单电压输入, 输出电流小电流的LED电源驱动上, 比如球泡灯, T管等, 一般建议输出电流在100mA下。同时输出电压越接近输入会比较好, 这样避免Q1的的压降过大而造成损耗过大, 效率较低, 因此LED的使用也最好串联使用。
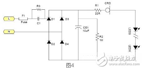
三 恒流二极管驱动电路
1. 典型的电路如(图3, 图4)

