时间:2015-03-18 13:49
人气:
作者:admin
德国elmos公司日前宣布将亮相于3月17-19日在上海举办的慕尼黑电子展。届时,elmos将推出多款LED照明及马达驱动系列应用方案。其中,针对车用LED照明,elmos将重点推出车前灯、尾灯以及车内饰照明等方面。而其马达驱动的解决方案则可以应用于油泵、水泵、液压、空调风机、发动机冷却风扇、大灯随动转向系统及阀门控制系统等。欢迎参观elmos展台E3馆,3346号
开关电源恒流LED驱动系列- E522.31/32/33/34
该系列芯片基于开关电源的工作原理,实现高效率、高可靠性的恒流控制策略适用于汽车头灯、日间行车灯或者是后雾灯。其输入电压范围从5V到55V, 在Boost工作模式下能够产生高达60V的输出电压。这个系列的产品分为单通道以及双通道的版本,针对不同的产品使用实现最优性价比。另外,它所具备的-40 to +125°C工作环境温度非常适合用在极为严酷的环境中。

E522.3x典型应用电路
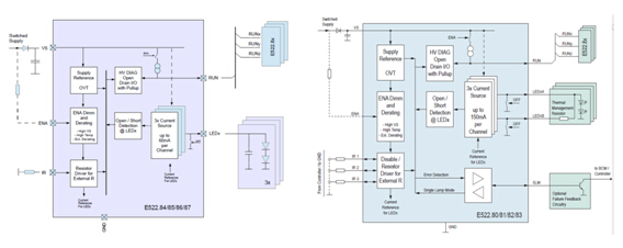
线性恒流LED驱动系列-E522.80/81/82/83/84/85/86/87
该系列的产品基于线性方案,主要推广的应用领域是在汽车尾灯照明。每一款芯片内部都设计有三路独立的恒流源,每一路恒流源可以驱动的LED电流从20mA到150mA不等。在使用的适合,用户和可以把他们的输出并联在一起实现较高的电流输出,从而实现最大450mA的输出电流。采用该芯片可以实现灵活的拓扑结构,一种方法是把多个芯片级联在一起,实现整体协同工作,另外它也可以工作在单灯模式,即一个芯片驱动一个或多个LED灯串的模式。值得一提的是,该芯片还特别采用了一种专利技术,把整体的耗散功率分配一部分到PCB上,在小尺寸的封装芯片上实现大电流的输出。

E522.8X 典型应用电路
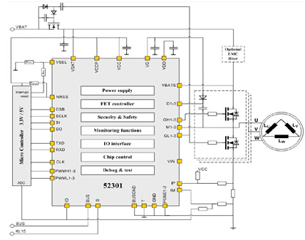
三相全桥驱动器-E523.01
该方案可用于BLDC电机和DC电机的驱动,这些方案包括油泵、水泵、液压、空调风机、发动机冷却风扇、大灯随动转向系统及阀门控制系统等。采用该方案的电控模块具有灵活的动态可编程特点,为电机驱动提供精确的死区时间。芯片具有很宽的输入电压范围,其工作电压范围是7V到28V,静态功耗只有20µA。

E523.01典型应用电路
72V可编程直流无刷电机控制器 - E523.52
该芯片工作电压最高可达72V,内置16位单片机及特殊马达驱动控制单元,用来驱动三相全桥NMOS马达驱动单元,马达的最大功率可以达到1000W。
关于艾尔默斯半导体
艾尔默斯半导体公司(elmos)成立于1984年,长期致力于研发、生产基于半导体技术的系统解决方案,拥有丰厚的技术资源与设计经验。技术领域涉及混合信号技术、电机控制技术、传感、光电技术领域,可为用户提供量身定制的产品设计服务。产品主要应用于汽车、工业控制、医疗设备、安防系统等领域。