时间:2015-04-17 15:52
人气:
作者:admin
2015年4月16日,致力于亚太地区市场的领先电子元器件分销商—大联大控股宣布,其旗下品佳推出基于Infineon 准谐振控制器ICL5101的商业照明解决方案,以满足商业照明应用对高性能、高可靠性系统的需求。其典型应用包括:室内及室外LED 照明、高/低棚照明、街道照明、停车场及天棚照明、办公室照明、零售以及商店照明。
大联大品佳代理的Infineon ICL5101内部集成PFC和LLC,其方案比竞品所需元件减少约25%,在降低成本的同时更减小了外形尺寸,增加了系统可靠性;该IC的所有运行参数可由简单电阻进行调节;可在任何条件下以极短时间(小于200 ms)点灯;其可调式PFC单元可输出优质电能,在宽输入电压范围内实THD低于10%功率因素超过0.99,从而助力照明设备生产商达到能效标准;其结温范围为-40°C 至 +125°C;外部过温保护和容性负载保护等一系列保护功能确保及时检测出故障状态、提升系统安全。值得强调的是,ICL5101 所支持的谐振拓扑效率高达95%。

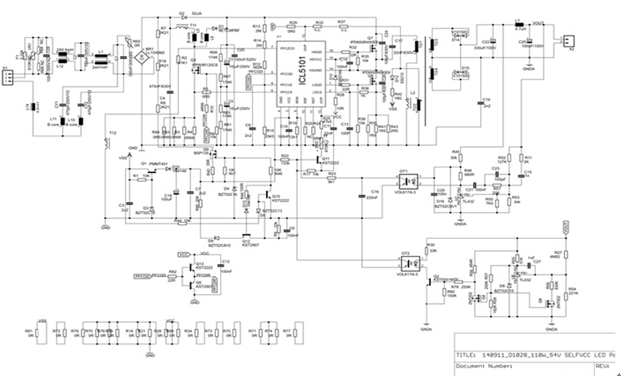
图示1-大联大品佳Infineon ICL5101系统架构图
大联大品佳Infineon ICL5101商业照明解决方案特色:
Product highlights
• 支持85V—305V全电压输入
• 更少的外围元器件,更高的可靠性
• 仅用电阻调整参数
• 可使用环境温度 -40 °C to +125 °C
• 负载调整率0.1%,无噪音,支持调光功能
• 集成完整的保护功能及温度保护
• 超快启动时间《 200 ms
• FPC 》 95 %,THD 《 10 %
• 效率高达 94 %
PFC feature set
• PFC正在工作在CRM模式,在轻载模式下工作在DCM模式,确保在调光到0.1%的情况下没有噪音
• 优化改善THD
• PFC输出电压可调
Resonant half bridge feature set
• 采用无磁芯变压器技术的650V半桥驱动器
• 自适应死区时间 500 ns – 1.0 μs
• 可调整过载,短路,开路检测
• 容性负载检测
• 优化启动瞬间的磁饱和现象控制
图示2-大联大品佳Infineon ICL5101演示板照片
规格说明
• 输入电压范围:85-305 VAC
• 输入电压频率:47-63 Hz
• 输出规格:54 VDC / 2.06 A
• 效率:≥ 93.5 % at 230 Vac
• THD:《 10 % @ POUT 》 40 W at 230 Vac
• 能效标准:According to EN61000-3-2 Class-D
• EMI:According to EN55015
• 安规标准:According to EN61347-2-13
• 演示板规格尺寸:227.3 mm (L) x 48.25 mm (W) x 30 mm (H)
关于大联大控股:
大联大控股是全球第一,亚太区市场份额领先的半导体元器件分销商,总部位于台北(TSE:3702),旗下拥有世平、品佳、诠鼎及友尚,员工人数近6,000人,代理产品供应商超过250家,全球超过120个分销据点(亚太区约70个),2014年营业额达149亿美金(自结)。(*市场排名依Gartner公布数据)
大联大控股开创产业控股平台,持续优化前端营销与后勤支持团队,扮演产业供应链专业合作伙伴,提供创造需求(Demand Creation)、交钥匙解决方案(Turnkey Solution)、技术支持、仓储物流与IC电子商务等增值服务,满足原始设备制造商(OEM)、原始设计制造商(ODM)、电子制造服务商(EMS)及中小型企业等不同客户需求。国际化经营规模与本地化销售渠道,长期深耕亚太市场,连年获得专业媒体评选为「亚洲最佳IC分销商」。
为提高大联大的本土化服务质量,满足大中国区服务区域客户的差异化需求,大联大(中国)服务六大领域包括中资(China-Based Manufacturers)、台商(Taiwan-Based Manufacturers)、外商(Electronic Manufacturing Service)、日商(Japan-Based Manufacturers)、韩商(Korea-Based Manufacturers)及港商(HongKong-Based Manufacturers)客户。大联大除提供客户最佳的交钥匙解决方案(Turnkey Solution),并为满足客户小批量器件采购需求,特别成立专责的小批量服务团队(SQS, Small Quantity Service)。大联大已分别于内地及香港成立大联大商贸、大联大商贸(深圳)及大联大电子(香港),以「产业首选.通路标杆」为企业愿景,全面推行「团队、诚信、专业、效能」之核心价值观,以专业服务,实现供应商、客户与股东互利共赢。