时间:2015-08-14 14:01
人气:
作者:admin
针对LED 显示屏应用中存在的问题,给出了一种低成本、内容更新便捷的点阵LED 文字显示屏的方案。系统采用C8051F410作为MCU,利用蓝牙模块接收手机蓝牙传输的数据,并将数据通过单片机控制字库芯片进行字符集的转换、点阵代码的提取,进而由单片机控制点阵屏更新显示数据。
系统由带蓝牙功能的智能手机和LED 显示屏组成。其中,LED 显示屏由单片机、LED 点阵模块、字库芯片、蓝牙接收模块、5V 开关电源和3.3V 稳压电路组成,如图1 所示。系统工作过程是: 用户通过智能手机的记事本编辑“数据”,并经无线蓝牙发送到显示屏上的蓝牙接收模块。主控单片机读取蓝牙接收模块接收的“数据”并进行处理。“数据”由“ 控制命令”和“显示内容”构成,两部分数据用自定义特征符分隔开。“控制命令”用于对显示屏的亮度、显示内容移动速度和移动方向进行设置; 而单片机根据收到的“显示内容”的字符代码在字库芯片中找到相应的32 字节显示代码送点阵屏显示。

图1 系统组成
LED 点阵屏工作原理
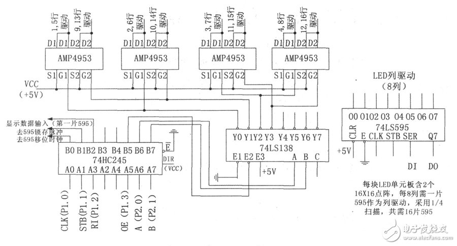
LED 点阵显示屏可按显示需要由若干块每块LED 单元板拼接而成。通用LED 单元板由2 位16 × 16 点阵LED 构成,尺寸为160* 320mm2.单元板的工作原理如下。
每板有16 行32 列,数据的显示采用传统的行列式扫描方式。通常为了减小闪烁,提高扫描速度,采用1 /4 扫描,即把16 行分为4 个4 行,每次同时选通4 个4 行中的同序对应行,这样扫描4 次即可完成16 行的扫描显示。其中列控制由74HC595承担,每块单元板上有16 片,每片分别控制4 行8 列的点阵小单元。行控制是由1 片译码器74LS138 承担,每次使单元板的4 个4 行的同序对应行选通。为了保证正常的电流驱动( 亮度) ,74LS138 的输出经AMP4593 驱动放大。每块单元板有4 片,每片分别驱动4 行。16 片74HC595 接成级联方式,由于每4 行32 列需4 片74HC595, 16 行32 列就是16 片。设第一个4 行的4 片74HC595 序号为1、2、3、4,第二个4 行的4 片74HC595 序号为5、6、7、8,依次类推。每一片的数据输出端接到下一片的输入端,数据从第1 片的输入端串行输入,在移位脉冲的作用下一位一位依序移入,经过8 × 16 个脉冲,最先移入的数据位移到了第16 片的最低位( 也是该片的输出端) ,所有数据都移入后,就可显示一板完整的内容,按此规律即可进行显示的软件设计。如果显示的字数多,拼接的LED 单元板就多,显示一屏完整内容所需的移位脉冲就多。这种显示方式要求主控单片机有较高的指令执行速度,否则就会有闪烁感。点阵单元板原理图如图2 所示。

图2 点阵单元板原理图
最小系统电路设计
系统对单片机时钟的精度和温度稳定度都没有特别要求,可以直接使用C8051F410 单片机内部自带的时钟振荡器,而无需外接振荡器。使用时要注意的是,是芯片工作电源是从Vregin 引脚引入( + 3. 3V) ,VDD 是内部基准电压输出引脚,VIO 是I /O 口作为数字引脚时的电源输入引脚。电路设计时必需在紧靠这3 个引脚的位置布上滤波和退耦电容( 4. 7μ 和104p) .P1. 0~ P1. 3 是显示屏的控制线CLK、SCLK、R 和OE; P1. 7、P0. 0 ~ P0. 2是字库芯片控制线,采用SPI 接口; P2. 0 和P2. 1 是显示屏的行扫控制线A 和B; P0. 4 和P0. 5 是串口通信线,与蓝牙模块连接。这12 根引脚都需配置为数字引脚。最小系统电路如图3 所示。

图3 C8051F410 单片机最小系统
系统总体电路
本系统以单片机C8051F410 作为MCU,外围电路包括蓝牙模块、字库芯片、LED 点阵屏和电源模块,系统电路原理如图8 所示。

图8 系统原理图。
编辑点评:系统实现了通过手机更新显示屏显示内容的目的,方便又快捷。经过一批用户的使用,显示性能和控制性能均较为稳定。但是,在实际使用过程有部分手机不支持Unicode 字符集格式。本设计仅限于智能机通过记事本编辑显示数据的传送,而不同手机采用的记事本编辑软件不尽兼容。
电子发烧友六月《嵌入式技术特刊》,更多优质内容,马上下载阅览
上一篇:说蓝色LED将被淘汰有啥依据