时间:2014-09-11 16:55
人气:
作者:admin
光电隔离介绍
光耦合器一般由三部分组成:光的发射、光的接收及信号放大。输入的电信号驱动发光二极管(LED),使之发出一定波长的光,被光探测器接收而产生光电流,再经过进一步放大后输出。
这就完成了电—光—电的转换,从而起到输入、输出、隔离的作用。由于光耦合器输入输出间互相隔离,电信号传输具有单向性等特点,因而具有良好的电绝缘能力和抗干扰能力。又由于光耦合器的输入端属于电流型工作的低阻元件,因而具有很强的共模抑制能力。所以,它在长线传输信息中作为终端隔离元件可以大大提高信噪比。在计算机数字通信及实时控制中作为信号隔离的接口器件,可以大大增加计算机工作的可靠性。

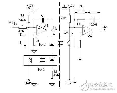
图1.光电隔离器工作原理
由于光耦合器输入输出间互相隔离,电信号传输具有单向性等特点,因而具有良好的电绝缘能力和抗干扰能力。又由于光耦合器的输入端属于电流型工作的低阻元件,因而具有很强的共模抑制能力。所以,它在长线传输信息中作为终端隔离元件可以大大提高信噪比。在计算机数字通信及实时控制中作为信号隔离的接口器件,可以大大增加计算机工作的可靠性。
光耦合器的主要优点
信号单向传输,输入端与输出端完全实现了电气隔离隔离,输出信号对输入端无影响,抗干扰能力强,工作稳定,无触点,使用寿命长,传输效率高。光耦合器是70年代发展起来产新型器件,现已广泛用于电气绝缘、电平转换、级间耦合、驱动电路、开关电路、斩波器、多谐振荡器、信号隔离、级间隔离 、脉冲放大电路、数字仪表、远距离信号传输、脉冲放大、固态继电器(SSR)、仪器仪表、通信设备及微机接口中。在单片开关电源中,利用线性光耦合器可构成光耦反馈电路,通过调节控制端电流来改变占空比,达到精密稳压目的。
光电隔离电路的作用
是在电隔离的情况下,以光为媒介传送信号,对输入和输出电路可以进行隔离,因而能有效地抑制系统噪声,消除接地回路的干扰,有响应速度较快、寿命长、体积小耐冲击等好处,使其在强-弱电接口,特别是在微机系统的前向和后向通道中获得广泛应用。

图2. 光电隔离器应用
电压、电流、温度、压力、应力及流量等测量是工业及过程控制应用中的重要组成部分。此类应用环境常会涉及危险级电压、瞬态信号、共模电压及不稳定地电位,可能会损坏测量系统,降低测量精度。为了克服以上缺陷,工业应用中的测量系统设计会加入电气隔离。本白皮书集中讨论模拟测量中的隔离,解答隔离应用中的常见问题,还将涉及不同隔离方式的技术实现。
实现隔离的方法
隔离要求信号通过隔离阻障传输,不能有直接电气连接。常用的非接触式信号传输器件有发光二极管(LED)、电容、电感等。此类器件的基本原理即是最常见的三种隔离技术:光电、电容、及电感耦合。LED能在通电时发光。光电隔离利用LED与光电探测设备实现隔离阻障,通过光来传输信号。

光电隔离电路
光电探测设备接受LED发出的光信号,再将其转换成原始电信号。光电隔离是最常用的隔离方法。使用光电隔离的优势是能够避免电气与磁场噪声。而缺点则是传输速度受限于LED的转换速度、高功率散射及LED磨损。
下一篇:智能照明网关的现状与趋势分析