时间:2014-11-04 16:10
人气:
作者:admin
现今的LED照明已具备了多元化的应用场合,从简单的白炽灯或冷阴极荧光灯(CCFL)替代品,到新的建筑、工业、医疗和其他应用。为了在应用中最佳化匹配灯和光亮,不同的LED照明应用通常都有相对应的性能标准要求。
为了驱动LED,工程师可以从琳琅满目的驱动器架构中挑选,然而每一架构都有各自的优缺点,针对具体应用的适应能力有好有坏。选择驱动器架构时需考虑的因素有很多,其中成本占据首要位置,其次是隔离、调光、闪烁、色温、功率因数、可靠性、热管理等问题。
基本的LED驱动器架构有几种:次级侧控制、初级侧控制、隔离式/非隔离式。此外,功率因数控制(PFC)也是在许多应用中的一个主要性能考虑因素,其解决方案由带PFC功能的两级或单级驱动器,或不带PFC功能的单级驱动器(主要用于功率低于5W的应用)组成。因此,整个驱动器子系统就是一系列权衡下的结果,目的是降低物料清单(BOM)成本,实现最高效率,同时提供调光功能,打造一款温度可控、具备故障保护功能的产品。
基本的驱动器架构
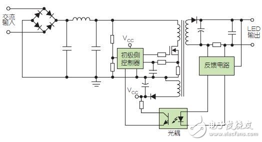
为了实现最佳的隔离和控制,次级侧控制架构监测输出电压/电流,并通过一个光隔离通路向初级侧驱动器提供反馈信号(图1)。该反馈信号使次级侧控制器能够提供较好的电流及电压控制精度。更简单的初级侧控制方案消除了次级侧控制器和光隔离信号通路,从而降低了系统成本,在提高系统性能的同时,缩减了系统尺寸。在这种方案中,初级侧驱动器通过初级侧波形分析确定输出电流和电压(图1)。取决于分析的质量,初级侧控制可以做到匹敌甚至超越次级侧调节及性能,因此是当今隔离式LED驱动器常用的解决方案。


图1:两种常见的LED驱动器方案采用了次级侧控制(上图)和初级侧控制(下图)。次级侧控制具备较好的电流及电压控制精度,但初级侧控制可减少元器件数量和系统尺寸,同时提高性能。
基本的初级侧控制电路通过输出级变压器实现了隔离。但是,为了减少元器件成本,非隔离方案采用电感器替代变压器,并能采用降压控制器替代初级侧驱动器反激电路(图2)。在非隔离方案中,控制机制得到了简化,但为了防止输入与输出间短路,该电路要求更加复杂的物理隔离。目前,大多数LED驱动器设计采用的是隔离式架构。在未来一两年内,电路设计领域的进步将可提供更进一步降低成本的方案。

图2:初级侧驱动器可通过在输出级使用变压器,设计成隔离式配置;或通过使用电感器替代输出变压器,并选用降压控制器替代反激电路,设计成非隔离配置。
欲了解视频监控相关解决方案与电路图设计,可关注电子发烧友荣誉出品的Designs of week栏目: