时间:2014-12-23 09:46
人气:
作者:admin
描述:
在这个人与人之间靠网线连接的信息时代里,名片也到了必需改革的时候。
传统的姓名、职位、电话、住址到了该抹去的时候了,取而代之的是网名、邮件、网址这些信息化的元素。
仅仅是换一下内容是不够的,信息化应该更加彻底一点,就像下面这张!
相关资料下载:
自制电子名片的电路原理图
自制电子名片的源代码
自制电子名片PCB图纸
自制电子名片的Eagle格式PCB设计图
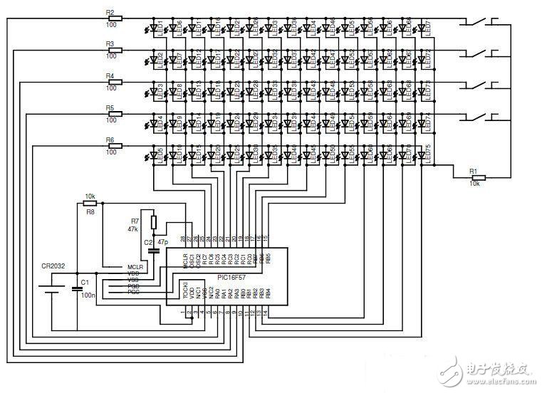
很炫吧,一起来做一个吧,需要一定的电子基础。电路图如下:


首先要做的就是制作PCB板了,使用热转印或者感光干膜可以做到很高的精度,成品PCB板如下:
接下来将各贴片元件焊接上去。
--------------------------------
创新大思维,Designs of week栏目为你提供一切设计所需灵感!本期主题——用语音识别改变世界吧!
然后使用编程器将代码写入单片机。

最后一道工序就是包装名片了,使用泡沫双面胶给PCB板包边。

小心切除多余部分。
打印一张蒙板,对好位置,扣在泡沫双面胶上,一张真正的电子名片就诞生了。
可以改良的地方还是不少的:
降低名片的厚度
显示更丰富的文字和图形
增加便利的信息交互功能(模拟传统的交换名片动作)
上一篇:浅析智能照明发展方向/应用前景
下一篇:智能照明前景可观,推广任重道远