时间:2014-12-23 13:56
人气:
作者:admin
近年来,半导体光源正以新型固体光源的角色逐步进入照明领域。按固体发光物理学原理,LED发光效率能接近100 % ,具有工作电压低、耗电量小、响应时间短、发光效率高、抗冲击、使用寿命长、光色纯、性能稳定可靠及成本低等优点。随着LED 价格的不断降低,发光亮度的不断提高,半导体光源在照明领域中展现了广泛的应用前景。LED的伏安特性与普通二极管的伏安特性相同,正向电压的较小波动就会导致正向电流的急剧变化。LED正向电流的大小会随环境温度变化而改变,环境达到一定温度,LED 容许正向电流会急剧降低; 在此情况下, 如果仍旧通过大电流, 容易造成LED 老化,缩短使用寿命,因此LED 在应用过程中需要一个有恒温、恒流控制的,具有可靠保护功能的LED驱动系统。本文介绍了一种智能LED 驱动系统的设计方法。
恒流驱动电路
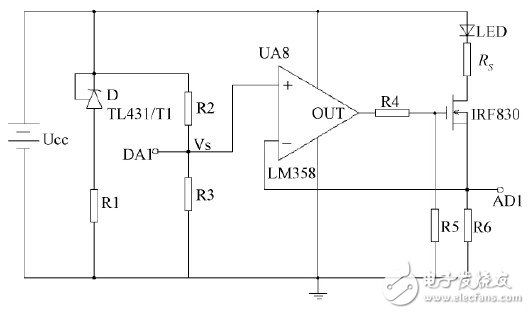
恒流源在一定的电压和温度变化下,产生电流变化接近于零,具有恒定电流值和很高的动态输出电阻。一般,恒流驱动电路用电子管、晶体管、恒流器件、集成电路、集成稳压器和其他元器件组成。为了适合LED 灯具的应用,恒流源不仅要有较高稳定度和电流输出准确度,而且恒流驱动电路输出电流设计为可调输出。为了保证输出电流的精度,本设计采用单片机系统D /A 转换输出电压,调节恒流源输出电流,原理图如图所示。

此恒流驱动电路属于电流串联负反馈的拓扑结构,其中LED 为负载,R6 为采样电阻。在本设计中,为了实现可调恒流源控制,在运算放大器的同相输入端引入由单片机系统D /A 输出的可调电压信号Vs,使其成为受控恒流源,也就是基准电压。在反向输入端连接采样电阻R6。运算放大器工作在深度负反馈状态,它配合功率MOS 管通过反馈跟随输入基准电压Vs,功率MOS 管与运算放大器的基极相连,用来增加驱动电流。当运算放大器的同相端输入电压恒定时,由于负反馈的存在,保证了输出电压的恒定,从而使流经LED 负载的电流为恒定电流。恒流源的输出电流直接取决于D /A 的输出电压和采样电阻R6 的比值。由于反馈环节中使用了运算放大器,反馈环路的环路增益加大,反馈深度加大,恒流驱动电路的输出阻抗很大,满足使用要求。
输出电流与输入控制电压VS直接关系, 运放失调与VS对输出电流有同样的影响, 因而输出电流的稳定性,取决于受控电压VS的稳定性及运放的失调漂移,选择高稳定度的基准电压源作为控制电压,并选用低漂移运算放大器,是提高本电路输出电流稳定性的重要途径。电路中采用的集成运算放大器LM358,LM358 内部包括有两个独立的、高增益的、内部频率补偿的运算放大器,具有高增益、失调电压影响小的优点。
单片机恒流控制
为了得到稳定的驱动电流,提高LED 的光稳定性。本系统通过改变恒流源的外围电压,利用电压的变化,来控制输出电流的大小。本系统控制部分由单片机系统为核心,结合按钮输入和LED 数字显示,由A /D 采样电压通过闭环反馈与输入电压相比较,进行相应调整,最后由D /A 转换输出的模拟电压,作为恒流源的基准输入电压。
单片机硬件系统
单片机系统主要有AT89C51、ADC0809、DAC0800、数码管、按钮等部分组成,单片机系统原理图如图5 所示。

采样模拟电压输入到ADC0809 的输入端,经过ADC0809 转换,输出8 位二进制数到单片机端口,单片机将得到的8 位二进制数,转换成3 位十进制数,显示在数码管上,同时将当前值与基准值相比较,由软件系统做出相应的调整控制。单片机系统软件运算输出一个8 位二进制数值,经由DAC0800实现D /A 转换,输出到DA1 端口,DA1 端口电压输入到恒流驱动电路,调整基准电压VS,实现恒流驱动电路输出电流设计为可调输出。
上一篇:智能照明前景可观,推广任重道远
下一篇:如何有效的解决LED散热问题