时间:2014-12-24 10:33
人气:
作者:admin
LED 灯显示模块
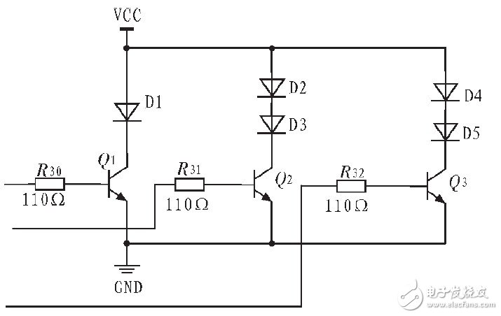
模拟时LED 灯显示模块主要由三级LED 灯组成, 用P2.0、P2.1、P2.2 口控制三极管导通和截止,实现了对输入端不同要求的响应, 系统中LED0,LED1,LED2 分别是第一档、第二档、第三档的光度控制输入口。其硬件电路图如图6 所示。

图6 LED 灯显示电路图
报警模块
模拟时本模块用两个NPN 三极管分别作为蜂鸣器的驱动,当b 极高电平时三极管导通,蜂鸣器工作发出声音。当b极为低电平时三极管不导通,蜂鸣器不工作。b 极连接一个隐形的手动开关作为报警模式的启动与关闭切换。通过单片机的P2.3、P2.4 口控制其发出报警声音, 当有小偷入侵时蜂鸣器发出连续的报警声,当温度太高或发生火灾时蜂鸣器长鸣以警示工作人员。其硬件连接电路如图7 所示。

图7 报警电路图
当然在实际应用中,蜂鸣器的报警声音不能满足要求,可以改用其他功率较大的报警器件,如大功率警铃等可以满足要求。