时间:2014-07-09 11:00
人气:
作者:admin
由于具备高照明效率、长效性与小体积,LED已成为便携式设备,如移动电话与PDA等的必然选择,约0.1W的低功耗白光LED目前正广泛应用在LCD显示面板的背光与键盘照明上,当然也可通过连接多颗LED带来较高的亮度作为临时照明或闪光灯等应用,而可达1W的高功率LED则应用在配备两百万像素,甚至更高分辨率的拍照手机中来支持黑暗环境中的拍照功能。除白光LED外,RGB(红、绿、蓝)光LED也经常被用来强化移动电话的质感,通过三种色彩精确适当地混和,RGB LED可创造出丰富多样的色彩。
在指示应用上,当有来电或信息时可以让彩色LED闪烁,或利用色彩来显示发话者的身份,例如自行定义的群组,如朋友、家人或业务往来的来电,这项功能不仅为移动电话带来个性化,同时在非常吵杂的环境中也相当有用。为进一步强化使用者的影音感受,RGB LED也同时用来产生许多吸引人的发光效果,其中一个例子是将RGB的发光动作与响铃的旋律或MP3音乐加以同步,另外一个RGB发光的有趣应用则是日本松下公司的“Feel Talk”功能,由于RGB LED被安排在移动电话的机壳下方,因此可以依使用者的心情显示不同的色彩
主要白光LED供应商
目前广泛应用在可携式设备LCD与键盘背光的白光LED,是由日商日亚(Nichia)化学公司于1996年推出,透过以淡黄色萤光物质涂布在氮化镓(GaN)与铟氮化镓(InGaN)材质的蓝光LED上来达成白光的效果。另外,蓝光与绿光LED的发展则扩展了LED色彩输出的丰富度。
然而,在上世纪90年代末期,日本、美国与欧洲等地主要LED制造商间的多重专利侵权问题阻碍了新制造商进入这个市场的可能性。但幸运地是,这些法律诉讼逐渐透过相互授权协商获得解决,部分制造商如Nichia、ToyodaGosei、Cree、PhilipsLumileds与OSRAM等更在当时确立了其领先地位。除此之外,数年前***与南韩两地的新进厂商开始崛起,并在过去2年逐渐尝到了营业额高度增长的成果。
LED效能大幅提升
在大量资金投注LED开发后,白光LED的照明效率比起刚发明时有了大幅度的改善,目前市场上最佳的白光LED照明效率可以达到100lm/W,相当接近日光灯管,而一些领先公司也尝试在蓝光LED上使用不同的涂敷物质,并推出更佳发光效率的设计方案,因此提供面板背光所需的LED数目将持续下滑,目前移动电话上标准LCD面板所需的背光LED大约为2~4颗,而PDA或智能型手机上LCD面板的背光则需要6~10颗。在进一步讨论LED背光与闪光灯的驱动电路结构与新功能前,先回顾一下移动电话与PDA中广泛使用的LED以及电池的电气特性。
依不同制造商所采用技术的差异,LED的正向电压(Vf)大约在2.7~4V之间,通常高功率LED拥有高达4.9V的较高正向电压,因此LED驱动电路就必须提供足够的正电压以便让LED以正向偏压的方式发光。当采用多颗LED来提供背光时,在驱动电路设计上应考虑正向电压间的差距,为了得到相同的照明强度,也就是让不同的LED发出相同的色彩,设计工程师必须确保流经每颗LED的正向电流能够相同,低功率LED通常采用20mA的正向电流,最大约为25mA,目前市场上的高功率LED则能以高达1.5A的脉冲电流来驱动。
目前手机与PDA中最常见的电池型式为锂离子或锂高分子可充电电池,采用锂材料的可充电电池标准电压在3.6V到3.7V,工作电压则为4.2V到3.2V,为了确保能够安全运作,这类型的锂材料电池只能够在1C的范围内充电或放电,其中C为电池的规格容量,例如1,000安培小时(mAh)的电池最高放电电流为1A,手机通常使用的电池容量大约在650mAh到1000mAh之间。采用不同阴极材料的新型态锂离子电池已经进行开发以便改善电池的效能,在使用这类电池组时,设计工程师应该要遵守电气规格上的限制并随之调整驱动电路。
现在就让我们进一步研究LED在LCD背光、装饰光源与相机闪光灯中的应用。
LCD背光
在使用最高前向电压为3.4V到4V的LED时,由电池提供的输入电压必须相等或高于所需的驱动电压,因此需要一个具有稳定电流功能的升压式转换器来推动以串联或并联方式连接的LED.
充电泵/切换式电容转换器充电泵转换器目前广泛使用在LCD的背光驱动上,与采用电感式的升压式转换解决方案比较,充电泵驱动电路由于具备较低的成本、较薄的厚度以及较低的杂讯特性而成为较佳的选择,新推出的积体电路设计已经逐渐改善充电泵驱动电路的效率,目前最高效率可超过93%,平均则大约在80%.
渐进式亮度变化与情境式照明渐进式亮度变化主要应用在可携式设备启动或关机时以创造剧场式的照明效果,在启动时,背光电流会依照预先设定的时间间隔以步阶方式逐步放大到20mA,同样地,在关机时则采用相反的动作逐步降低,透过微处理器的帮助,可利用将具备不同频率的PWM讯号送到LED驱动电路的启动接脚来实现这种效果,以特定时间间隔将LED电流用多重步阶的方式加大或降低,不过这个方法却有耗费即时处理器资源的缺点,因此在如NCP5602与NCP5612等LED驱动晶片产品上就将这个功能内建在晶片中(图1)。

图1:典型的2颗LED式充电泵驱动器应用
这些驱动晶片需要两个飞驰电容、输出与输入电容以及一个用来控制最高输出电流的电阻(R1),渐进式亮度变化控制指令则由处理器透过I2C连接埠或输出入接脚送到驱动晶片,指令本身应该包含起始与最终电流大小以及亮度变化的时间间隔。
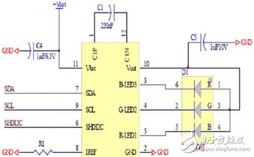
当应用在RGB LED上时,这样的功能就能用来产生情境式的照明效果,藉由每个RGB LED各自拥有的32个明暗步阶,像NCP5623这类的LED驱动晶片就可达到32,768种色彩变化,透过这种明暗步阶以及内建的对数演算法,可创造出对眼睛来说相当平顺且线性化的色彩变化,RGBLED驱动电路包含用来调整3颗LED输出电流的独立控制PWM电流源,以产生所需的色彩输出(见图2)。

图2:具备I2C控制介面的典型RGB LED驱动晶片应用
由于每个电流输出的时序与电流大小都可以独立控制调整,因此能使用白光或带有色彩的LED来表现不同发光模式得到装饰或指示用途的输出,部分具备音讯输入的电路还能让彩色LED搭配内部MP3或和弦铃声的不同频带同步动作。
ICON模式您是否曾经尝试在黑暗的环境中观看手机的时间,这时明亮背光与黑暗环境间的强烈对比对眼睛来说相当不舒服,这也是为何会有‘ICON模式’设计,可在待机模式下以微小的电流点亮外部LCD面板来显示时间或特别定义的影像,不过如果这必须透过PWM明暗控制来达成,那么处理器就心须在整个待机模式下产生一个连续的低频PWM讯号,在NCP5602中,这个功能采用硬体方式实现,并能透过如表1中的数位指令启动。

表1:NCP5602的I2C内部暂存器位元安排
由处理器送到驱动晶片资料位元组中的B5代表了ICON模式的状态,当B5为LOW时,表示使用的是正常背光模式,每个LED的电流可以在0mA到最大30mA间调整,当B5为HIGH时,就会启动ICON模式,且只会将450μA的电流送到所连接两颗LED之一,在这个元件中ICON模式的电流值为固定值,但在类似元件NCP5612上,这个电流则可透过单线式通讯协议来控制。
线性稳压器/电流源方案在使用具备约3.3V较低前向电压的丛集式LED时,可选择线性稳压器来提供驱动电流。与切换式转换器比较,线性稳压器具备较低成本及较低的电磁干扰,因为线性稳压器只需在驱动晶片的周边加入几颗电阻,同时无需使用切换式元件,但这类解决方案的缺点是较窄的有效电池电压运作范围,图4显示了使用NUD4301低压降线性稳压器做为两颗LED驱动电路的情况,依标准0.2V压降以及3.3V的LED前向电压考虑,稳压器将在电池电压低于3.5V时离开稳压模式并进入饱和模式,这将造成稳压器输出电流大幅下滑同时LED亮度开始变暗,不过如果最低电池电压是在可接受的范围,那么线性稳压器还是小型LCD面板最具成本效益的背光解决方案。

图4:采用线性稳压器NUD4301做为推动小型LCD面板背光的两颗LED驱动电路