时间:2014-07-11 10:56
人气:
作者:admin
数字转速表是机械行业必备的仪器之一,用来测定电机的转速、线速度或频率。大多常用的为手持离心式数字转速表。转速测量在国民经济的各个领域,都是必不可少的。
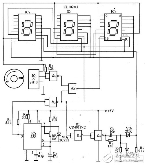
数字转数表的电路如图所示。它主要由装有永久磁铁的磁盘、霍尔集成传感器、选通门电路、时基信号电路、电源计数及数码显示电路等组成。计数及数码显示电路采用CMOS-LED数码显示组件CLlO2,它可以计数并显示数码。

图1 电路图
转盘的输入轴与被测旋转轴相连,当被测轴旋转时,便带动转盘随之转动。当转盘上的小永久磁铁经过霍尔集成传感器IC1时,IC1便会将磁信号转换为转速电信号。该信号经与非门l反相输人至与非门3的输入端,而与非门3的另一输大端接来自时基电路IC2的方波脉冲信号。这个时基信号是用来控制与非门3的开与刁,形成选通门,以此来控制转速信号能否从与非门3输出。
当接通电源后,转速信号立即被送往与非门3的输入端,如果此时时基信号为低电平,则选通门关闭,转速信号元法通过选通门。当第一个时基信号到来时,选通门才被打开,并同时使CMOS-LED数码显示组件IC4、IC5、IC6的LE端呈寄存状态。时基信号的上升沿也同时触发由与非门4、5组成的反相器及由R4、R5、R7、C3、VD2及VD3组成的微分复位电路,复位脉冲由VD3输出后加至IC4、IC5、IC6的R端,使址数器复位清零。在完成上述功能后,时基信号在一个单位时间(例如lmin)内保持高电平。在这段时间内,选通门与非门3一直处于开启状态,转速信号则通过选通门送至LED数码显示组件,实现了在单位时间内的计数。在单位时间结束时,时基信号又回到低电平,此时选通门关闭并自动置计数电路的LE端为选通状态。此时,计数器的计数内容送至寄存器并同时显示其内容。当第二个时基信号到来时,又把计数器的内容清零,并重复上述过程。但此时的寄存器及显示器的内容不变,只有当第二次采样结束后,才会更新而显示新的测试结果。
下一篇:揭秘你所不知道的LED倒装技术