时间:2013-12-19 18:46
人气:
作者:admin
2013年12月19日,致力于亚太地区市场的领先电子元器件分销商---大联大控股宣布,其旗下友尚集团推出基于Fairchild 器件的LED照明电源解决方案,该解决方案包括非调光16.8W FL7732M_F116控制板和调光8W FL7730MY_F116控制板,能够满足不同应用环境对LED照明的需求。
非调光 16.8W FL7732MY_F116控制板
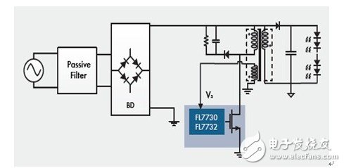
大联大友尚集团代理的Fairchild非调光 16.8W FL7732MY_F116控制板,具有功率因数校正(PFC)以及单级初级端调节(PSR)控制器。 该控制板结合初级端调节和单级PFC拓扑,以减少整体物料清单(BOM)数目,例如,输入电解电容和回授电路,从而达成更小的体积、更长的寿命以及降低设计系统成本。

图示-FL7732M_F116 非调光器控制系统方块图
具体功能包括:输入不需要电解电容;高功率因素》0.9;单级初级侧调节(PSR)控制器不需要光耦合器;精确的输出恒流控制,不受输入电压,输出电压和变压器感量影响;具有线电压补偿功能;具有线性频率控制功能,设计更简化,效率更高;精准的定电流控制(+/-5%)可准确调节输出电流而不受输入和输出电压左右;非连续电流模式(DCM)的运作下提供最佳功率因子和总谐波失真THD。
应用范围包括:Isolation up to 30W;Par30,Par38,T-bar LED 照明;Blub,Down 照明,Tube。
规格说明


图示-FL7732M_F116 非调光器控制板正面

FL7732M_F116 非调光器控制板反面
调光8W FL7730MY_F116控制板
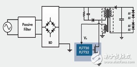
大联大友尚集团推出的Fairchild调光8W FL7730MY_F116控制板具有功率因数校正(PFC),Triac和模拟调光相容的FL7730MY_F116单级初级端调节(PSR)控制器。
FL7730MY_F116结合初级端调节和单级PFC拓扑,以减少整体物料清单(BOM)数目,例如,输入电解电容和回授电路,从而达成更小的体积及寿命更长和系统成本更低的设计。同时该控制板支持Triac调光和解模拟调光,使用Fairchild独特的模拟感测技术,可以使Triac从0%~100%整个光输出范围内提供无闪烁的调光控制方案。

图示-FL7730MY_F116 调光器控制系统方块图
具体功能包括: 输入不需要电解电容;高功率因素》0.9;单级初级侧调节(PSR)控制器不需要光耦合器;精确的输出恒流控制,不受输入电压,输出电压和变压器感量影响;具有线电压补偿功能;具有线性频率控制功能,设计更简化,效率更高;精准的定电流控制(+/-5%)可准确调节输出电流而不受输入和输出电压左右;非连续电流模式(DCM)的运作下提供最佳功率因子和总谐波失真THD。
规格说明


图示-FL7730MY_F116控制板正面

图示-FL7730MY_F116控制板背面
更多的产品及方案信息,请联系友尚集团。友尚集团版权所有,转载请注明出处!
如欲访问大联大控股网站获得更多信息,并帮助我们分享给更多人,请关注大联大官方微博(@大联大)。
关于大联大控股
大联大控股是亚太地区市场份额领先的电子元器件分销商,总部位于台北(TSE:3702),结合旗下世平集团、品佳集团、富威集团、凯悌集团、诠鼎集团、友尚集团及大传集团等亚太地区元器件分销领先品牌,员工人数近6,500人,代理产品线约250条,全球超过130个分销据点(亚太区约80个),2013年营业额超过132亿美金(估)。
大联大控股开创产业控股平台,持续优化前端营销与后勤支持团队,扮演产业供应链专业合作伙伴,提供创造需求(Demand Creation)、解决方案(Turnkey Solution)、技术支持、仓储物流与IC电子商务等增值服务,满足原始设备制造商(OEM)、原始设计制造商(ODM)、电子制造服务商(EMS)及中小型企业等不同客户需求。国际化经营规模与本地化销售渠道,长期深耕亚太市场,连年获得专业媒体评选为「亚洲最佳IC分销商」,稳踞全球第三大电子元器件分销商。
大联大以「产业首选.通路标杆」为企业愿景,全面推行「团队、诚信、专业、效能」之核心价值观,以专业服务,实现供货商、客户与股东互利共赢。