时间:2013-06-20 10:45
人气:
作者:admin
一般的LED照明灯在驱动电路中都有限流电阻,而电阻消耗的电能与LED发光无关。为了提高效率,就要采用恒流输出的开关稳压电源,并在输出级采用功率MOSFET.
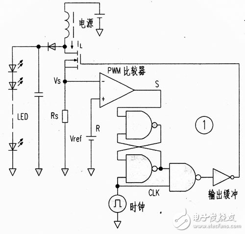
图1是这种驱动电路的方框图,它省略了传统电路的三角波发生器和误差放大器,而使用了CM0S逻辑IC和PWM调制器。当时钟CLK信号为低电平时,RS触发器处于复位状态,输出FET关断。而当CLK信号为高电平时,输出FET导通。其电流被电阻Rs转换成电压,当此电压高于基准电压Vref 时,比较器输出由高变低,RS触发器又被复位,输出FET再关断。其结果,即使电源电压有变化,储存在电感中的能量却是恒定的。实现了恒功率输出。这里是把Rs上的电压降作为三角波电压,PWM比较器将此电压与基准电压直接比较而起到了误差放大器的作用。

实际电路如图2,采用了分立元件组成,重点是PWM比较器和倍压脉冲输出电路。

PWM比较器由与非门IC2a和摸拟开关IC3组成,即所谓的斩波比较器,并把与非u7yh的一个输入端置为高电平而成为反相器。此反相器重复工作在“预充电”和“比较”这两个状态中。
预充电状态
在预充电状态,电容C5被IC6(LM385)提供的基准电压Vref充电,这时输出既不是高电平,也不是低电平;而保持在比较器即将翻转时的输出状态、并与ItS触发器组合成PWM电路。
比较状态
输人电压使充在C5上的电压电平移位,并输入到反相器,与反相器的阈值电压比较,输出高电平或低电平。
倍压脉冲输出电路
顾名思义,这是要产生2倍于电源电压的脉冲。首先在输人低电平时,电容C7被充电,输出为0V;当输人高电平时,voc和电容上的电压串联,在反相器IC5的YlX)端电压是2Vcc;由于Yss端加有voc电压,故输出2Vcc.
在图2中,555(IC1)时基电路产生时钟脉冲,通过亮度调节开关51来改变C2的充电电压,以选择11.4kHz和965Hz两挡频率来改变时钟频率,达到改变亮度的目的。
输出电路和PWM比较器直接与电源连接,但在不开灯日寸耗电仅10uA.
输出连接35只白光二极管,分五组串并联。