时间:2013-01-30 10:52
人气:
作者:admin
Linear公司的LT3791是同步的四开关升压-降压LED驱动控制器,可使VIN高于、低于或等于VOUT,效率高达98.5%,输入电压4.7V~60V,输出电压0V~60V,LED电流精度±6%,真彩色PWM和模拟调光,每个IC输入功率100W或大于100W。主要用于汽车前灯/行驶灯和通用照明。
其连续恒定频率和强制恒定电流模式架构,使其可以进行调整,或同步200kHz~700kHz的频率。在降压或升压操作时无需顶部MOSFET开关循环周期。该器件为60V输入,60V输出。和工作区域之间的无缝转换,使LT3791成为LED驱动器在汽车、工业、电池供电系统的较理想选择。
LT3791在重新启动或闭锁时,具有输入电流监控器,LED电流监控器,以及LED开路或短路保障。

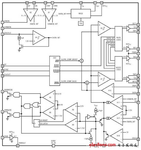
图1 LT3791方框图
LT3791主要特性
• 4开关单电感器架构允许VIN高于,低于或等于VOUT
• 同步切换:效率高达98.5%
• 4.7V~60V的宽VIN范围:
• 宽VOUT范围:0V~60V(52V LED)
• ±6%的LED电流精度:0V≤VLED《52V
• True Color PWM和模拟调光
• LED电流监视器输出和输入电流调节
• 在降压或升压时无Top MOSFET刷新
• 在关机时,VOUT与 VIN断开
• 开路或短路LED故障保护
• 每IC 100W或更高的
• 带裸焊盘的38引脚TSSOP
LT3791应用
• 汽车头灯/行车灯
• 通用照明

图2 LT3791效率98% 50W(25V2A)升-降压LED驱动电路图

图3 LT3791效率98.5% 100W(33.3V3A)升-降压LED驱动电路图

图4 DC1666A演示板电路图
演示板DC1666A
DC1666A演示电路是一个同步四开关降压-升压型LED驱动器控制器。它的输入电压为4.7V~60V,最高驱动2A、25V的LED。 DC1666A具有LED串的PWM和模拟调光功能。当LED串被移动时,它的OPENLED标志显示;当输出短路到GND时,它的SHORTLED标志显示。在这两种情况下,该IC保持控制,并有良好的保护。
DC1666A具有非常高的效率,其开关频率为300kHz,并具有连续导通模式(CCM)。其同步四开关拓扑结构,在调节50W恒定LED输出电流时(升压和降压),效率高达98%。该电路可以变化,用于超过100W的LED的应用。一个可选的SYNC端子,用于同步一个外部时钟和CLKOUT终端,并提供了另一个转换器和内部时钟(LT3791)的同步资源。三个检测电阻器提供了恒定的输出电流控制和监测、峰值开关电流控制和DC输入电流限制和监控。其ISMON和IVINMON输出可以告诉用户有多少电流流经输出和输入的感测电阻。小陶瓷输入和输出电容器,以节省空间和成本。 LED开路过压保护采用了IC恒定电压调节环路,以限制输出(大约28.3V,如LED串被打开)。对于低输入电压操作,当输入电压低于6.5V时,CTRL引脚电压被降低,并降低了LED的亮度和限制峰值开关电流,以限制电感和开关的大小。 当VIN降至低于4.7V时,UVLO将LED关闭。当输入上升到高于57.6V时,过压闭锁功能将开关关闭作为保护,当VIN降至56.2V时,重新开启。
DC1666A PWM调光则很简单,PWM调光MOSFET利用PWM调光终端的输入来导通和关闭LED串。对于最高的PWM调光比,建议使用100Hz作为PWM调光频率。对于PWM调光比和性能的信息,可以参见应用信息部分的LT3791数据表。模拟调光也很简单,采用一个简单的CTRL终端电压源。
DC1666A可以作出修改,以转换该板到更高或更低的功率,或者以一个LED驱动器到一个恒定的电压调节器或电池充电器。
LT3791数据表给出了一个完整的,操作和应用信息的描述。数据表必须和使用手册一并阅读,以了解DC1666A电路。LT3791组装在一个38引脚塑料TSSOP封装里,并具有耐热增强型地垫。正确的电路板布局对热性能是必不可少的。