时间:2012-11-23 15:19
人气:
作者:admin
LED招牌利用新型高亮LED(发光二极管)结合51单片机开发的一种实用型灯箱。LED色彩是相对于传统的霓虹灯、灯箱、路牌及LED显示屏以外的一种全新的集广告、装饰和美化环境于一身的户外显示媒体。主要应用于色彩字、LED显示路牌、LED色彩变化装饰楼宇等众多户外夜景照明场所。
一、制作思路
设计汉字或图案 设计电路 设计编码并软件仿真验证 电路硬件选择 组装成品。
二、制作实例
1.设计汉字或图案
字体的绘画可用软件Coreldraw9或Coreldraw12进行绘画,注意根据实际需要制作像素点距。本例中利用CAD制图软件把字体的过孔以及孔的大小及间隔距离确定好。出图后用手持电钻或机床加工把要过的孔冲击成型。
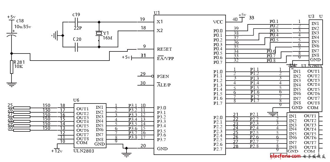
2.设计电路
原理图控制部分(见图1)。

图1 原理图控制部分