全球最实用的IT互联网信息网站!
AI人工智能P2P分享&下载搜索网页发布信息网站地图
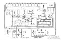
采用LM836的LED数码管驱动电路原理分析
阅读全文2015-03-24
LED直接驱动电路防护应用设计攻略
CE系列高压MOSFET:专为消费类电子和照明而生
LED电源次级恒流经典电路TOP6 —电路图天天读(
LED照明如何借移动互联网东风?
内置电源LED日光灯应用电路设计方案
阅读全文2015-03-23
低压便携设备LED驱动电路设计攻略 —电路图天天
电子科普:LED照明基础知识汇总
通嘉公司推出一款消除/抑制涟波控制IC LD6801
阅读全文2015-03-19
LED应用电路研发设计思路 —电路图天天读(124)
显示器低蓝光(ChinaMark)认证
友达光电的Micro LED生产线预计2025年启动量
艾迈斯欧司朗CIOE人气旺 众多新产品亮点
第二代全新升级LED全息屏:无龙骨设计引
CPU | 内存 | 硬盘 | 显卡 | 显示器 | 主板 | 电源 | 键鼠 | 网站地图
Copyright © 2025-2035 诺佳网 版权所有 备案号:赣ICP备2025066733号 本站资料均来源互联网收集整理,作品版权归作者所有,如果侵犯了您的版权,请跟我们联系。