时间:2023-07-23 16:23
人气:
作者:admin
]# 一. 开箱
FireBeetle 2 ESP32-S3是dfrobot基于ESP32-S3-WROOM-1-N16R8模组出品的一款小巧的开发板。拥有16MB Flash和8MB PSRAM,可以运行较大的程序和存储较大的数据,拥有强大的神经网络运算能力和信号处理能力,适用于图像识别、语音识别等项目。
包装比较小巧简洁

包括主板,排针排母,OV2640摄像头(200万像素和68°视场角,最高支持1600*1200分辨率)。
焊接好排针,

接上摄像头
按照如下方向,拉起黑色卡扣,插入软排线,按下卡扣即可。

USB上电可以看到红绿LED闪烁

官网有完善的文档,做的非常好
https://wiki.dfrobot.com.cn/_SKU_DFR0975_FireBeetle_2_Board_ESP32_S3#target_0

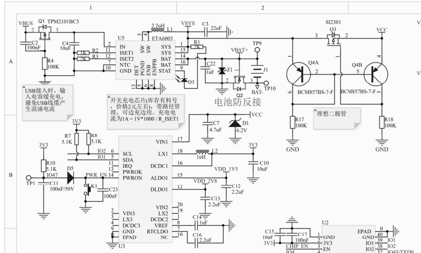
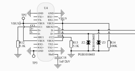
上述页面最后有手册和原理图,先熟悉下原理图方便后面的开发

IO接口

GDI接口

摄像头接口

电源

USB

按键LED

仿真接口

主控模块
